Operation CHARM: Car repair manuals for everyone.
Manuals through 2025 now available!

Our trusted friends have launched a new website named LEMON, which has newer manuals. It also contains all the CHARM manuals.

LEMON is the spiritual successor to CHARM, I recommend you try it!

Link: lemon-manuals.la or lemon-manuals.org.ua

(Some people have issue connecting. LEMON is investigating. For now, use Firefox or change your DNS server)

Or, hide this message: temporarily or permanently

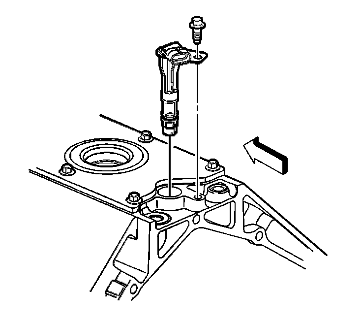
Camshaft Position Sensor: Service and Repair

CAMSHAFT POSITION (CMP) SENSOR REPLACEMENT

REMOVAL PROCEDURE
1. Remove intake manifold.
2. Disconnect the electrical connector from the camshaft position (CMP) sensor.

IMPORTANT: Clean the area around the CMP sensor before removal in order to prevent debris from entering the engine.




3. Remove the CMP sensor retaining bolt.
4. Remove the CMP sensor.

INSTALLATION PROCEDURE




1. Install the CMP sensor.

NOTE: Refer to Fastener Notice in Service Precautions.

2. Install the CMP sensor retaining bolt.

Tighten
Tighten the bolt to 29 N.m (21 lb ft).

3. Connect the CMP sensor electrical connector.
4. Install intake manifold.