Operation CHARM: Car repair manuals for everyone.
Manuals through 2025 now available!

Our trusted friends have launched a new website named LEMON, which has newer manuals. It also contains all the CHARM manuals.

LEMON is the spiritual successor to CHARM, I recommend you try it!

Link: lemon-manuals.la or lemon-manuals.org.ua

(Some people have issue connecting. LEMON is investigating. For now, use Firefox or change your DNS server)

Or, hide this message: temporarily or permanently

Crankshaft Position Sensor: Service and Repair

CRANKSHAFT POSITION (CKP) SENSOR REPLACEMENT

REMOVAL PROCEDURE

CAUTION: Refer to Battery Disconnect Caution in Service Precautions.




1. Disconnect the negative battery cable.
2. Raise the vehicle. Refer to Vehicle Lifting.
3. Remove the starter.




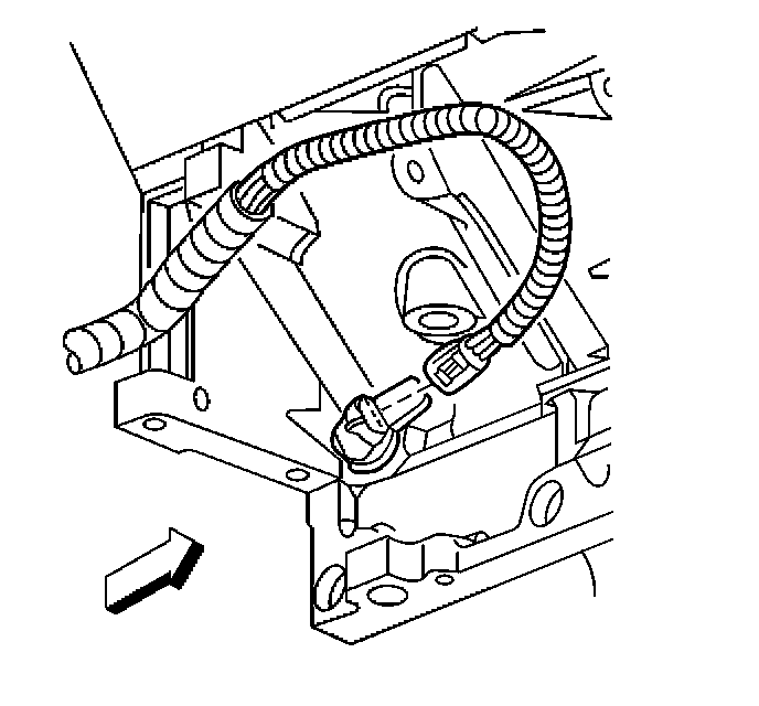
4. Disconnect the crankshaft position (CKP) sensor electrical connector.




5. Clean the area around the CKP sensor before removal in order to avoid debris from entering the engine.
6. Remove the CKP sensor retaining fastener.
7. Remove the CKP sensor.

INSTALLATION PROCEDURE
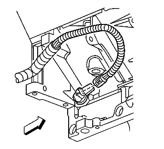
1. Install the CKP sensor.

NOTE: Refer to Fastener Notice in Service Precautions.




2. Install the CKP sensor retaining fastener.

Tighten
Tighten the fastener to 25 N.m (18 lb ft).




3. Connect the CKP sensor electrical connector.




4. Install the starter.
5. Lower the vehicle.
6. Connect the negative battery cable.
7. Perform the CKP system variation learn procedure. Programming and Relearning