Operation CHARM: Car repair manuals for everyone.
Manuals through 2025 now available!

Our trusted friends have launched a new website named LEMON, which has newer manuals. It also contains all the CHARM manuals.

LEMON is the spiritual successor to CHARM, I recommend you try it!

Link: lemon-manuals.la or lemon-manuals.org.ua

(Some people have issue connecting. LEMON is investigating. For now, use Firefox or change your DNS server)

Or, hide this message: temporarily or permanently

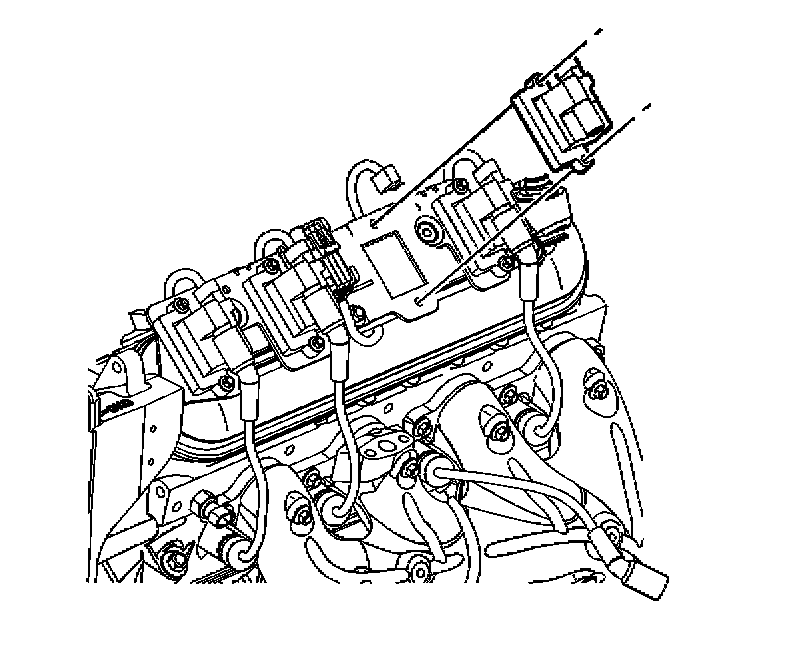
Ignition Coil: Service and Repair

IGNITION COIL(S) REPLACEMENT

REMOVAL PROCEDURE




1. Disconnect the spark plug wires at the ignition coils.




2. Disconnect the ignition coil harness connector.




3. Remove the ignition coil mounting bolts.




4. Remove the ignition coil.

INSTALLATION PROCEDURE




1. Install the ignition coil to the bracket.

NOTE: Refer to Fastener Notice in Service Precautions.




2. Install the ignition coil mounting bolts.

Tighten
Tighten the ignition coil mounting bolts to 8 N.m (71 lb in).




3. Connect the ignition coil harness connector.




4. Connect the spark plug wires at the ignition coils.