Manuals through 2025 now available!
Our trusted friends have launched a new website named LEMON, which has newer manuals. It also contains all the CHARM manuals.
LEMON is the spiritual successor to CHARM, I recommend you try it!
Link:
lemon-manuals.la or
lemon-manuals.org.ua
(Some people have issue connecting. LEMON is investigating. For now, use Firefox or change your DNS server)
Or, hide this message:
temporarily or
permanently
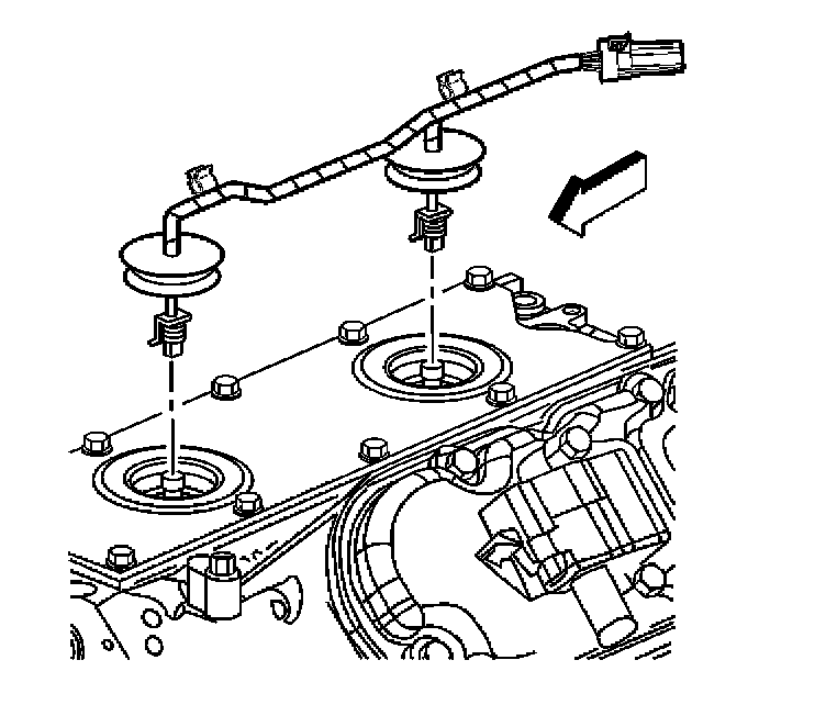
Knock Sensor: Service and Repair
KNOCK SENSOR (KS) REPLACEMENTREMOVAL PROCEDURE 1.
Remove the intake manifold.
2.
Remove the
KS wiring harness assembly.
3.
Remove the
KS.
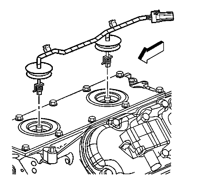
INSTALLATION PROCEDURE NOTE: Refer to Fastener Notice in Service Precautions.
1.
Install the
KS.
Tighten Torque the sensor to
20 N.m (15 lb ft).
2.
Install the
KS wiring harness assembly.
3.
Install the intake manifold.