Operation CHARM
: Car repair manuals for everyone.
Home
>>
Chevrolet
>>
2004
>>
SSR V8-5.3L VIN P
>>
Repair and Diagnosis
>>
Powertrain Management
>>
Transmission Control Systems
>>
Diagrams
>>
Electrical Diagrams
Manuals through 2025 now available!
Our trusted friends have launched a new website named LEMON, which has newer manuals. It also contains all the CHARM manuals.
LEMON is the spiritual successor to CHARM, I recommend you try it!
Link:
lemon-manuals.la
or
lemon-manuals.org.ua
(Some people have issue connecting. LEMON is investigating. For now, use Firefox or change your DNS server)
Or, hide this message:
temporarily
or
permanently
Electrical Diagrams
Schematic and Routing Diagrams
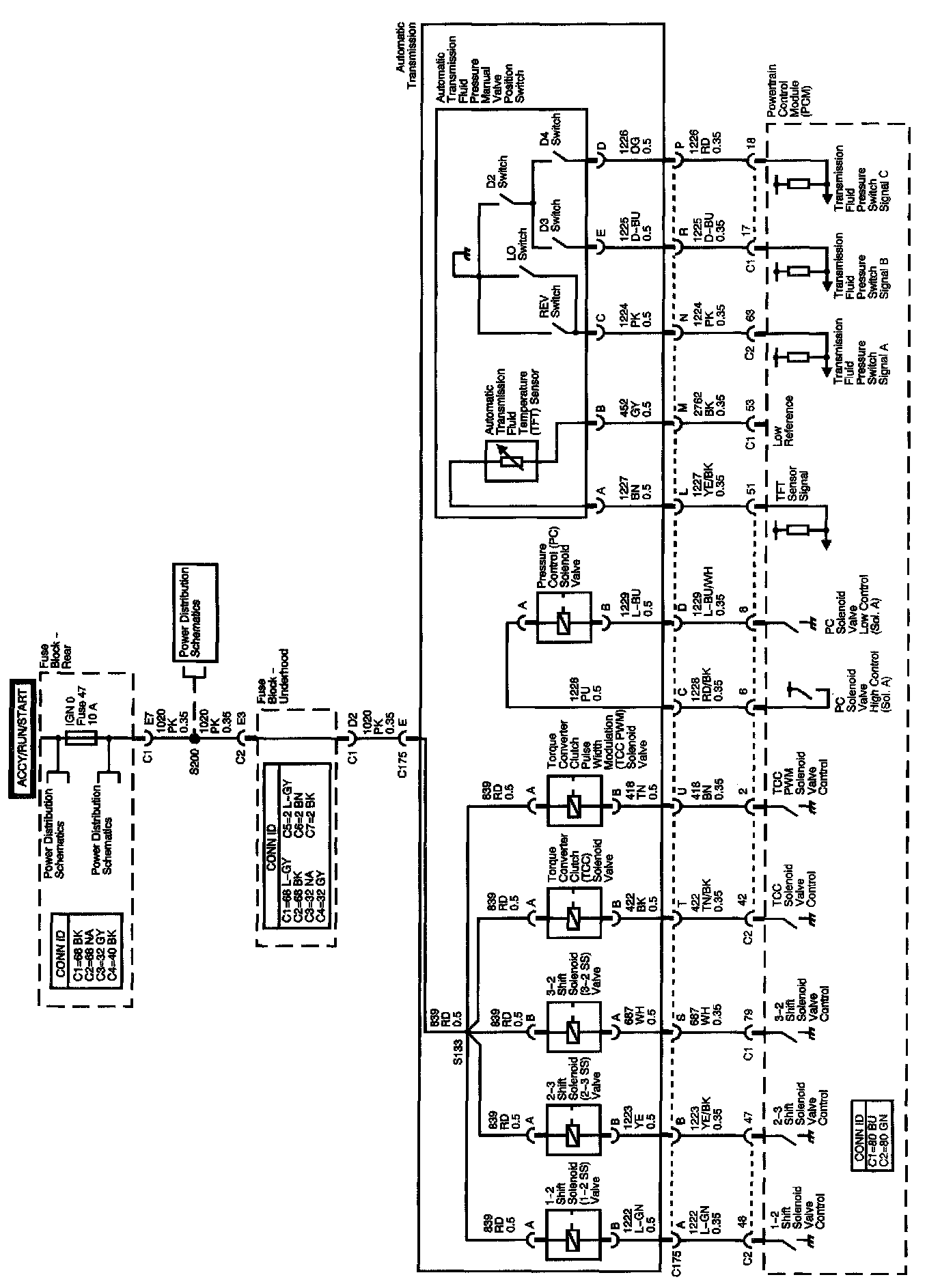
Automatic Transmission Control Schematics (Power and Internal Transmission Valve Switches
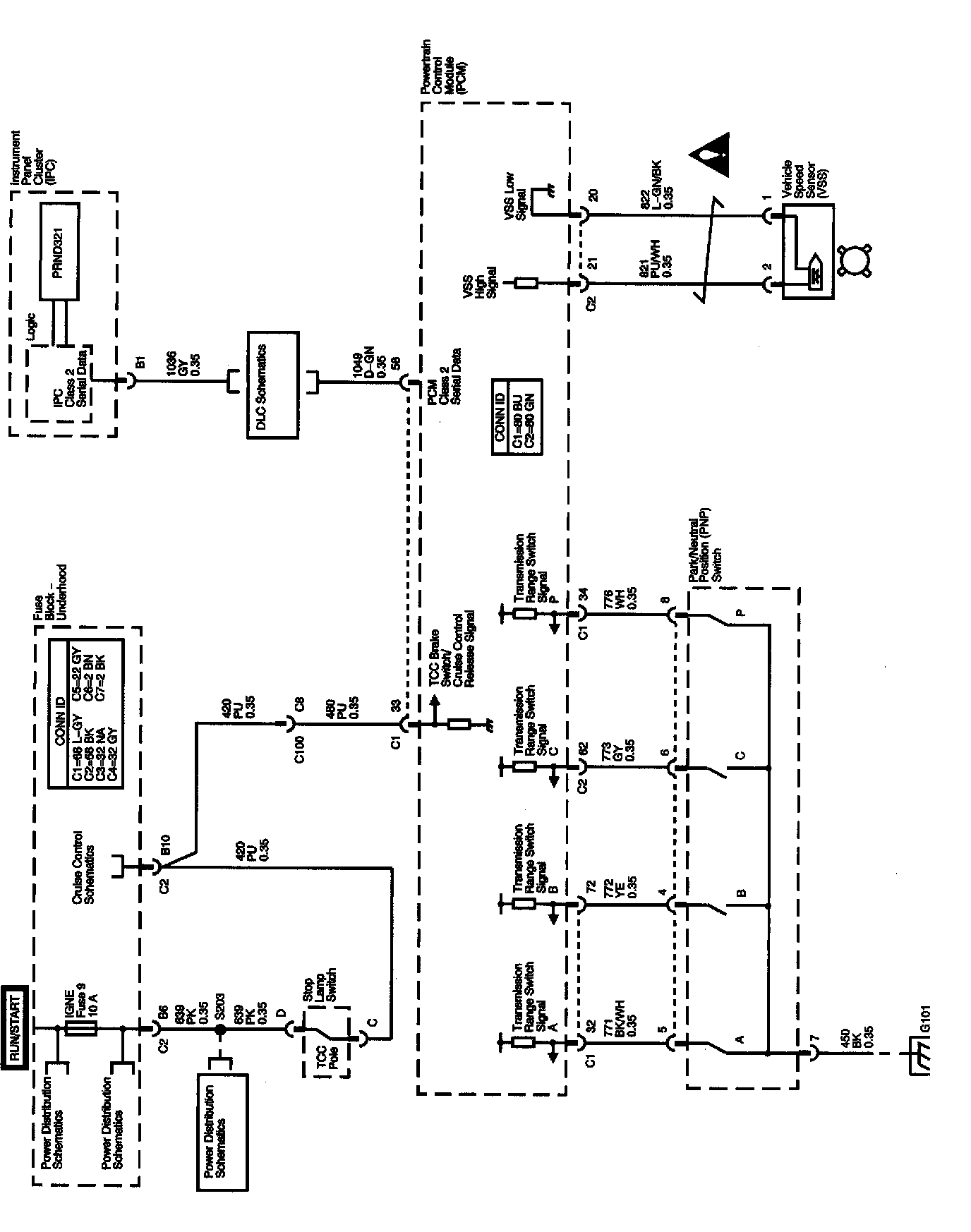
Automatic Transmission Control Schematics (Park Neutral Position (PNP) Switch and
VSS