Operation CHARM: Car repair manuals for everyone.
Manuals through 2025 now available!

Our trusted friends have launched a new website named LEMON, which has newer manuals. It also contains all the CHARM manuals.

LEMON is the spiritual successor to CHARM, I recommend you try it!

Link: lemon-manuals.la or lemon-manuals.org.ua

(Some people have issue connecting. LEMON is investigating. For now, use Firefox or change your DNS server)

Or, hide this message: temporarily or permanently

Instrument Panel Module Replacement

INFLATABLE RESTRAINT INSTRUMENT PANEL MODULE REPLACEMENT

REMOVAL PROCEDURE

CAUTION:
- Refer to SIR Caution in Service Precautions.
- Refer to SIR Inflator Module Handling and Storage Caution in Service Precautions.


1. Disable the SIR system. Refer to SIR Disabling and Enabling Zone 5.
2. Remove the passenger seat.
3. Remove the instrument panel (I/P) compartment door from the vehicle.
4. Remove the left side knee bolster.
5. Remove the right side knee bolster.




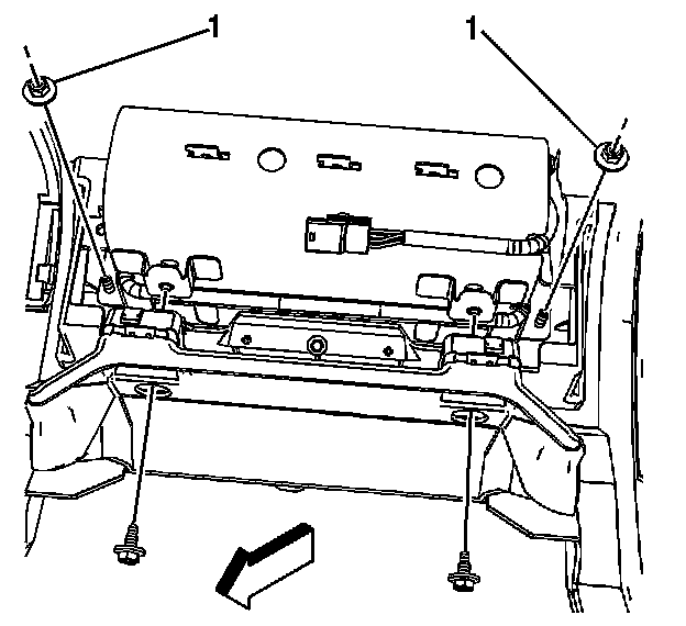
6. Using a 1/4 drive ratchet, an eight-inch extension with a universal adapter, and a 10 mm deep well socket, remove the 2 upper passenger supplemental inflatable restraint (PSIR) fasteners (1).
7. Partially remove the PSIR from the I/P.
8. Disconnect the PSIR module connector positive assurance.
9. Disconnect the PSIR electrical connector.




10. Remove the 2 lower PSIR inflator module retaining bolts (1).




11. Remove the PSIR inflator module from the front of the I/P carrier.
12. Fully deploy the module before disposal. If the module was replaced under warranty, fully deploy and dispose of the module after the required retention period. Refer to Inflator Module Handling and Scrapping.

INSTALLATION PROCEDURE




1. Install the PSIR inflator module to the front of the I/P carrier.

NOTE: Refer to Fastener Notice in Service Precautions.




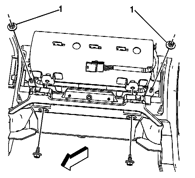
2. Install the 2 lower PSIR inflator module retaining bolts (1).

Tighten
Tighten the nuts until fully driven, seated and not stripped.

3. Connect electrical connection to the PSIR inflator module.
4. Connect the PSIR connector positive assurance.




5. Using a 1/4 drive ratchet, an eight-inch extension with a universal adapter, and a 10 mm deep well socket, install the 2 upper passenger supplemental inflatable restraint (PSIR) nuts (1).

Tighten
Tighten the nuts until fully driven, seated and not stripped.

6. Install the right side knee bolster.
7. Install the left side knee bolster.
8. Install the I/P compartment door to the vehicle.
9. Install the passenger seat.
10. Enable the SIR system. Refer to SIR Disabling and Enabling Zone 5.