Operation CHARM: Car repair manuals for everyone.
Manuals through 2025 now available!

Our trusted friends have launched a new website named LEMON, which has newer manuals. It also contains all the CHARM manuals.

LEMON is the spiritual successor to CHARM, I recommend you try it!

Link: lemon-manuals.la or lemon-manuals.org.ua

(Some people have issue connecting. LEMON is investigating. For now, use Firefox or change your DNS server)

Or, hide this message: temporarily or permanently

Ignition Coil: Service and Repair

IGNITION COIL(S) REPLACEMENT

REMOVAL PROCEDURE




1. Remove the air cleaner outlet resonator.
2. Remove the ignition coil wire from the ignition coil and distributor cap.




3. Disconnect the following electrical connectors:
- Ignition coil (1)
- Ignition coil driver (2)




4. Remove the accelerator cable slug from the throttle lever.
5. Remove the cruise control cable from the throttle lever.
6. Remove the accelerator cable from the engine bracket.
7. Remove the cruise control cable from the engine bracket.
8. Remove the accelerator control cable bracket nuts.
9. Remove the accelerator control cable bracket with cables attached, from the throttle body.
10. Position and secure the bracket and cables out of the way.




11. Remove the accelerator cable bracket nuts and stud.
12. Remove the accelerator cable bracket.




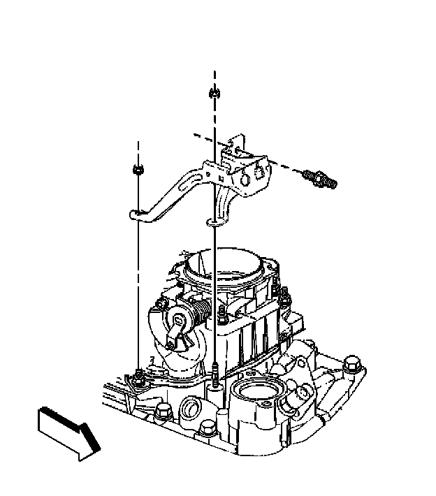
13. Remove the ignition coil bracket studs.
14. Remove the ignition coil and bracket.
15. Remove the ignition coil bolts/nuts.
16. Remove the ignition coil from the brackets.

INSTALLATION PROCEDURE




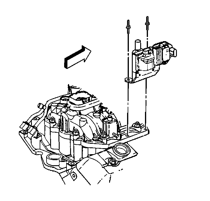
1. Install the brackets to either side of the ignition coil.

NOTE: Refer to Fastener Notice in Service Precautions.

2. Install the ignition coil bolts/nuts.

Tighten
Tighten the bolts/nuts to 3.5 N.m (31 lb in).

3. Place the ignition coil and bracket into position.
4. Install the ignition coil bracket studs.

Tighten
Tighten the studs to 11 N.m (97 lb in).




5. Install the accelerator cable bracket.
6. Install the accelerator cable bracket nuts and stud.

Tighten
Tighten the nuts/stud to 12 N.m (106 lb in).




7. Position the bracket and cables.
8. Install the accelerator control cable bracket with cables attached, to the throttle body.
9. Install the accelerator control cable bracket nuts.

Tighten
Tighten the nuts to 10 N.m (89 lb in).

10. Install the accelerator cable to the engine bracket.
11. Install the cruise control cable to the engine bracket.
12. Install the cruise control cable to the throttle lever.
13. Install the accelerator cable slug to the throttle lever.




14. Connect the following electrical connectors:
- Ignition coil (1)
- Ignition coil driver (2)

IMPORTANT: The coil wire nipple must be positioned such that it is between 35 and 60 degrees aft of perpendicular as referenced from the engine centerline on the outboard side of the coil.




15. Install the ignition coil wire to the ignition coil and distributor cap.
16. Install the air cleaner outlet resonator.