Operation CHARM: Car repair manuals for everyone.
Manuals through 2025 now available!

Our trusted friends have launched a new website named LEMON, which has newer manuals. It also contains all the CHARM manuals.

LEMON is the spiritual successor to CHARM, I recommend you try it!

Link: lemon-manuals.la or lemon-manuals.org.ua

(Some people have issue connecting. LEMON is investigating. For now, use Firefox or change your DNS server)

Or, hide this message: temporarily or permanently

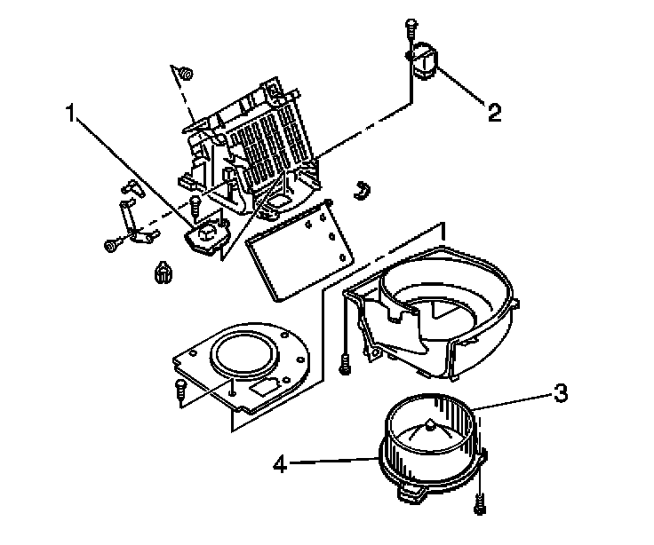
Blower Motor: Service and Repair

BLOWER MOTOR REPLACEMENT

REMOVAL PROCEDURE
1. Disconnect the negative battery cable.

CAUTION:
- Refer to SIR Caution in Service Precautions.
- Refer to Battery Disconnect Caution in Service Precautions.


2. Disconnect the blower motor electrical connector.
3. Remove the PCM.




4. Remove 3 screws and the blower motor and fan (4) from the blower case.
5. If necessary to remove the blower case, refer to Heater Case Replacement.

INSTALLATION PROCEDURE




1. Install the blower motor and fan (4) to the blower case. Secure the blower motor with 3 screws.
2. Install the PCM.
3. Connect the blower motor electrical connector.
4. Connect the negative battery cable.