Operation CHARM: Car repair manuals for everyone.
Manuals through 2025 now available!

Our trusted friends have launched a new website named LEMON, which has newer manuals. It also contains all the CHARM manuals.

LEMON is the spiritual successor to CHARM, I recommend you try it!

Link: lemon-manuals.la or lemon-manuals.org.ua

(Some people have issue connecting. LEMON is investigating. For now, use Firefox or change your DNS server)

Or, hide this message: temporarily or permanently

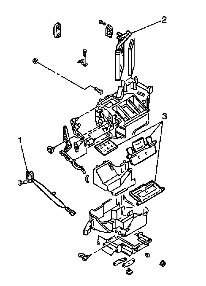
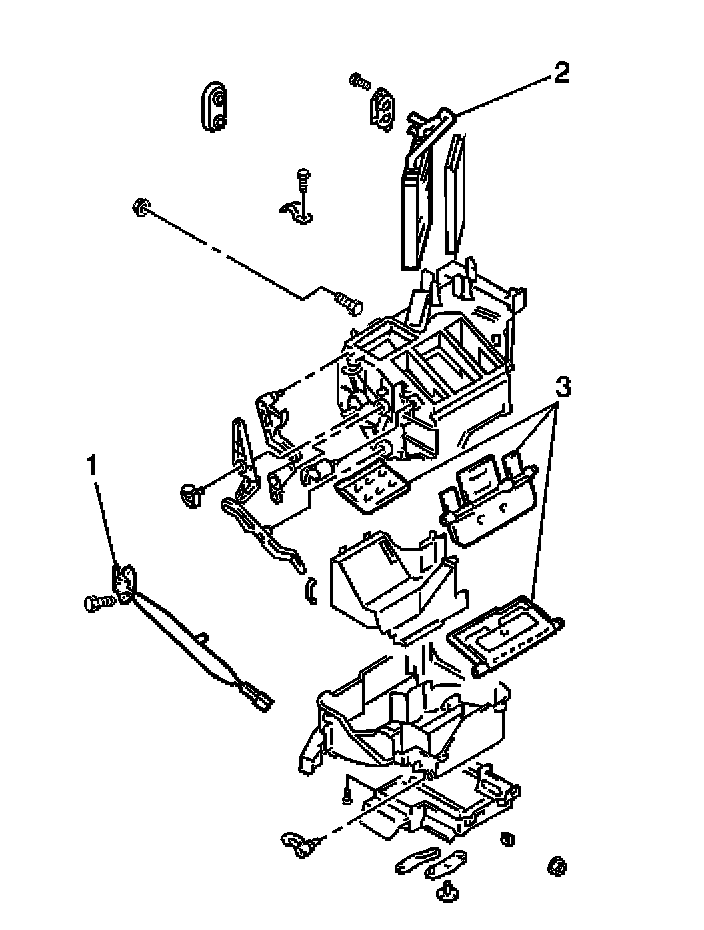
Housing Assembly HVAC: Service and Repair

HEATER CASE REPLACEMENT

REMOVAL PROCEDURE
1. Drain the engine cooling system. Refer to Draining and Filling Cooling System in Cooling System.
2. Remove the instrument panel (IP) carrier.
3. Remove the heater hoses and clamps from the heater core.
4. Disconnect the electrical connector from the A/C compressor control module (2) , if equipped.
5. Remove the A/C compressor control module (2) , if equipped.




6. Remove the 2 nuts and 6 screws (3) from the air box.
7. Remove the air box from the vehicle. If equipped with A/C, remove the evaporator.




8. If necessary to remove the blower case, perform the following:
8.1. Disconnect the blower motor electrical connector.
8.2. Disconnect the blower motor resistor electrical connector.
8.3. Remove the fresh/recirc control cable from the blower case.
8.4. Remove the 1 screw and the blower relay bracket from the blower case.
8.5. Remove the wiring harness retainers from the blower case.
8.6. Remove the PCM.
8.7. Remove the 4 nuts (1).
8.8. Remove the blower case from the vehicle.




9. Remove the nut from the center of the bulkhead on the engine side (1).
10. Remove the 2 nuts from the heater case (2).
11. Separate the floor ducts from the heater case.
12. Remove the heater case from the vehicle.

DISASSEMBLY PROCEDURE
1. Remove the 8 retaining clips from the heater case.




2. Remove the screw and the blend door linkages.
3. Separate the heater case halves.
4. Remove and replace the following components as necessary:
- The defrost switch (1)
- The blend doors (3)
- The heater core (2)
- The linkages

ASSEMBLY PROCEDURE




1. Install the following components as necessary:
- The defrost switch (1)
- The blend doors (3)
- The heater core (2)
- The linkages
2. Position the heater case halves together.
3. Install the 8 retaining clips to the heater case.
4. Install the blend door linkages and secure with the screw.

INSTALLATION PROCEDURE
1. Install the heater case to the vehicle.
2. Connect the floor ducts to the heater case.




3. Install the nut to the center of the bulkhead on the engine side (1).
4. Install the 2 nuts to the heater case (2).

NOTE: Refer to Fastener Notice in Service Precautions.

Tighten
Tighten the heater case nuts to 10 N.m (89 lb in).





5. If the blower case was removed, perform the following:
5.1. Install the blower case to the vehicle. Secure with the 4 nuts (1).

Tighten
Tighten the nuts to 10 N.m (89 lb in).

5.2. Connect the blower motor electrical connector.
5.3. Connect the blower motor resistor electrical connector.
5.4. Install the fresh/recirc control cable to the blower case. Adjust the cable as necessary,
5.5. Install the blower relay bracket to the blower case. Secure with the screw.
5.6. Install the wiring harness retainers to the blower case.
5.7. Install the PCM.




6. Install the air box or the A/C evaporator, if equipped.

Tighten
Tighten the nuts and screws to 10 N.m (89 lb in).

7. Install the A/C compressor control module (2), if equipped.
8. Connect the electrical connector to the A/C compressor control module (2), if equipped.
9. Install the heater hoses and clamps to the heater core.
10. Install the instrument panel.
11. Fill the engine cooling system. Refer to Draining and Filling Cooling System in Cooling System.