Operation CHARM: Car repair manuals for everyone.
Manuals through 2025 now available!

Our trusted friends have launched a new website named LEMON, which has newer manuals. It also contains all the CHARM manuals.

LEMON is the spiritual successor to CHARM, I recommend you try it!

Link: lemon-manuals.la or lemon-manuals.org.ua

(Some people have issue connecting. LEMON is investigating. For now, use Firefox or change your DNS server)

Or, hide this message: temporarily or permanently

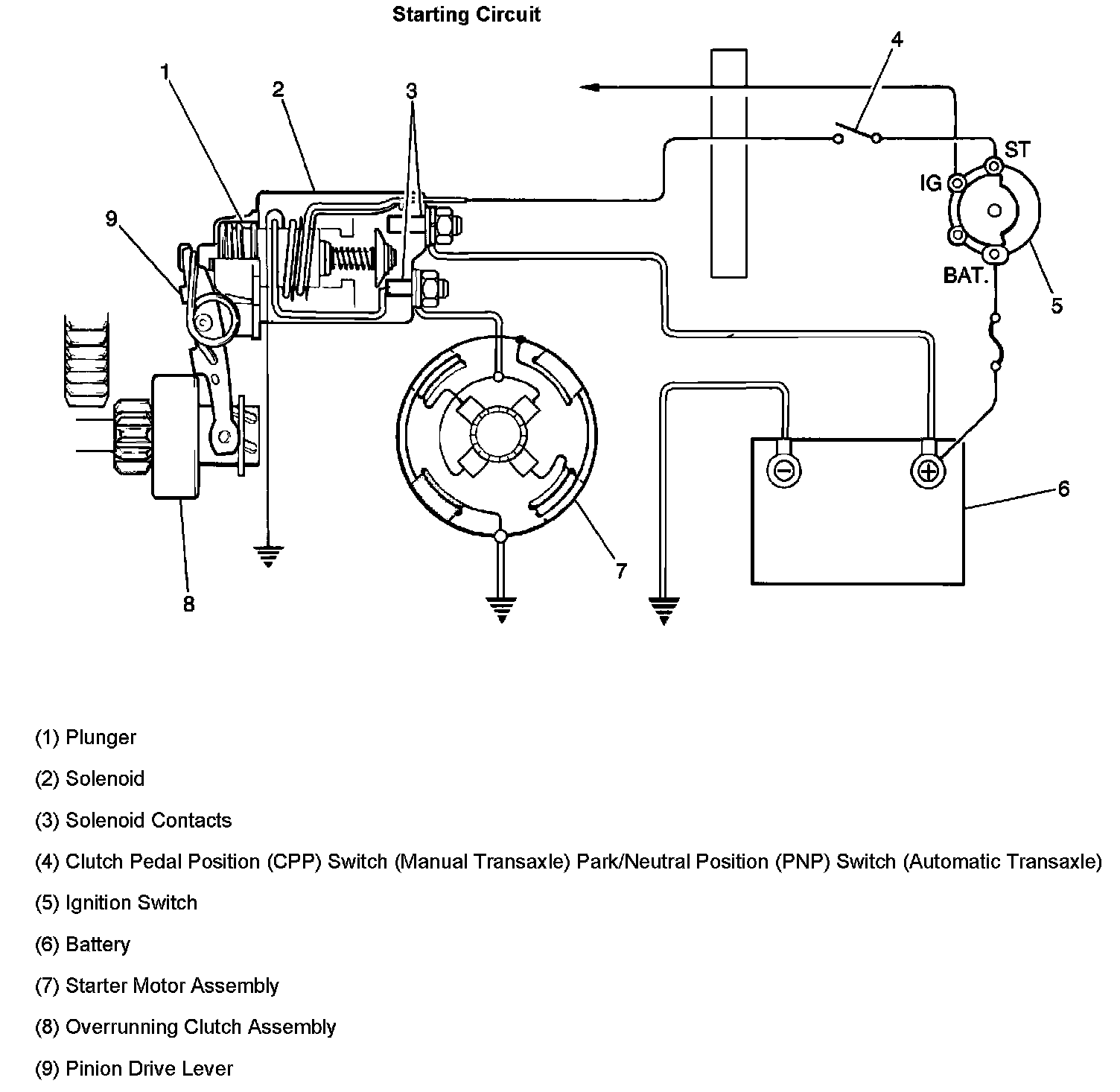
Starting System

STARTING MOTOR

Starting Motor:




The non-repairable starter motors have pole pieces that are arranged around the armature within the starter housing. When the solenoid windings are energized, the pull-in winding circuit is completed to ground through the starter motor. The hold-in winding circuit is completed to ground through the solenoid. The windings work together magnetically to pull and hold in the plunger. The plunger moves the shift lever. This action causes the starter drive assembly to rotate on the armature shaft spline as it engages with the flywheel ring gear on the engine. At the same time, the plunger closes the solenoid switch contacts in the starter solenoid. Full battery voltage is then applied directly to the starter motor and it cranks the engine.

As soon as the solenoid switch contacts close, current stops flowing through the pull-in winding because battery voltage is now applied to both ends of the windings. The hold-in winding remains energized; its magnetic field is strong enough to hold the plunger, shift lever, starter drive assembly, and solenoid switch contacts in place to continue cranking the engine. When the engine starts, the pinion gear overrun sprag protects the armature from excessive speed until the switch is opened.

STARTING CIRCUIT

Starting Circuit:




When the ignition switch is released from the CRANK position, voltage is removed from the starter solenoid S terminal. Current flows from the motor contacts through both windings to the ground at the end of the hold-in winding. However, the direction of the current flow through the pull-in winding is now opposite the direction of the current flow when the winding was first energized.

The magnetic fields of the pull-in and hold-in windings now oppose one another. This action of the windings, along with the help of the return spring, causes the starter drive assembly to disengage and the solenoid switch contacts to open simultaneously. As soon as the contacts open, the starter circuit is turned off.

CIRCUIT DESCRIPTION
Moving the ignition switch to the CRANK position closes the circuit to both the pull-in and hold-in windings. The transmission range switch or the clutch pedal position (CPP) switch are in series with, and must be closed, in order for voltage to reach the starter solenoid S terminal. Moving the ignition switch to the CRANK position also sends a 12 V signal to the PCM.