Transfer Case Replacement
Transfer Case ReplacementRemoval Procedure
Caution: Refer to Battery Disconnect Caution in Service Precautions.
1. Disconnect the negative (-) battery cable.
2. Remove the 2 screws, the 2 plastic retainers and the rear console box from the floor.
3. Remove the 2 screws, the 2 plastic retainers and the front console box from the floor.
4. Remove the 1 screw and the transfer case gearshift control lever knob (1) from the transfer case gearshift control lever.
5. Remove the 6 screws, the boot cover and the gearshift control lever boot (1) from the gearshift control lever (2).
6. Remove the 1 clamp and the gearshift lever case boot from the gearshift lever case.
7. Remove the gearshift control lever (1) from the gearshift lever case (2) by pushing down on the gearshift control lever pivot (3) and turning counterclockwise 90 degrees, 1/4 turn, and lifting up.
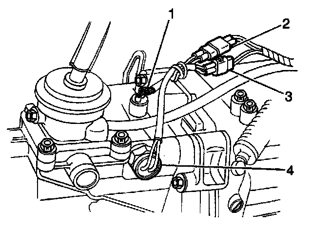
8. Remove the four-wheel drive switch electrical connector (1) from the four wheel drive switch (2), if equipped.
9. Remove the four-wheel drive low switch electrical connector (3) from the four-wheel drive low switch (4), if equipped.
10. Remove the 4 bolts from the fan shroud at the radiator.
11. Raise and suitably support the vehicle.
12. Place a drain pan or suitable container under the transfer case.
13. Remove the transfer case oil level/filler plug (1) from the transfer case.
14. Remove the transfer case drain plug (2) from the transfer case and drain the transfer case oil.
Important: An index mark should be made on the front and rear propeller shaft pinion flange yokes and the front and rear differential pinion flanges to ensure that the front and rear propeller shafts are installed in the same positions from which they were removed. If this precaution is not observed, a driveline imbalance may result causing vibration, premature component wear or other undesirable conditions.
15. Place an index mark on the front propeller shaft pinion flange yoke and the front deferential pinion flange, if equipped.
16. Remove the 4 bolts, the 4 nuts and the front propeller shaft from the vehicle, if equipped.
17. Place an index mark on the rear propeller shaft pinion flange yoke and the differential pinion flange.
18. Remove the 4 bolts, the 4 nuts and the rear propeller shaft from the vehicle.
19. Remove the VSS (2) from the case.
20. Remove the sensor harness from the crossmember.
21. Support the transfer case with a suitable hydraulic jack.
22. Remove the following components:
^ The 6 nuts (1, 4)
^ The 6 bolts
^ The transfer case skid plate (2)
^ The 2 transfer case braces
23. Remove the 10 bolts and the transfer case crossmember (1) from the undercarriage.
24. Remove the 1 clamp and the breather hose from the gearshift lever case.
25. Remove the 1 clamp and the breather hose from the cover.
26. Remove the gearshift lever case from the rear case manual transmission equipped vehicles.
27. Remove the 12 transfer case-to-transmission bolts.
28. Slide the transfer case off the transmission output shaft and slowly lower the transfer case making sure there are no obstructions.
Installation Procedure
1. Raise the transfer case into position and slide it onto the transmission output shaft.
Notice: Refer to Fastener Notice in Service Precautions.
2. Install the 10 transfer case-to-transmission bolts.
Tighten the 10 transfer case-to-transmission bolts to 28 Nm (21 ft. lbs.).
3. Install the breather hose to the gearshift lever case. Secure with the 1 clamp.
4. Install the breather hose to the cover. Secure with the 1 clamp.
5. Install the gearshift lever case to the rear case manual transmission equipped vehicles.
6. Install the transfer case crossmember (1) to the undercarriage. Secure the crossmember with the 6 bolts (3).
Tighten the transfer case crossmember bolts to 50 Nm (37 ft. lbs.).
7. Install the following:
^ The skid plate (2)
^ The 2 transfer case braces
8. Secure the skid plate and the 2 braces with the 6 nuts and the bolts (1, 4).
Tighten the transfer case skid plate bolts and the nuts to 50 Nm (37 ft. lbs.).
9. Remove the hydraulic jack from under the transfer case.
10. Install the sensor harness to the crossmember.
11. Install the ground wire and bolt.
12. Install the rear propeller shaft into the vehicle aligning the reference marks made during the removal. Secure the rear propeller shaft with the 4 bolts and 4 nuts.
Tighten the rear propeller shaft bolts and nuts to 50 Nm (37 ft. lbs.).
13. Install the front propeller shaft into the vehicle aligning the reference marks made during removal. Secure the front propeller shaft the 4 bolts and the 4 nuts, if equipped.
Tighten the front propeller shaft bolts and nuts to 50 Nm (37 ft. lbs.).
14. Apply GM P/N 12346004 or the equivalent, to the threaded portion of the transfer case drain plug.
15. Connect the VSS (2) to the case.
16. Install the transfer case drain plug (2) into the transfer case.
Tighten the transfer case drain plug to 28 Nm (21 ft. lbs.).
17. Add approximately 1.7 liters (1.8 qts.) of 75W-90 GL4 lubricant, or the equivalent, into the transfer case oil level/filler plug hole. The oil level should be even with the bottom of the oil level/filler plug (1).
18. Apply GM P/N 12346004 (Canadian P/N 10953480), or the equivalent, to the threaded portion of the transfer case oil level/filler plug (1).
19. Install the transfer case oil level/filler plug (1) into the transfer case.
Tighten the transfer case oil level/filler plug (1) to 28 Nm (21 ft. lbs.).
20. Lower the vehicle.
21. Install the 4 bolts to the fan shroud at the radiator.
Tighten the fan shroud bolt to 10 Nm (89 inch lbs.).
22. Connect the four-wheel drive switch electrical connector (2) to the four-wheel drive switch (1).
23. Install the four-wheel drive low switch electrical connector (3) to the four-wheel drive low switch (4).
24. Install the gearshift control lever.
25. Connect the negative battery cable.