Operation CHARM: Car repair manuals for everyone.
Manuals through 2025 now available!

Our trusted friends have launched a new website named LEMON, which has newer manuals. It also contains all the CHARM manuals.

LEMON is the spiritual successor to CHARM, I recommend you try it!

Link: lemon-manuals.la or lemon-manuals.org.ua

(Some people have issue connecting. LEMON is investigating. For now, use Firefox or change your DNS server)

Or, hide this message: temporarily or permanently

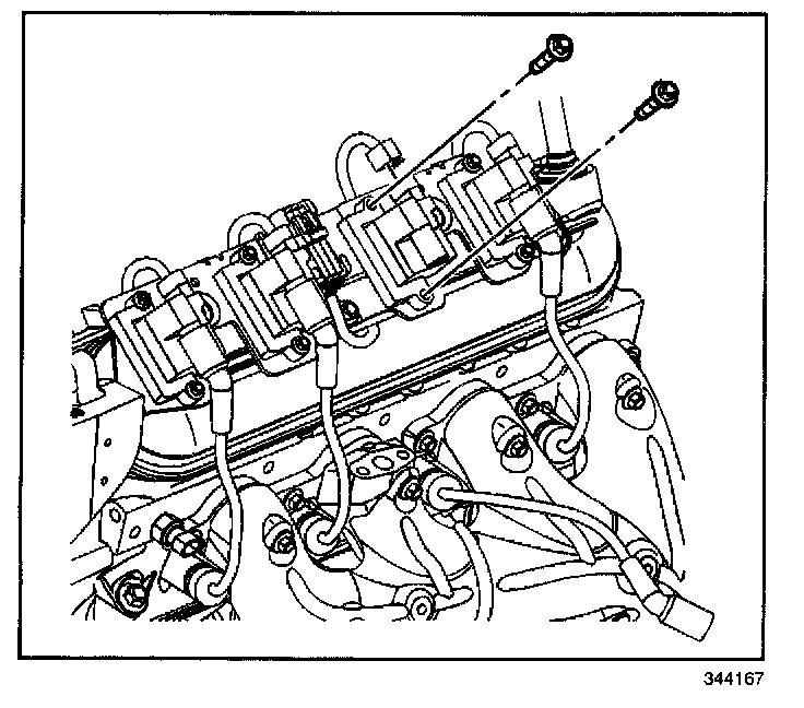
Ignition Coil: Service and Repair

IGNITION COIL(S) REPLACEMENT

REMOVAL PROCEDURE




1. Remove the spark plug wire from the ignition coil.




2. Disconnect the ignition coil electrical connector.




3. Remove the ignition coil bolts.




4. Remove the ignition coil.

INSTALLATION PROCEDURE




1. Install the ignition coil.

NOTE: Refer to Fastener Notice in Service Precautions.




2. Install the ignition coil bolts.

Tighten
Tighten the bolts to 8 N.m (71 lb in).




3. Connect the ignition coil electrical connector.




4. Connect the spark plug wire to the ignition coil.