Operation CHARM: Car repair manuals for everyone.
Manuals through 2025 now available!

Our trusted friends have launched a new website named LEMON, which has newer manuals. It also contains all the CHARM manuals.

LEMON is the spiritual successor to CHARM, I recommend you try it!

Link: lemon-manuals.la or lemon-manuals.org.ua

(Some people have issue connecting. LEMON is investigating. For now, use Firefox or change your DNS server)

Or, hide this message: temporarily or permanently

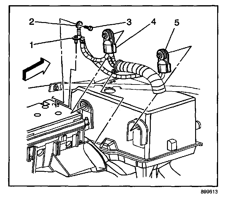
Negative: Service and Repair

BATTERY NEGATIVE CABLE REPLACEMENT

REMOVAL PROCEDURE




1. Disconnect the negative battery cable (5).
2. Remove the ground terminal bolt (3) that secures the harness to the front fender.




3. Remove the ground cable bolt (4) that secures the harness to the shock tower.
4. Remove the ground cable clip from the shock tower.




5. Remove the ground terminal bolt from the engine block.
6. Remove the cable from the engine harness conduit.

INSTALLATION PROCEDURE

IMPORTANT:
- The negative battery cable must not be connected to the battery prior to the installation of the engine harness ground terminal to the engine block.
- The negative battery cable must not be connected to the battery prior to the installation of the instrument panel harness and the engine harness to the powertrain control module.




1. Install the cable to the engine harness conduit.

NOTE: Refer to Fastener Notice in Service Precautions.

2. Install the ground terminal bolt to the engine block.

Tighten
Tighten the bolt to 50 Nm (37 lb ft).




3. Install the ground cable clip to the shock tower.
4. Install the ground cable bolt (4) that secures the harness to the shock tower.

Tighten
Tighten the bolt to 10 Nm (89 lb in).




5. Install the ground terminal bolt (3) that secures the harness to the front fender.

Tighten
Tighten the bolt to 10 Nm (89 lb in).

6. Connect the negative battery cable (5).