Operation CHARM: Car repair manuals for everyone.
Manuals through 2025 now available!

Our trusted friends have launched a new website named LEMON, which has newer manuals. It also contains all the CHARM manuals.

LEMON is the spiritual successor to CHARM, I recommend you try it!

Link: lemon-manuals.la or lemon-manuals.org.ua

(Some people have issue connecting. LEMON is investigating. For now, use Firefox or change your DNS server)

Or, hide this message: temporarily or permanently

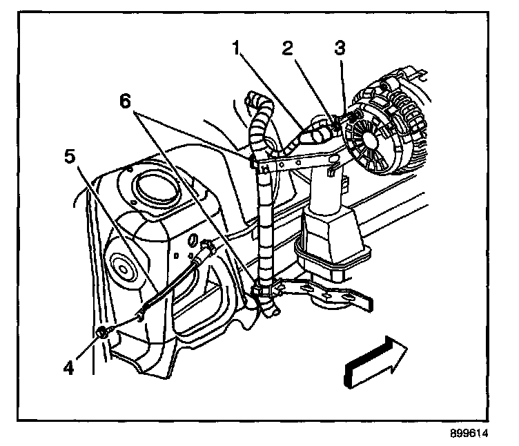
Generator Replacement

GENERATOR REPLACEMENT

REMOVAL PROCEDURE




1. Disconnect the negative battery cable.
2. Remove the accessory drive belt.
3. Disconnect the generator electrical connector.




4. Remove the generator cable (3) from the generator, perform the following:
4.1. Slide the boot (1) down revealing the terminal stud.
4.2. Remove the generator cable nut (2) from the terminal stud.
4.3. Remove the generator cable (3).




5. Remove the generator bolts.
6. Remove the generator.

INSTALLATION PROCEDURE




1. Install the generator.

NOTE: Refer to Fastener Notice in Service Precautions.

2. Install the generator bolts.

Tighten
Tighten the bolts to 50 N.m (37 lb ft)




3. Install the generator cable (3) to the generator, perform the following:
3.1. Install the generator cable (3).
3.2. Install the generator cable nut (2) to the terminal stud.

Tighten
Tighten the nut to 9 N.m (80 lb in).

3.3. Slide the boot (1) over the terminal stud.




4. Connect the generator electrical connector.
5. Install the accessory drive belt.
6. Connect the negative battery cable.