Operation CHARM: Car repair manuals for everyone.
Manuals through 2025 now available!

Our trusted friends have launched a new website named LEMON, which has newer manuals. It also contains all the CHARM manuals.

LEMON is the spiritual successor to CHARM, I recommend you try it!

Link: lemon-manuals.la or lemon-manuals.org.ua

(Some people have issue connecting. LEMON is investigating. For now, use Firefox or change your DNS server)

Or, hide this message: temporarily or permanently

Starter Motor: Service and Repair

STARTER MOTOR REPLACEMENT

REMOVAL PROCEDURE




1. Disconnect the negative battery cable.
2. Remove the catalytic converter.
3. Remove the engine shield bolts and shield.




4. Remove the right transmission cover bolt.




5. Remove the starter bolts.
6. Reposition the starter, and remove the transmission cover and shield.
7. Position the starter down, with the terminals facing towards the front of the vehicle.




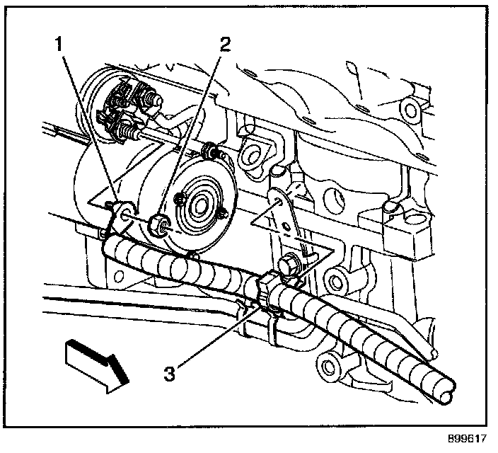
8. Remove the starter solenoid nut (2).
9. Remove the starter lead (1) from the solenoid stud.




10. Remove the starter lead nut (2).
11. Remove the positive cable (1) from the starter stud.
12. Remove the starter.

INSTALLATION PROCEDURE




1. Install the starter.
2. Position the starter down, with the terminals facing towards the front of the vehicle.
3. Install the positive cable (1) to the starter stud.

Notice: Refer to Fastener Notice in Service Precautions.

4. Install the starter lead nut (2).

Tighten
Tighten the nut to 9 N.m (80 lb in).




5. Install the starter solenoid lead (1) to the solenoid stud.
6. Install the starter solenoid nut (2).

Tighten
Tighten the nut to 3.4 N.m (30 lb in).




7. Reposition the starter and install the shield and transmission cover.
8. Slide the starter rearward.
9. Install the starter bolts.

Tighten
Tighten the bolts to 50 N.m (37 lb ft).




10. Install the right transmission cover bolt.

Tighten
Tighten the bolt to 9 N.m (80 lb in).

11. Install the catalytic converter.
12. Connect the negative battery cable.