Operation CHARM: Car repair manuals for everyone.
Manuals through 2025 now available!

Our trusted friends have launched a new website named LEMON, which has newer manuals. It also contains all the CHARM manuals.

LEMON is the spiritual successor to CHARM, I recommend you try it!

Link: lemon-manuals.la or lemon-manuals.org.ua

(Some people have issue connecting. LEMON is investigating. For now, use Firefox or change your DNS server)

Or, hide this message: temporarily or permanently

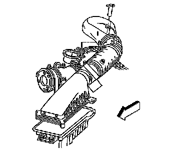
Coolant Temperature Sensor/Switch (For Computer): Service and Repair



ENGINE COOLANT TEMPERATURE (ECT) SENSOR REPLACEMENT

REMOVAL PROCEDURE

NOTE: Use care when handling the coolant sensor. Damage to the coolant sensor will affect the operation of the fuel control system.




1. Turn OFF the ignition.
2. Loosen the wing nuts on the air cleaner cover and air cleaner outlet duct.
3. Move the air intake assembly aside.




4. Drain the cooling system below the level of the engine coolant temperature (ECT) sensor. Refer to Draining and Filling Cooling System in Cooling System.




5. Disconnect the ECT sensor harness connector.
6. Remove the ECT sensor.

INSTALLATION PROCEDURE

NOTE:
- Refer to Component Fastener Tightening Notice in Service Precautions.
- Use care when handling the coolant sensor. Damage to the coolant sensor will affect the operation of the fuel control system.




1. Coat the threads (only) with GM P/N 12346004 sealer or equivalent.




2. Install the ECT sensor in the engine.

Tighten the sensor to 20 N.m (15 lb ft).

3. Connect the ECT sensor harness connector.




4. Refill the cooling system. Refer to Draining and Filling Cooling System in Cooling System.
5. Install the air cleaner outlet duct assembly and tighten the wing nuts.
6. Connect the negative battery cable.