Operation CHARM: Car repair manuals for everyone.
Manuals through 2025 now available!

Our trusted friends have launched a new website named LEMON, which has newer manuals. It also contains all the CHARM manuals.

LEMON is the spiritual successor to CHARM, I recommend you try it!

Link: lemon-manuals.la or lemon-manuals.org.ua

(Some people have issue connecting. LEMON is investigating. For now, use Firefox or change your DNS server)

Or, hide this message: temporarily or permanently

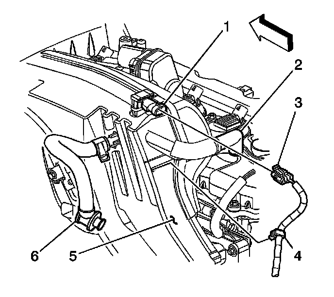
Manifold Pressure/Vacuum Sensor: Service and Repair



MANIFOLD ABSOLUTE PRESSURE (MAP) SENSOR REPLACEMENT

REMOVAL PROCEDURE




1. Disconnect the manifold absolute pressure (MAP) sensor electrical connector (3).




2. Press the retainer locking tabs inward, then pull the retainer (1) up to remove.
3. Remove the MAP sensor (2) from the intake manifold (3).
4. Inspect the MAP sensor seal for damage, and replace as necessary.

INSTALLATION PROCEDURE




1. Lightly lubricate the MAP sensor seal with clean engine oil, to aid in installation.
2. Install the MAP sensor (2) into the intake manifold (3).




3. Install the MAP sensor retainer (1).
4. Connect the MAP sensor electrical connector (3).