Operation CHARM: Car repair manuals for everyone.
Manuals through 2025 now available!

Our trusted friends have launched a new website named LEMON, which has newer manuals. It also contains all the CHARM manuals.

LEMON is the spiritual successor to CHARM, I recommend you try it!

Link: lemon-manuals.la or lemon-manuals.org.ua

(Some people have issue connecting. LEMON is investigating. For now, use Firefox or change your DNS server)

Or, hide this message: temporarily or permanently

Transmission Position Sensor/Switch: Adjustments



Park/Neutral Position Switch Adjustment

Adjustment Procedure

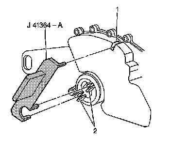
^ Tools Required
- J 41364-A Park/Neutral Position Switch Aligner





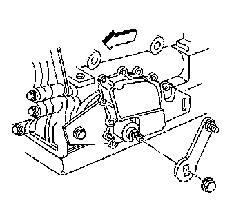
1. Raise and suitably support the vehicle.
2. Disconnect the shift control cable from the range selector lever.





3. Using a wrench on the range selector lever (in order to keep the shaft from turning), remove the range selector (shift) lever nut.
4. Remove the range selector (shift) lever.
5. Ensure that the transmission is still in neutral.





6. Loosen the park/neutral position switch mounting bolts.
7. Install the J 41364-A park/neutral position switch aligner to the park/neutral position switch.
1. Align the two lower slots on the switch (2) with the two lower tabs on the J 41364-A park/neutral position switch aligner.
2. Rotate the tool until the upper pin on the tool is lined up with the slot on the top of the switch (1).
8. Check that the transmission is still in NEUTRAL.





Notice: Install the park/neutral position switch mounting bolts.

9. Tighten the park/neutral position switch mounting bolts to 27 Nm (20 lb ft).
10. Remove the J 41364-A park/neutral position switch aligner from the switch.





11. Install the range selector (shift) lever.
12. Install the range selector (shift) lever nut.
^ Tighten the range selector (shift) lever nut (using a wrench to hold the lever in place), to 20 Nm (15 lb ft).





13. Connect the shift control cable to the range selector lever.
14. Lower the vehicle.