Operation CHARM: Car repair manuals for everyone.
Manuals through 2025 now available!

Our trusted friends have launched a new website named LEMON, which has newer manuals. It also contains all the CHARM manuals.

LEMON is the spiritual successor to CHARM, I recommend you try it!

Link: lemon-manuals.la or lemon-manuals.org.ua

(Some people have issue connecting. LEMON is investigating. For now, use Firefox or change your DNS server)

Or, hide this message: temporarily or permanently

Transmission Control Systems




Automatic Transmission Controls Schematics

Transmission Control Module (TCM) Power, Ground, Serial Data, Hold Mode Indicator Control





Master Electrical Component List
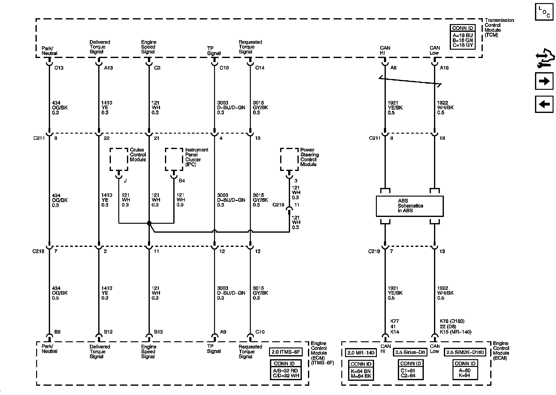
Transmission Control Module (TCM) - Engine Control Module (ECM) Communications
STOP LAMPS, HI BEAM PASSING, ECM Fuses
WPR, TCM BTSI, BCM ABS, CLSTR AUTO A/C, WSWA Fuses
WPR, TCM BTSI, BCM ABS, CLSTR AUTO A/C, WSWA Fuses
STOP LAMPS, HI BEAM PASSING, ECM Fuses
WPR, TCM BTSI, BCM ABS, CLSTR AUTO A/C, WSWA Fuses
G103 (2.0L MR140)
DLC Schematics
G103 (2.0L MR140)
G103 (2.0L MR140)
G201, G202, SP203
G201, G202, SP203

Transmission Control Module (TCM) - Engine Control Module (ECM) Communications





Master Electrical Component List
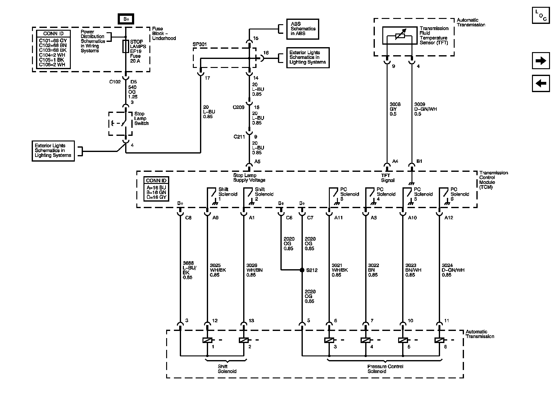
Shift and Pressure Control solenoids
Transmission Control Module (TCM) Power, Ground, Serial Data, Hold Mode Indicator Control
Serial Data, CAN Resistor, Oil Feeding Connector

Shift and Pressure Control Solenoids





Master Electrical Component List
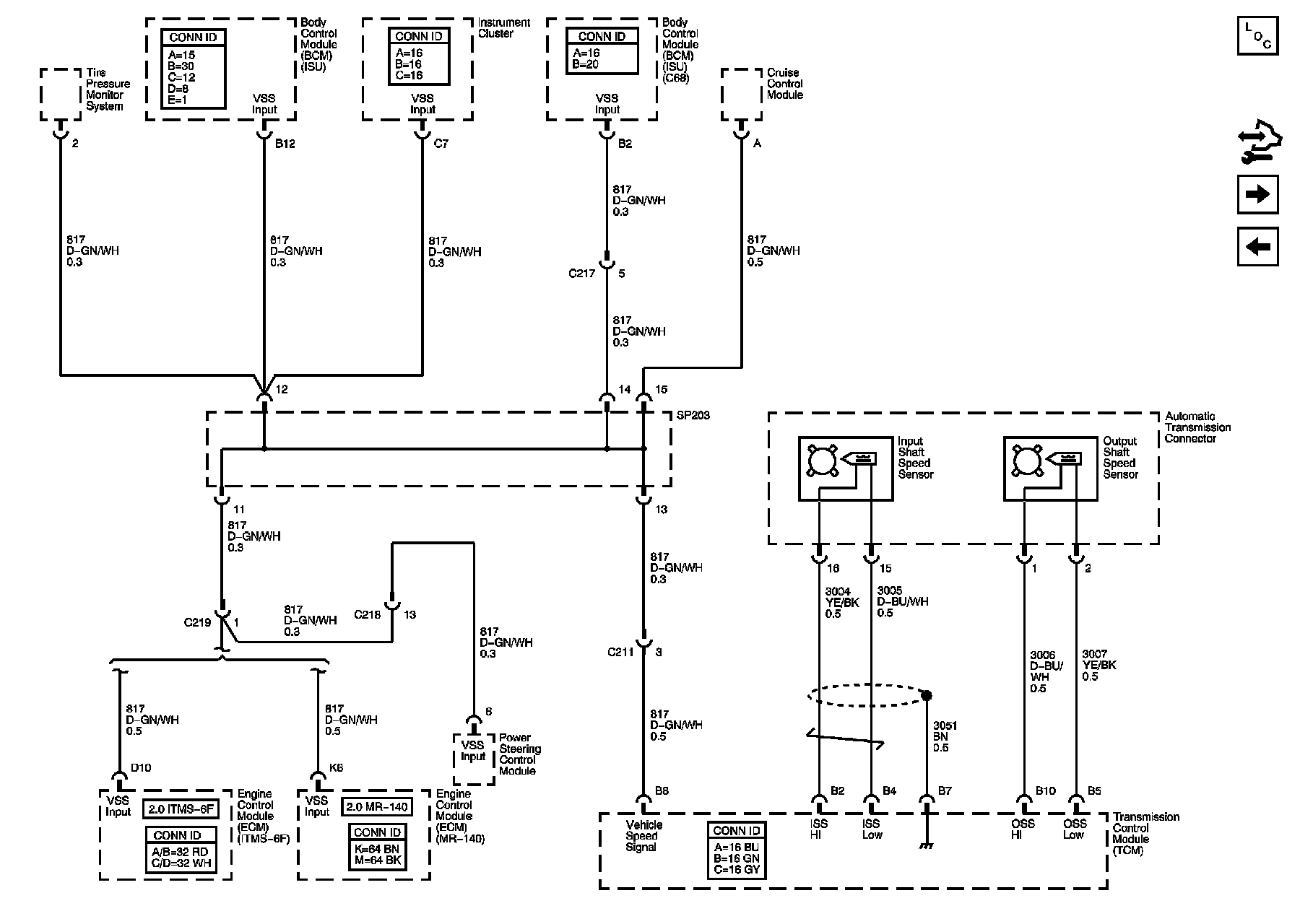
Vehicle Speed Signal
Transmission Control Module (TCM) - Engine Control Module (ECM) Communications
STOP LAMPS, HI BEAM PASSING, ECM Fuses
EBCM, Power, Ground, Indicator Lamps, Stop Lamp Switch, Traction Control Switch
Stop Lamps
Stop Lamps

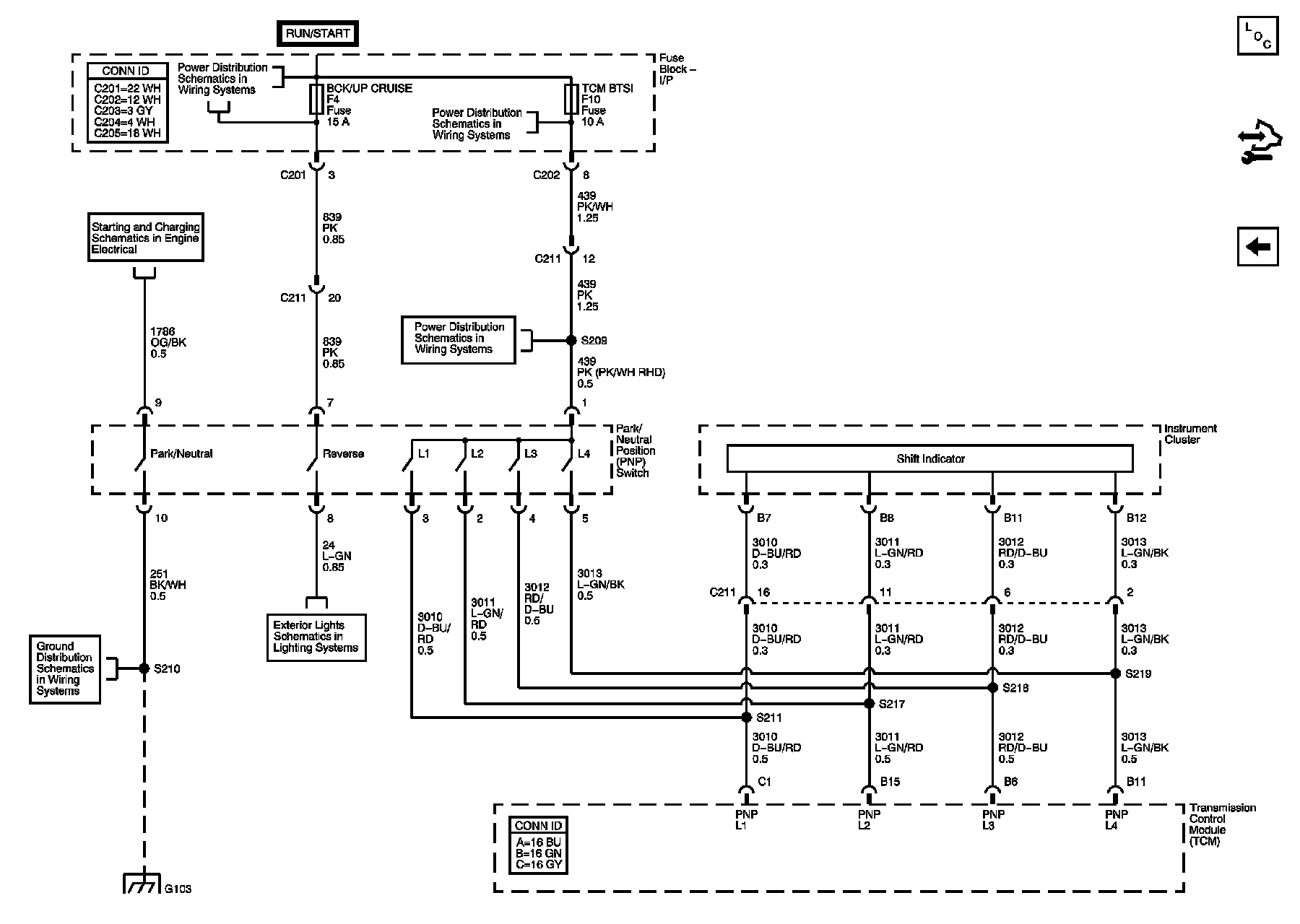
Park/Neutral Position (PNP) Switch





Master Electrical Component List
Park/Neutral Position Switch
Shift and Pressure Control solenoids

Park/Neutral Position (PNP) Switch





Master Electrical Component List
Vehicle Speed Signal
IGN 1, Fuse, Ignition Switch, I/P Fuse Block, - LTR, HTD SEAT, CLK, RADIO, AIR BAG, BCK/UP, CRUISE, ECM Fuses
WPR, TCM BTSI, BCM ABS, CLSTR AUTO A/C, WSWA Fuses
Starting System
WPR, TCM BTSI, BCM ABS, CLSTR AUTO A/C, WSWA Fuses
G103 (2.0L MR140)
Backup Lamps
G103 (2.0L MR140)