Operation CHARM: Car repair manuals for everyone.
Manuals through 2025 now available!

Our trusted friends have launched a new website named LEMON, which has newer manuals. It also contains all the CHARM manuals.

LEMON is the spiritual successor to CHARM, I recommend you try it!

Link: lemon-manuals.la or lemon-manuals.org.ua

(Some people have issue connecting. LEMON is investigating. For now, use Firefox or change your DNS server)

Or, hide this message: temporarily or permanently

Windows




Power Window Schematics

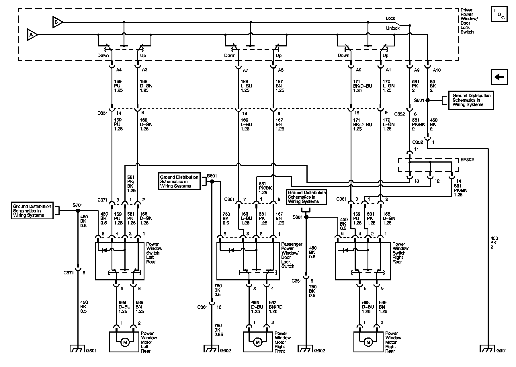
Power Window Schematics (1 of 2)





Master Electrical Component List
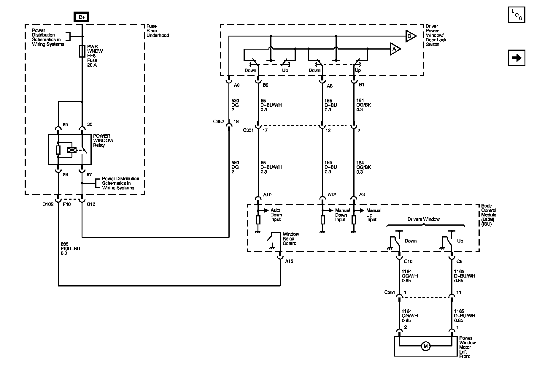
Power Window Schematics (2 of 2)
FOG LAMPS, PWR WNDW, PWR MIR, HORN Fuses
FOG LAMPS, PWR WNDW, PWR MIR, HORN Fuses

Power Window Schematics (2 of 2)





Master Electrical Component List
Power Window Schematics (1 of 2)
G301
G302
G302
G301
G301
G302
G302
G301