Operation CHARM: Car repair manuals for everyone.
Manuals through 2025 now available!

Our trusted friends have launched a new website named LEMON, which has newer manuals. It also contains all the CHARM manuals.

LEMON is the spiritual successor to CHARM, I recommend you try it!

Link: lemon-manuals.la or lemon-manuals.org.ua

(Some people have issue connecting. LEMON is investigating. For now, use Firefox or change your DNS server)

Or, hide this message: temporarily or permanently

Vehicle Lifting: Service and Repair




Lifting and Jacking the Vehicle

Caution:
To avoid any vehicle damage, serious personal injury or death when major components are removed from the vehicle and the vehicle is supported by a hoist, support the vehicle with jack stands at the opposite end from which the components are being removed and strap the vehicle to the hoist.

Notice:
Refer to Vehicle Lifting and Jacking Notice Vehicle Lifting and Jacking Notice.

Important:
On vehicles equipped with rocker panel moldings, the rocker panel molding lower covers MUST be removed prior to lifting.


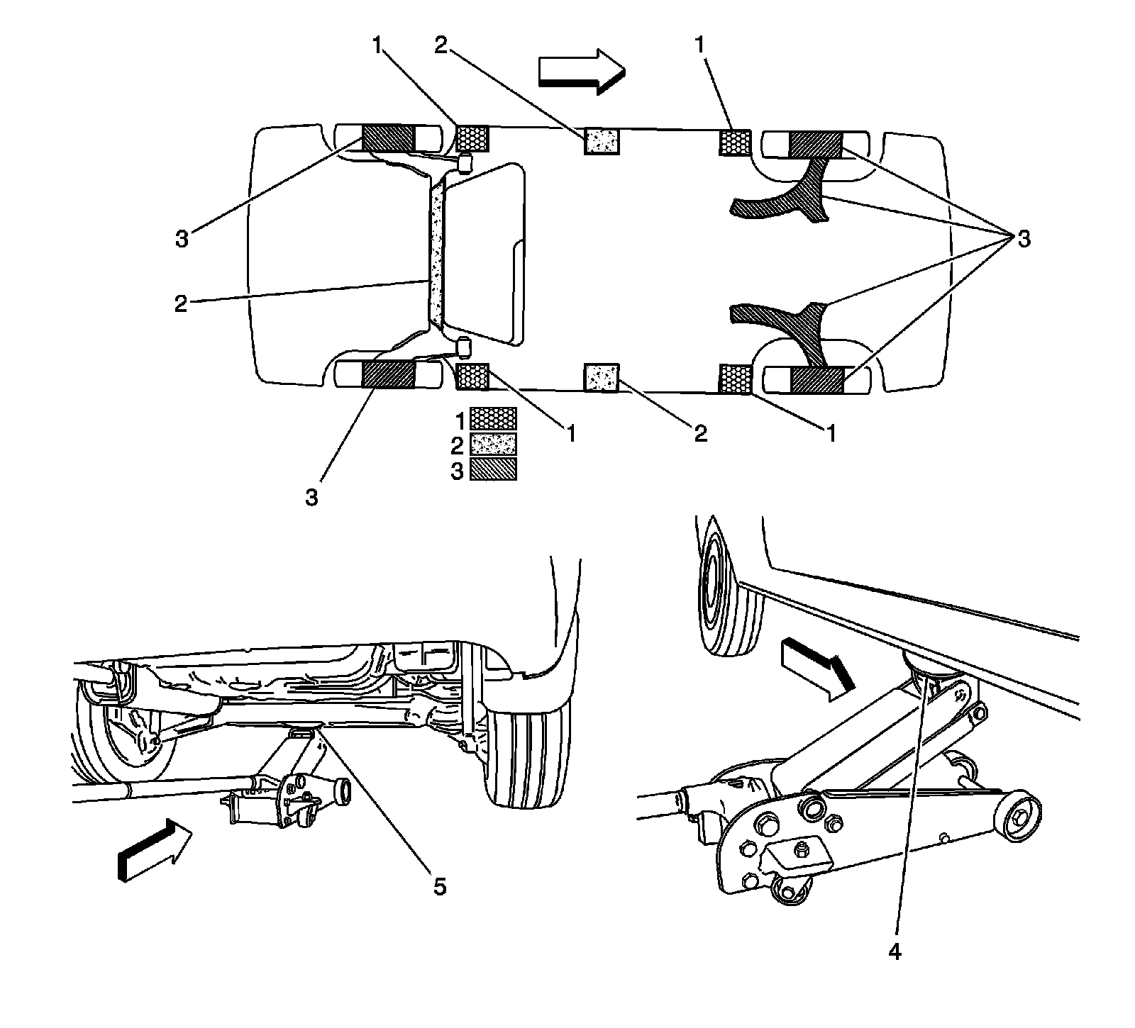
Vehicle Lifting Points

Lifting Points





1 - Frame Contact Hoist

1 - Frame Contact Hoist

1 - Frame Contact Hoist

1 - Frame Contact Hoist

2 - Floor Jack

2 - Floor Jack

2 - Floor Jack

3 - Suspension Contact Hoist

3 - Suspension Contact Hoist

3 - Suspension Contact Hoist

4 - Center Rocker Lift Point (Left Hand/Right Hand)

5 - Rear Suspension Axle Lift Point

Hoist Location





1 - Frame Contact Hoist- Rearward of Front Tire

2 - Suspension Contact Hoist- Under Front Lower Control Arm

3 - Suspension Contact Hoist- Lifting on Rear Axle

4 - Frame Contact Hoist- Forward of Rear Tire