Operation CHARM: Car repair manuals for everyone.
Manuals through 2025 now available!

Our trusted friends have launched a new website named LEMON, which has newer manuals. It also contains all the CHARM manuals.

LEMON is the spiritual successor to CHARM, I recommend you try it!

Link: lemon-manuals.la or lemon-manuals.org.ua

(Some people have issue connecting. LEMON is investigating. For now, use Firefox or change your DNS server)

Or, hide this message: temporarily or permanently

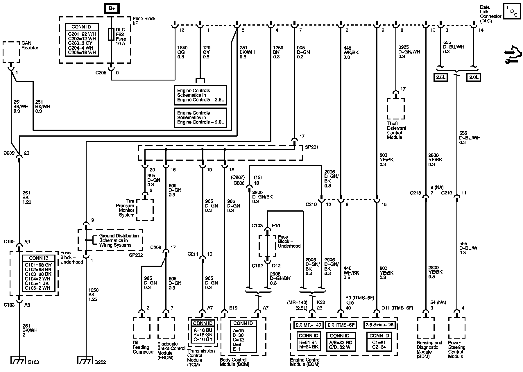
Data Link Connector Schematics




Data Link Connector Schematics





Master Electrical Component List
ECM Power and Ground, Serial Data, Malfunction Indicator Control
ECM Power and Ground, Serial Data, Malfunction Indicator Control
G202, SP202
G202, SP202
G103 (2.0L MR140)