Engine Controls Schematics
Engine Controls Schematics
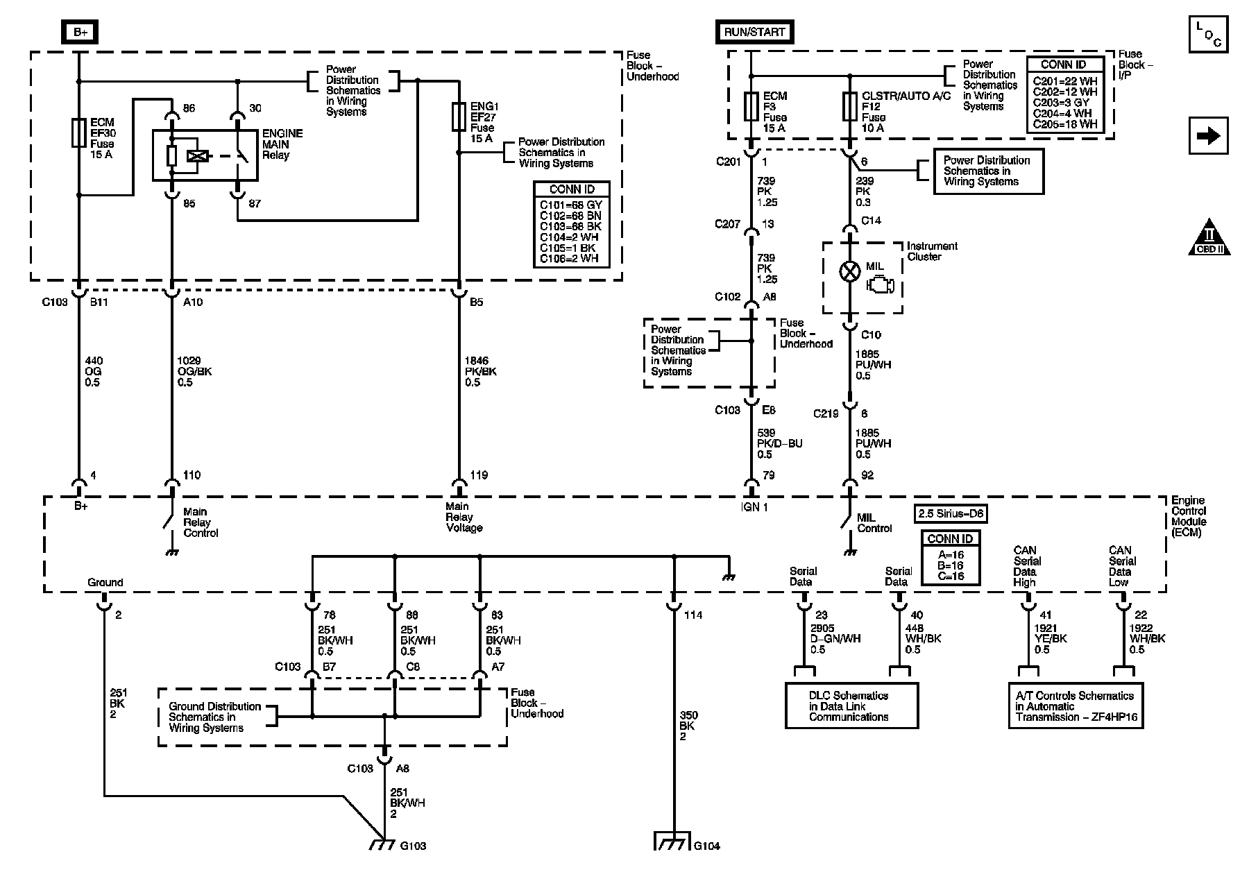
Engine Control Module (ECM) Power, Ground, Serial Data, MIL
Master Electrical Component List
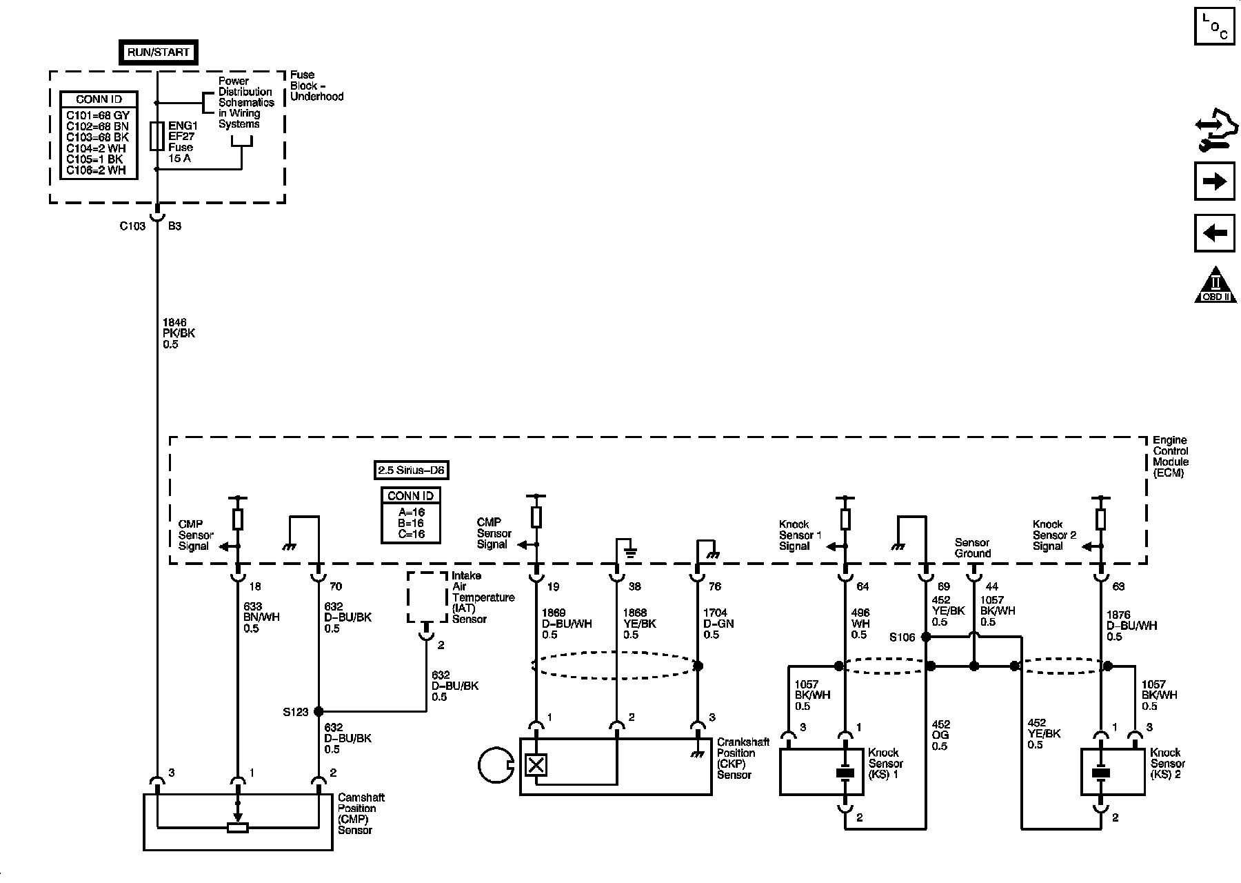
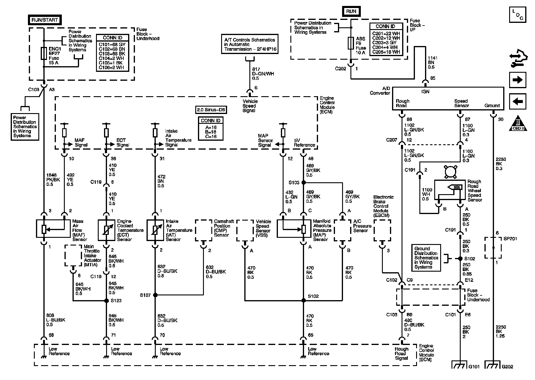
MAF, CMP, ECT, TP, MAP, IAT, Rough Road Wheel Speed Sensors
Engine Controls Schematic Icons
STOP LAMPS, HI BEAM PASSING, ECM Fuses
ENG 1, COOL FAN HIGH, COOL FAN LOW Fuses
IGN 1, Fuse, Ignition Switch, I/P Fuse Block, - LTR, HTD SEAT, CLK, RADIO, AIR BAG, BCK/UP, CRUISE, ECM Fuses
WPR, TCM BTSI, BCM ABS, CLSTR AUTO A/C, WSWA Fuses
IGN 1, Fuse, Ignition Switch, I/P Fuse Block, - LTR, HTD SEAT, CLK, RADIO, AIR BAG, BCK/UP, CRUISE, ECM Fuses
G103 (2.5L)
DLC Schematics
WPR, TCM BTSI, BCM ABS, CLSTR AUTO A/C, WSWA Fuses
G104 (2.5L)
MAF, ECT, IAT, MAP, Rough Road Wheel Speed Sensors
Master Electrical Component List
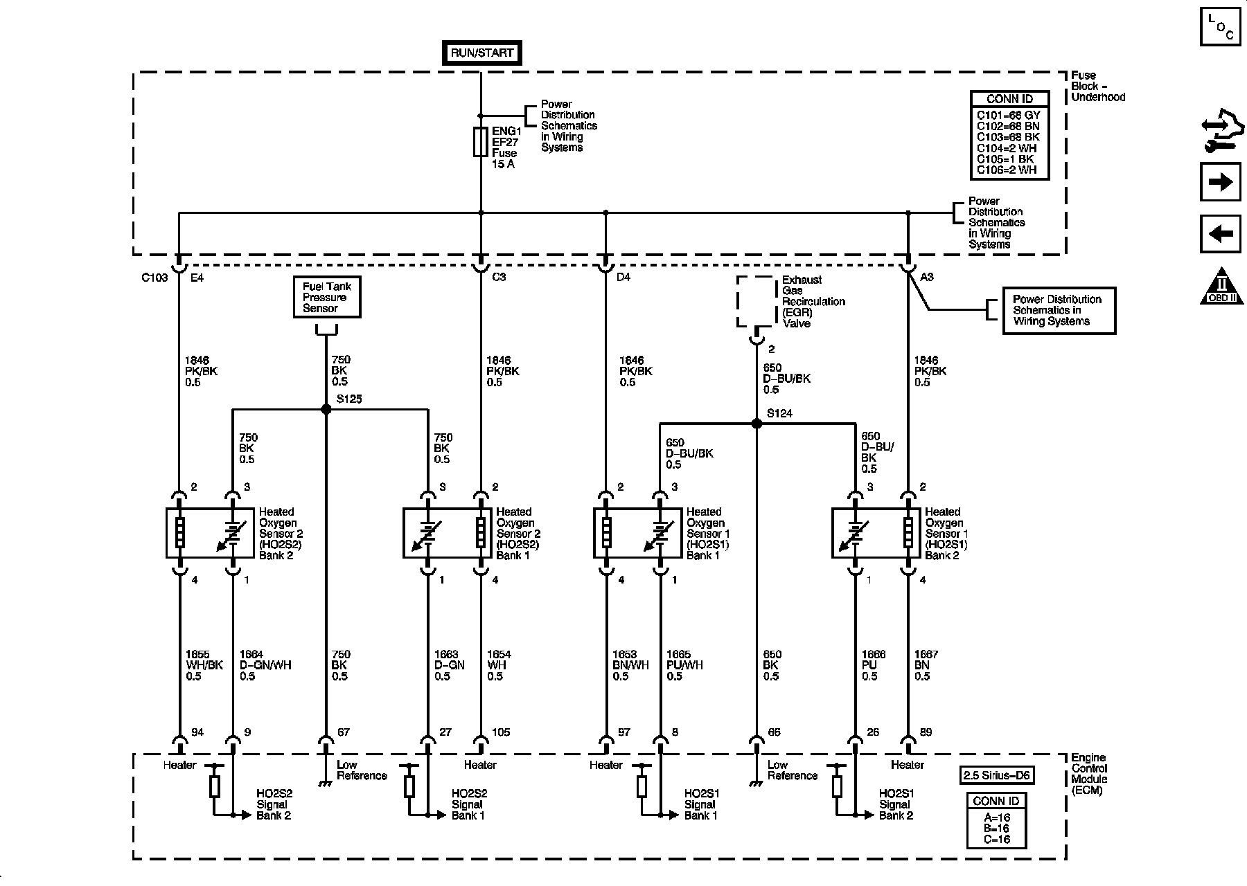
Heated Oxygen Sensors
ECM Power and Ground, Serial Data, Malfunction Indicator Control
Engine Controls Schematic Icons
IGN 2 Fuse, Ignition Switch, I/P Fuse Block - AUTO A/C BCM, HVAC EPS, TPMS, ABS, HTD MIR FusesIGN 2 Fuse, Ignition Switch, I/P Fuse Block - AUTO A/C BCM, HVAC EPS, TPMS, ABS, HTD MIR Fuses
ENG 1, COOL FAN HIGH, COOL FAN LOW Fuses
Vehicle Speed Signal
ENG 1, COOL FAN HIGH, COOL FAN LOW Fuses
G101
G101
G102
Heated Oxygen Sensors
Master Electrical Component List
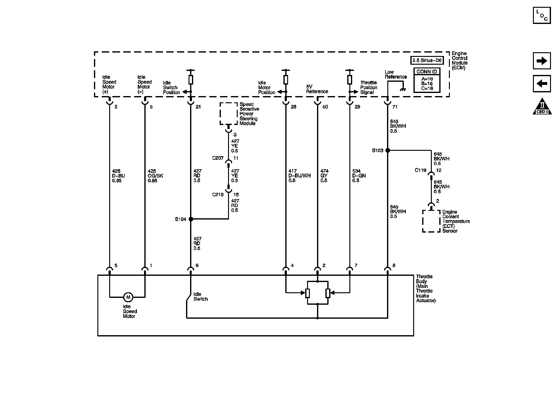
Main Throttle Intake Actuator
MAF, CMP, ECT, TP, MAP, IAT, Rough Road Wheel Speed Sensors
Engine Controls Schematic Icons
EVAP Vent and Purge Valves, EGR Valve, Intake Manifold Tuning valve, FTP Sensor
ENG 1, COOL FAN HIGH, COOL FAN LOW Fuses
ENG 1, COOL FAN HIGH, COOL FAN LOW Fuses
Link target Object 1376597 does not exist in this publication.
ENG 1, COOL FAN HIGH, COOL FAN LOW Fuses
Main Throttle Intake Actuator
Master Electrical Component List
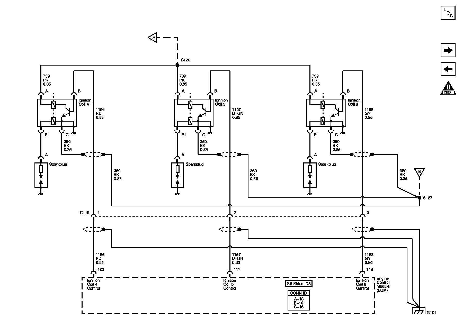
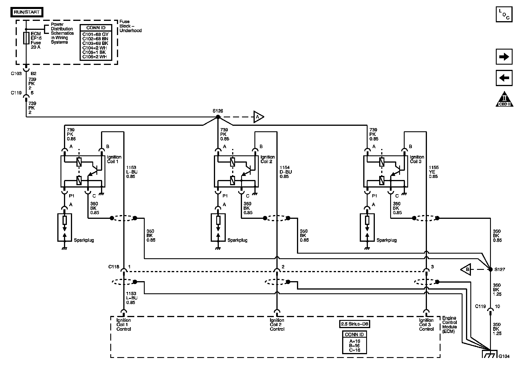
Ignition Coils (1 of 2)
Heated Oxygen Sensors
Engine Controls Schematic Icons
Ignition Coils (1 of 2)
Master Electrical Component List
Ignition Coils (2 of 2)
Main Throttle Intake Actuator
Engine Controls Schematic Icons
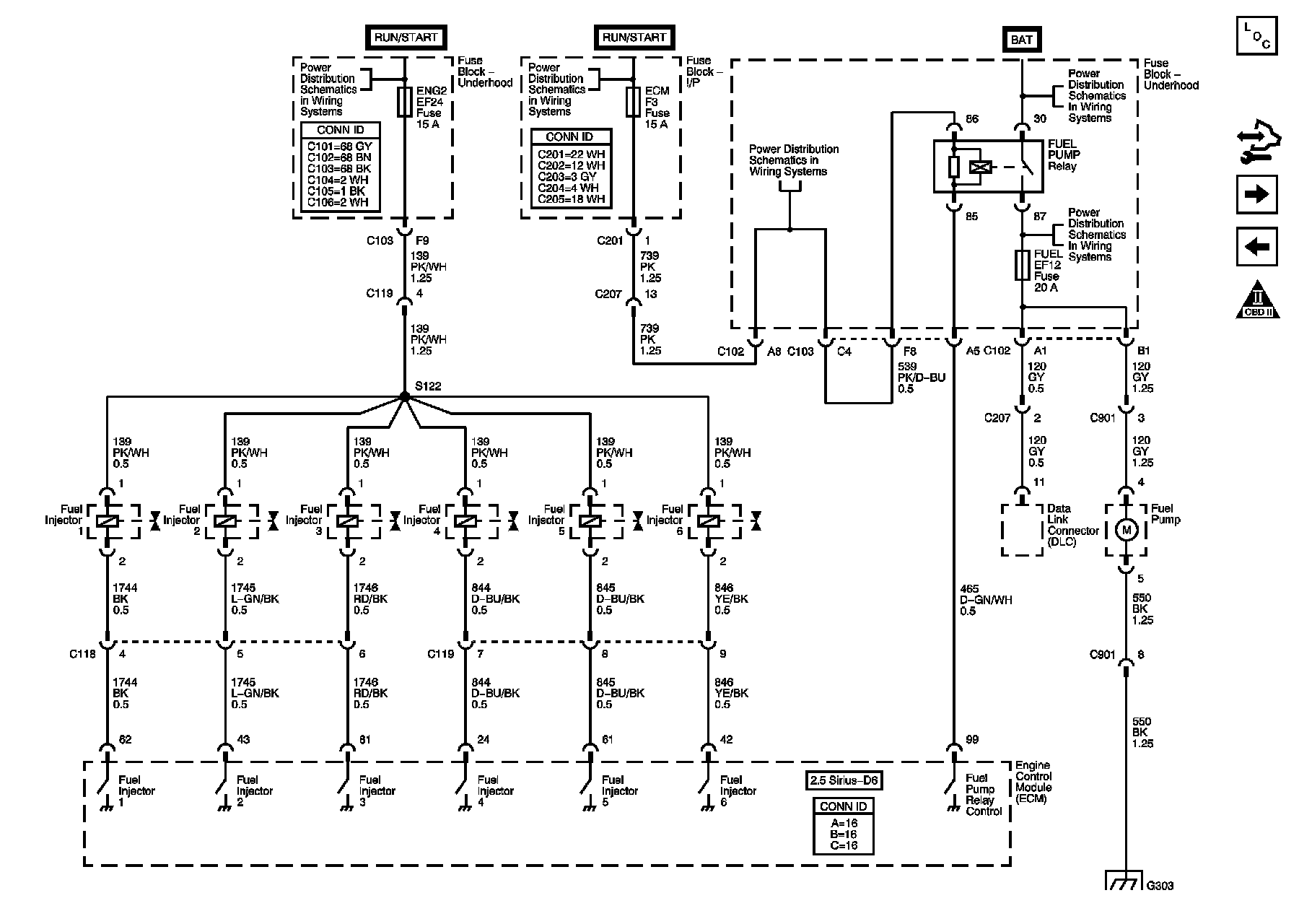
Fuel Pump Relay, FUEL, ECM Fuses
G104 (2.5L)
Ignition Coils (2 of 2)
Master Electrical Component List
CKP, CMP, Knock Sensors
Ignition Coils (1 of 2)
Engine Controls Schematic Icons
G104 (2.5L)
CMP, CKP, Knock Sensors
Master Electrical Component List
Link target Object 1376596 does not exist in this publication.
Link target Object 1507703 does not exist in this publication.
Engine Controls Schematic Icons
ENG 1, COOL FAN HIGH, COOL FAN LOW Fuses
Fuel Pump and Injectors
Master Electrical Component List
EVAP Vent and Purge Valves, EGR Valve, Intake Manifold Tuning valve, FTP Sensor
CKP, CMP, Knock Sensors
Engine Controls Schematic Icons
ENG MAIN Relay, ECM, ENG 2 Fuses (2.0L)
IGN 1, Fuse, Ignition Switch, I/P Fuse Block, - LTR, HTD SEAT, CLK, RADIO, AIR BAG, BCK/UP, CRUISE, ECM Fuses
Fuse Block - Underhood Bussing (1 of 2)
Fuel Pump Relay, FUEL, ECM Fuses
Fuse Block - Underhood Bussing (1 of 2)
G303
EVAP Vent and Purge Valves, EGR Valve, Intake Manifold Tuning Valve, FTP Sensor
Master Electrical Component List
Controlled/Monitored Subsystem References
Fuel Pump and Injectors
Engine Controls Schematic Icons
ENG 1, COOL FAN HIGH, COOL FAN LOW Fuses
ENG MAIN Relay, ECM, ENG 2 Fuses (2.5L)
Heated Oxygen Sensors
Heated Oxygen Sensors
Controlled/Monitored Subsystem References
Master Electrical Component List
EVAP Vent and Purge Valves, EGR Valve, Intake Manifold Tuning valve, FTP Sensor
Engine Controls Schematic Icons
Automatic Transmission Shift Lock Control 2.0L
Engine Cooling Schematics
Blower Controls
Blower Controls