Operation CHARM: Car repair manuals for everyone.
Manuals through 2025 now available!

Our trusted friends have launched a new website named LEMON, which has newer manuals. It also contains all the CHARM manuals.

LEMON is the spiritual successor to CHARM, I recommend you try it!

Link: lemon-manuals.la or lemon-manuals.org.ua

(Some people have issue connecting. LEMON is investigating. For now, use Firefox or change your DNS server)

Or, hide this message: temporarily or permanently

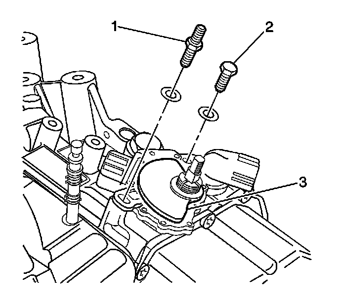
Transmission Position Sensor/Switch: Adjustments



Transaxle Range Switch Adjustment

^ Tools Required
- J 36346 Fascia Retainer Remover
- J 45404 Transmission Indicator Alignment Tool

1. Remove the battery tray.
2. Shift the transaxle into neutral (N) position.





3. Using the Fascia Retainer Remover J 36346 , remove the shift control cable from the transaxle range switch lever.





4. Loosen the transaxle range switch bolt (2) and stud (1).





5. Install the J 45404 to the manual shaft and rotate the transaxle range switch until the neutral base line on the switch lines up with the indicator line on the J 45404 .

6. Notice: Refer to Fastener Notice in Service Precautions.

Tighten the transaxle range switch bolt and stud.
^ Tighten the bolt and stud to 25 Nm (18 ft. lbs.).
7. Remove the J 45404 from the manual shaft.
8. Install the shift control cable to the transaxle range switch lever.
9. Install the battery tray.
10. After adjusting the transaxle range switch, verify the engine only starts in park (P) or neutral (N). If the engine starts in any other position, readjust the switch.