Operation CHARM: Car repair manuals for everyone.
Manuals through 2025 now available!

Our trusted friends have launched a new website named LEMON, which has newer manuals. It also contains all the CHARM manuals.

LEMON is the spiritual successor to CHARM, I recommend you try it!

Link: lemon-manuals.la or lemon-manuals.org.ua

(Some people have issue connecting. LEMON is investigating. For now, use Firefox or change your DNS server)

Or, hide this message: temporarily or permanently

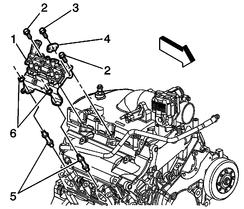
Ignition Control Module Bracket Replacement



IGNITION CONTROL MODULE BRACKET REPLACEMENT

REMOVAL PROCEDURE




1. Remove the injector sight shield.
2. Disconnect the ignition coil/control module electrical connectors.
3. Remove the spark plug wire retainer (1) from the ignition control module bracket.
4. Remove the 4 bolts securing the ignition coil/control module to the ignition control module bracket.
5. Position the ignition coil/control module aside out of the way.
6. Remove the bolt (3) from the fuel injector wire harness bracket (4) and positive crankcase ventilation (PCV) valve fresh air tube retainer.




7. Remove the engine wire harness retainers from the ignition control module bracket studs (5).
8. Remove the nut (1) retaining the heater outlet pipe.




9. Lift pipe up slightly to gain access for the removal of the 2 ignition control module bracket bolts.
10. Remove the ignition control module bracket bolts (2).
11. Remove the ignition control module bracket nuts (6).
12. Remove the ignition control module bracket.

INSTALLATION PROCEDURE




1. Install the ignition control module bracket.
2. Install the ignition control module bracket nuts (6).

NOTE: Refer to Fastener Notice in Service Precautions.

Tighten
Tighten the nuts to 25 N.m (18 lb ft).




3. Install the ignition control module bracket bolts (2).

Tighten
Tighten the bolts to 25 N.m (18 lb ft).




4. Install the nut (1) retaining the heater outlet pipe.

Tighten
Tighten the nut to 25 N.m (18 lb ft).

5. Install the engine wire harness retainers to the ignition control module bracket studs (5).
6. Install the bolt (3) from the fuel injector wire harness bracket (4) and PCV valve fresh air tube retainer.

Tighten
Tighten the bolts to 5 N.m (44 lb in).

7. Install the ignition coil/control module to the ignition control module bracket.
8. Install the 4 bolts securing the ignition coil/control module to the ignition control module bracket.

Tighten
Tighten the bolts to 4.5 N.m (40 lb in).

9. Install the spark plug wire retainer (1) to the ignition control module bracket.
10. Connect the ignition coil/control module electrical connectors.
11. Install the injector sight shield.