Operation CHARM: Car repair manuals for everyone.
Manuals through 2025 now available!

Our trusted friends have launched a new website named LEMON, which has newer manuals. It also contains all the CHARM manuals.

LEMON is the spiritual successor to CHARM, I recommend you try it!

Link: lemon-manuals.la or lemon-manuals.org.ua

(Some people have issue connecting. LEMON is investigating. For now, use Firefox or change your DNS server)

Or, hide this message: temporarily or permanently

Front

BRAKE ROTOR REPLACEMENT - FRONT

Tools Required
^ J41013 Rotor Resurfacing Kit
^ J 42450-A Wheel Hub Resurfacing Kit


Removal Procedure





1. Raise and support the vehicle. Refer to Lifting and Jacking the Vehicle.
2. Remove the tire and wheel assembly.
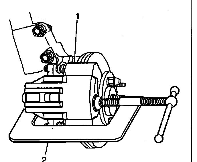
3. Install a C-clamp (2) over the body of the brake caliper, with the C-clamp ends against the rear of the caliper body and the outboard disc brake pad.
4. Using the C-clamp (2), compress the piston into the caliper bore lust enough to allow the caliper (1) to slide away from the rotor.
5. Remove the C-clamp (2).







Notice: Support the brake caliper with heavy mechanic's wire, or equivalent, whenever it is separated from it's mount and the hydraulic flexible brake hose is still connected. Failure to support the caliper in this manner will cause the flexible brake hose to bear the weight of the caliper, which may cause damage to the brake hose and in turn may cause a brake fluid leak.

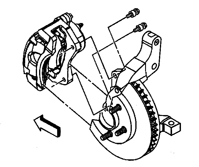
6. Remove the caliper bracket bolts. Do not disconnect the brake flexible hose bolt. Remove the brake caliper and the caliper mounting bracket as an assembly (1) from the suspension knuckle and support the assembly with heavy mechanic's wire (2), or equivalent. Ensure that there is no tension on the hydraulic brake flexible hose. Refer to Brake Caliper Bracket Replacement Front on page 5-83.






7. Matchmark the position of the brake rotor (1) to the wheel studs.
8. Remove the brake rotor (1).


Installation Procedure

Important: Whenever the brake rotor has been separated from the hub/axle flange, any rust or contaminants should be cleaned from the hub/axle flange and the brake rotor mating surfaces. Failure to do this may result in excessive assembled lateral runout (LRO) of the brake rotor, which could lead to brake pulsation.






1. Using the J 42450-A, thoroughly clean any rust or corrosion from the mating surface of the hub/axle flange (2).
2. Using the J41013, thoroughly clean any rust or corrosion from the mating surface and mounting surface of the brake rotor (1).
3. Inspect the mating surfaces of the hub/axle flange and the rotor to ensure that there are no foreign particles or debris remaining.
4. Install the brake rotor to the hub/axle flange. Use the matchmark made prior to removal for proper orientation to the flange.
5. If the brake rotor was removed and installed as part of a brake system repair, measure the assembled lateral runout (LRO) of the brake rotor to ensure optimum performance of the disc brakes. Refer to Brake Rotor Assembled Lateral Runout (LRO) Measurement.
6. If the brake rotor assembled LRO measurement exceeds the specification, bring the LRO to within specifications. Refer to Brake Rotor Assembled Lateral Runout (LRO) Correction.






7. Install the brake caliper and the brake caliper bracket as an assembly to the suspension knuckle. Refer to Brake Caliper Bracket Replacement - Front.
8. Install the tire and wheel assembly.
9. Lower the vehicle.
10. If the brake rotor was refinished or replaced, or if new brake pads were installed, burnish the pads and rotors. Refer to Burnishing Pads and Rotors.
Burnishing Pads and Rotors