Operation CHARM: Car repair manuals for everyone.
Manuals through 2025 now available!

Our trusted friends have launched a new website named LEMON, which has newer manuals. It also contains all the CHARM manuals.

LEMON is the spiritual successor to CHARM, I recommend you try it!

Link: lemon-manuals.la or lemon-manuals.org.ua

(Some people have issue connecting. LEMON is investigating. For now, use Firefox or change your DNS server)

Or, hide this message: temporarily or permanently

Housing Assembly HVAC: Service and Repair



HVAC MODULE ASSEMBLY REPLACEMENT

TOOLS REQUIRED
- J 39400-A Halogen Leak Detector
- J 38185 Hose Clamp Pliers

REMOVAL PROCEDURE
1. Disconnect the battery negative cable.

CAUTION: Refer to Battery Disconnect Caution in Service Precautions.

2. Recover the refrigerant. Refer to Refrigerant Recovery and Recharging.
3. Drain the cooling system. Refer to Draining and Filling Cooling System in Cooling System.




4. Use J 38185 in order to position aside the heater hose inlet and outlet clamp at the heater core.
5. Disconnect the inlet and outlet heater hose from the heater core.




6. Remove the evaporator tube to TXV block fitting nut (1).
7. Disconnect the evaporator tube from the TXV.
8. Remove and discard the seal washers.
9. Remove the I/P lower trim panel.




10. Remove the retaining screw (1) from the panel air duct.
11. Remove the retaining bolts from the panel air duct.
12. Remove the panel air duct from the cross vehicle beam.




13. Remove the retaining bolts from the right air duct.
14. Remove the right air duct from the cross vehicle beam.
15. Remove the bolts from the left side fuse block to cross vehicle beam.
16. Remove the left side fuse block wire harness from the cross vehicle beam.
17. Position the left side fuse block aside.
18. Disconnect the wire harness connectors from the body control module.
19. Disconnect the body control module from the cross vehicle beam.
20. Remove the body control module from the vehicle.
21. Disconnect any ground wires, as necessary.
22. Remove the bolt from the right side fuse block to cross vehicle beam.
23. Remove the right side fuse block wire harness from the cross vehicle beam.
24. Position the right side fuse block aside.
25. Remove the brake pedal.
26. Remove the 3 bolts from the brake pedal bracket to cross vehicle beam.
27. Disconnect the electrical connector from the HVAC module assembly to main wire harness connector.
28. Release the wiring harness retaining clips from the cross vehicle beam and position the wiring harness aside.




29. Remove the bolts from the HVAC module assembly upper support.




30. Remove the bolt (1) from the HVAC module assembly lower support.
31. Remove the bolt (2) from the the HVAC module assembly lower support.




32. Remove the bolts from the right and left side of the cross vehicle beam.




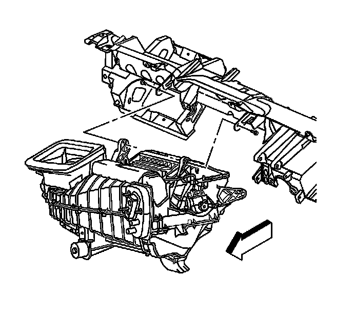
33. Remove the cross vehicle beam.




34. Remove the evaporator drain elbow.




35. Remove the nuts which secure the HVAC module assembly to the dash.
36. Remove the HVAC module assembly:
1. Pull the HVAC module assembly rearward to disengage the mounting studs from the dash panel.
2. Position aside the dash insulator pad from the recirculation opening of the HVAC module assembly.
3. Roll the HVAC module assembly downward and rearward to disconnect the heater core outlet cover from the rear floor air outlet duct.
4. Remove the HVAC module assembly.




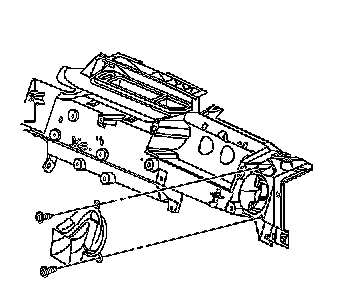
37. Remove and discard all of the seals (1,2,3) from the outer HVAC module assembly.

INSTALLATION PROCEDURE




1. Install new seals (1,2,3) to the outer HVAC module assembly.
2. Install the HVAC module assembly into the vehicle:
1. Align the heater core outlet cover to the rear floor air outlet duct.
2. Roll the HVAC module assembly forward and upward and align the dash insulator pad to the recirculation opening of the HVAC module assembly.
3. Align the mounting studs and the drain on the HVAC module assembly to seat against the dash panel.

IMPORTANT: When installing the HVAC control module, ensure that the dash insulator pad cut-outs and the HVAC seals, studs, and drain align and seal properly to the dash panel.




3. Install the nuts which secure the HVAC module assembly to the dash.

NOTE: Refer to Fastener Notice in Service Precautions.

Tighten the nuts to 10 N.m (89 lb in).




4. Install the evaporator drain elbow.




5. Install the cross vehicle beam to the vehicle.




6. Install the bolts to the right and left side of the cross vehicle beam.
7. Tighten the bolts to the right and left side of the cross vehicle beam in sequence.

Tighten the bolts to 25 N.m (18 lb ft).




8. Install the bolts to the HVAC module assembly upper support.

Tighten the bolts to 4 N.m (35 lb in).




9. Install the bolt to the HVAC module assembly lower support (1).

Tighten the bolt to 4 N.m (35 lb in).

10. Install the bolt to the HVAC module assembly lower support (2).

Tighten the bolt to 4 N.m (35 lb in).

11. Reposition the I/P wiring harness on to the cross vehicle beam and secure the retaining clips.
12. Connect the electrical connector from the HVAC module assembly to main wire harness connector.
13. Install the 3 bolts through the brake pedal bracket to the cross vehicle beam.

Tighten the bolts to 50 N.m (37 lb ft).

14. Install the brake pedal.
15. Connect all disconnected ground wires.
16. Install the body control module to the cross vehicle beam.
17. Connect the wire harness connectors to the body control module.
18. Install the left side fuse block to the cross vehicle beam.
19. Install the bolts to the left side fuse block.

Tighten the bolts to 10 N.m (89 in lb).

20. Install the right side fuse block to the cross vehicle beam.
21. Install the bolt to the right side fuse block.

Tighten the bolt to 10 N.m (89 in lb).




22. Install the right air duct to the cross vehicle beam.
23. Install the right air duct bolts.

Tighten the bolts to 10 N.m (89 lb in).




24. Install the panel air duct to the cross vehicle beam.
25. Install the panel air duct screw (1).

Tighten the screw to 1.8 N.m (16 lb in).

26. Install the panel air duct bolts.

Tighten the bolts to 10 N.m (89 lb in).

27. Install the I/P lower trim panel.
28. Install new seal washers on the evaporator tube.




29. Connect the evaporator tube to the TXV.
30. Install the evaporator tube to TXV block fitting nut (1).

Tighten the nut to 27 N.m (20 lb ft).




31. Connect the inlet and outlet heater hose to the heater core.

IMPORTANT: Reposition the heater core hose clamps in the indicated location.

32. Use J 38185 in order to reposition the heater hose inlet and outlet clamp to the heater core.
33. Fill the cooling system. Refer to Draining and Filling Cooling System in Cooling System.
34. Evacuate and recharge the A/C system. Refer to Refrigerant Recovery and Recharging.
35. Connect the battery negative cable.
36. Leak test the fittings of the component using J 39400-A.