Operation CHARM: Car repair manuals for everyone.
Manuals through 2025 now available!

Our trusted friends have launched a new website named LEMON, which has newer manuals. It also contains all the CHARM manuals.

LEMON is the spiritual successor to CHARM, I recommend you try it!

Link: lemon-manuals.la or lemon-manuals.org.ua

(Some people have issue connecting. LEMON is investigating. For now, use Firefox or change your DNS server)

Or, hide this message: temporarily or permanently

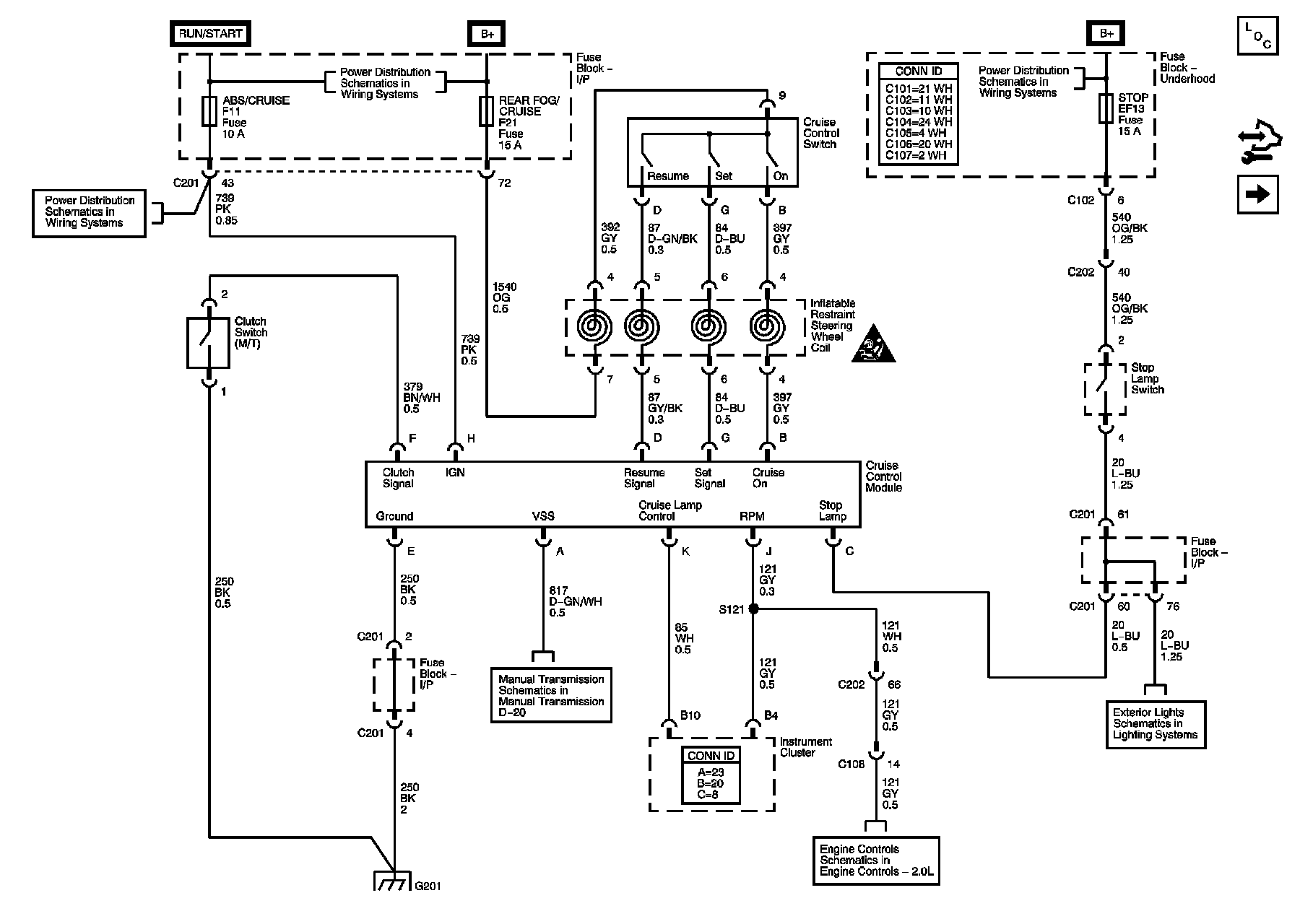
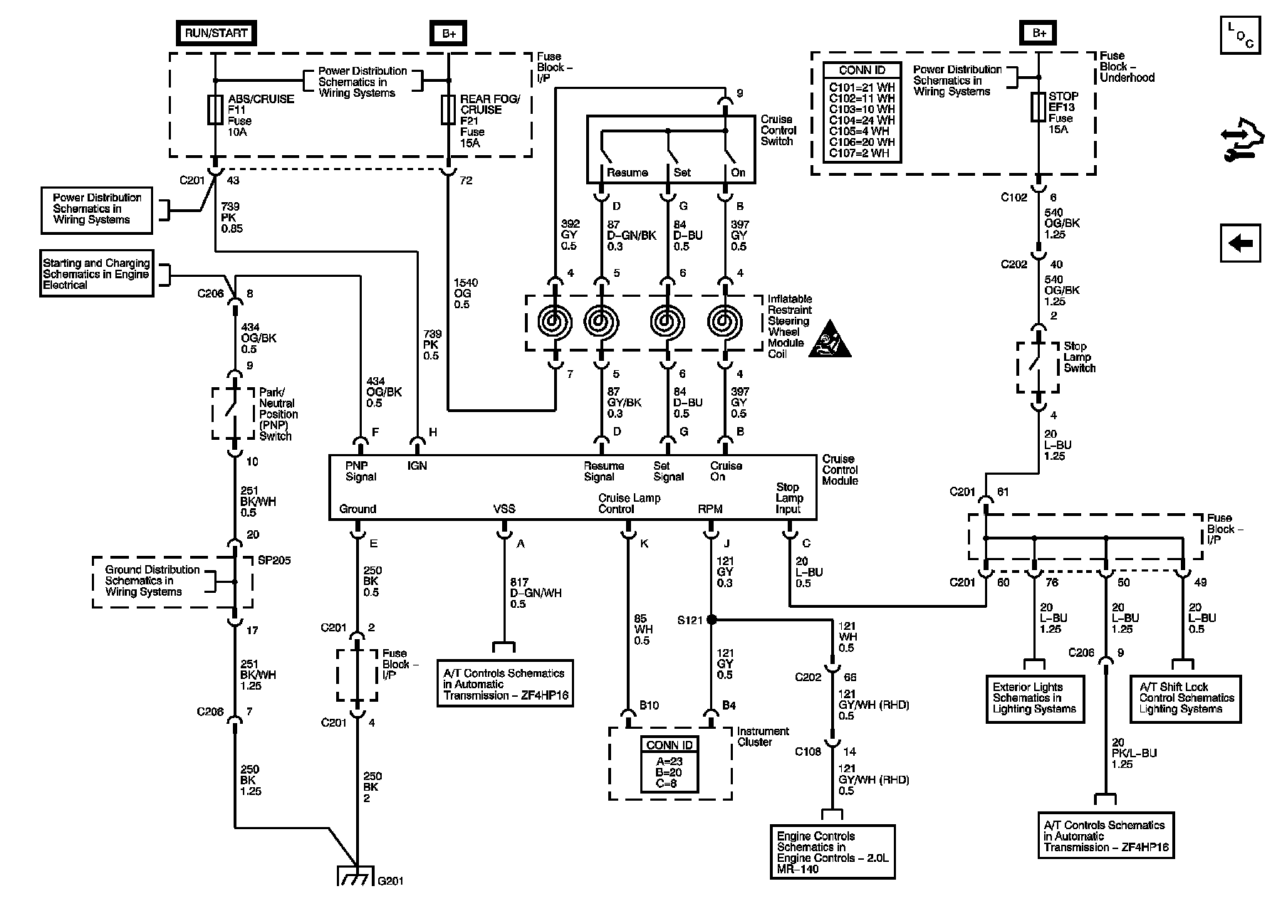
Cruise Control Schematics




Cruise Control Schematics

Manual Transmission





Master Electrical Component List
Automatic Transmission
I/P Fuse Block ABS IMMOBILIZER, WRP, and TRN SIG LAMPS Fuses
Underhood Fuse Block BATT PWR, IGN 1 and IGN 2 Fuses, Ignition Switch, I/P Fuse Block - RADIO, IMMOBILIZER, DLC, AUTO A/C, HAZARD LAMPS, RKE, TCM, REAR
Underhood Fuse Block IP FUSE, DR/LOCK and STOP LAMP Fuses
I/P Fuse Block ABS IMMOBILIZER, WRP, and TRN SIG LAMPS Fuses
Manual Transmission Schematics - D20
Stop Lamps Notchback
Stop Lamps Hatchback
G201 (2 of 2)
Ignition System

Automatic Transmission





Master Electrical Component List
Manual Transmission
I/P Fuse Block ABS IMMOBILIZER, WRP, and TRN SIG LAMPS Fuses
Underhood Fuse Block BATT PWR, IGN 1 and IGN 2 Fuses, Ignition Switch, I/P Fuse Block - RADIO, IMMOBILIZER, DLC, AUTO A/C, HAZARD LAMPS, RKE, TCM, REAR
Starting and Charging Schematics
Underhood Fuse Block IP FUSE, DR/LOCK and STOP LAMP Fuses
I/P Fuse Block ABS IMMOBILIZER, WRP, and TRN SIG LAMPS Fuses
G201 (2 of 2)
Vehicle Speed Signal
Stop Lamps Notchback
Stop Lamps Hatchback
w/Ignition Lock Cylinder Control Actuator
Ignition System
Vehicle Speed Signal
G201 (2 of 2)