Operation CHARM: Car repair manuals for everyone.
Manuals through 2025 now available!

Our trusted friends have launched a new website named LEMON, which has newer manuals. It also contains all the CHARM manuals.

LEMON is the spiritual successor to CHARM, I recommend you try it!

Link: lemon-manuals.la or lemon-manuals.org.ua

(Some people have issue connecting. LEMON is investigating. For now, use Firefox or change your DNS server)

Or, hide this message: temporarily or permanently

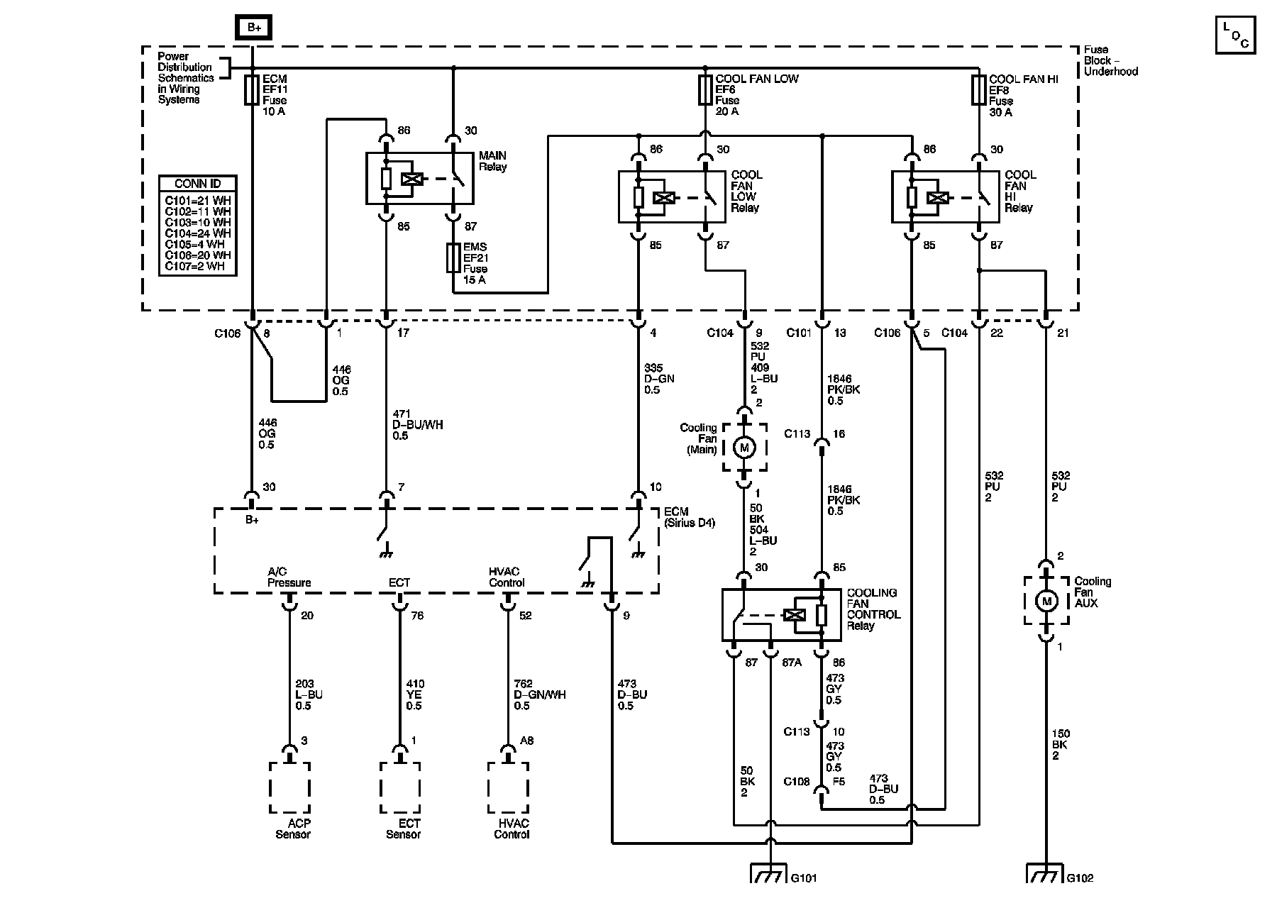
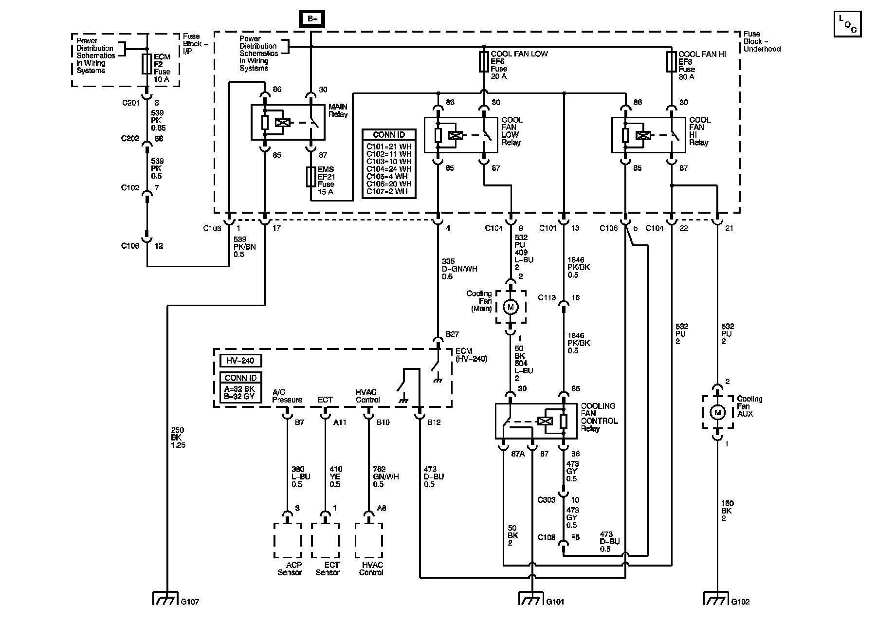
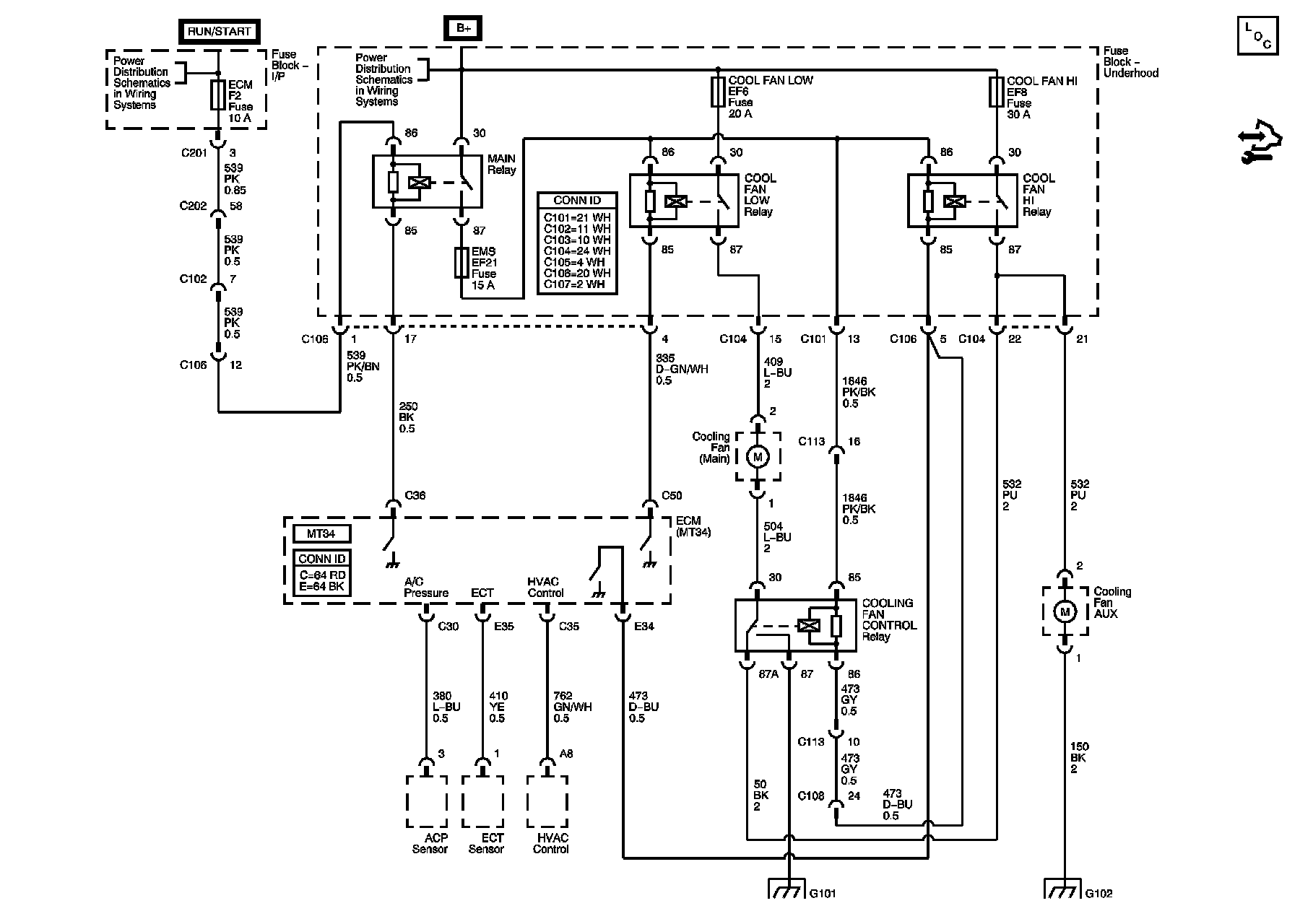
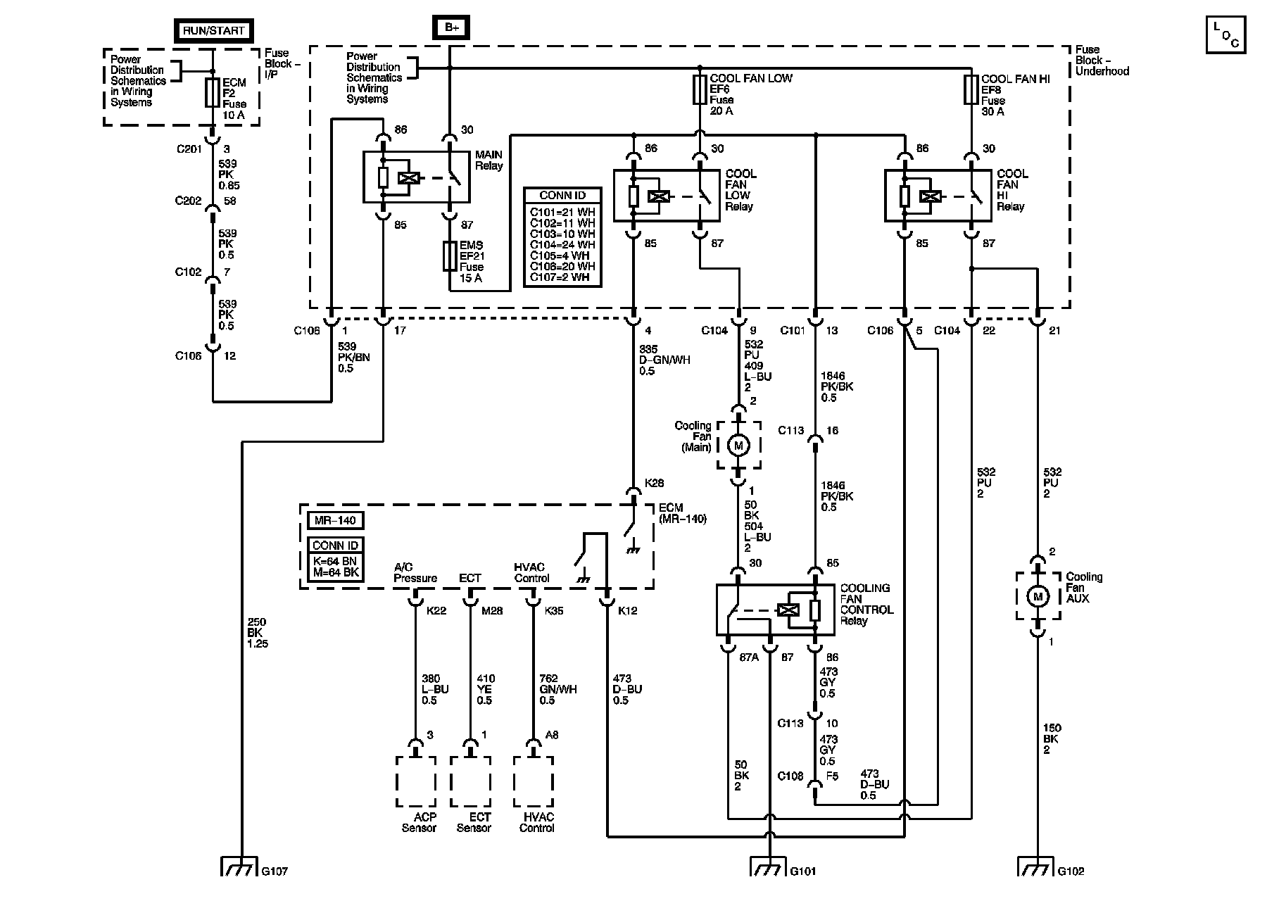
Cooling System




Engine Cooling Schematics

MR-140





Master Electrical Component List
I/P Fuse Block ECM Fuse
Underhood Fuse Block COOL FAN LOW and COOL FAN HI Fuses
G201 (1 of 2)
G101
G102

Sirius-D4





Master Electrical Component List
Underhood Fuse Block MAIN Relay and ECM, ENG SNSR, and INJ Fuses 1.2L
G101
G102

HV-240





Master Electrical Component List
I/P Fuse Block ECM Fuse
Underhood Fuse Block COOL FAN LOW and COOL FAN HI Fuses
G201 (1 of 2)
G101
G102

MT34





Master Electrical Component List
I/P Fuse Block ECM Fuse
Underhood Fuse Block COOL FAN LOW and COOL FAN HI Fuses
G101
G102