Operation CHARM: Car repair manuals for everyone.
Manuals through 2025 now available!

Our trusted friends have launched a new website named LEMON, which has newer manuals. It also contains all the CHARM manuals.

LEMON is the spiritual successor to CHARM, I recommend you try it!

Link: lemon-manuals.la or lemon-manuals.org.ua

(Some people have issue connecting. LEMON is investigating. For now, use Firefox or change your DNS server)

Or, hide this message: temporarily or permanently

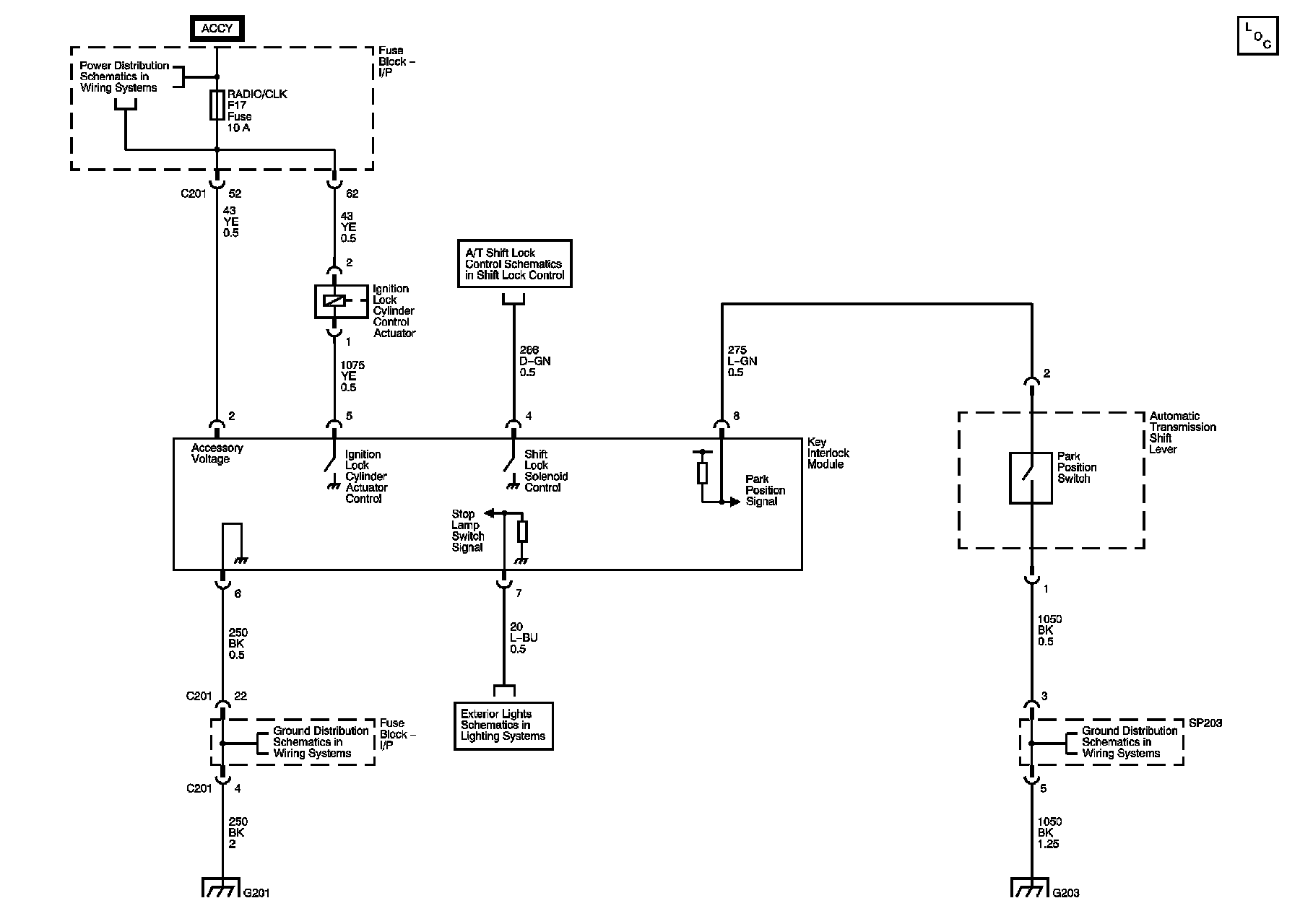
Steering Column




Column/Ignition Lock Schematics





Master Electrical Component List
I/P Fuse Block RADIO/CLK, AUX LTR, and LTR Fuses
w/Ignition Lock Cylinder Control Actuator
G201 (2 of 2)
Stop Lamps Notchback
Stop Lamps Hatchback
G203
G201 (2 of 2)
G203