Operation CHARM: Car repair manuals for everyone.
Manuals through 2025 now available!

Our trusted friends have launched a new website named LEMON, which has newer manuals. It also contains all the CHARM manuals.

LEMON is the spiritual successor to CHARM, I recommend you try it!

Link: lemon-manuals.la or lemon-manuals.org.ua

(Some people have issue connecting. LEMON is investigating. For now, use Firefox or change your DNS server)

Or, hide this message: temporarily or permanently

Power Distribution Schematics




Power Distribution Schematics

Underhood Fuse Block- Battery Feeds 1 of 3





Master Electrical Component List
Underhood Fuse Block - Battery Feeds 2 of 3
Underhood Fuse Block - Battery Feeds 2 of 3

Underhood Fuse Block- Battery Feeds 2 of 3





Master Electrical Component List
Underhood Fuse Block - Battery Feeds 3 of 3
Underhood Fuse Block - Battery Feeds 1 of 3
Underhood Fuse Block - Battery Feeds 1 of 3
Underhood Fuse Block - Battery Feeds 3 of 3
Underhood Fuse Block - Battery Feeds 3 of 3

Underhood Fuse Block- Battery Feeds 3 of 3





Master Electrical Component List
Underhood Fuse Block HVAC FLWR, ABS and Horn Fuses
Underhood Fuse Block - Battery Feeds 2 of 3
Underhood Fuse Block - Battery Feeds 2 of 3
Underhood Fuse Block - Battery Feeds 2 of 3
Underhood Fuse Block - Battery Feeds 2 of 3
Underhood Fuse Block - Battery Feeds 2 of 3

Underhood Fuse Block- HVAC BLWR, ABS and HORN Fuses





Master Electrical Component List
Underhood Fuse Block IP FUSE, DR/LOCK and STOP LAMP Fuses
Underhood Fuse Block - Battery Feeds 3 of 3
Underhood Fuse Block - Battery Feeds 1 of 3

Underhood Fuse Block- IP FUSE, DR/LOCK and STOP LAMPS Fuses





Master Electrical Component List
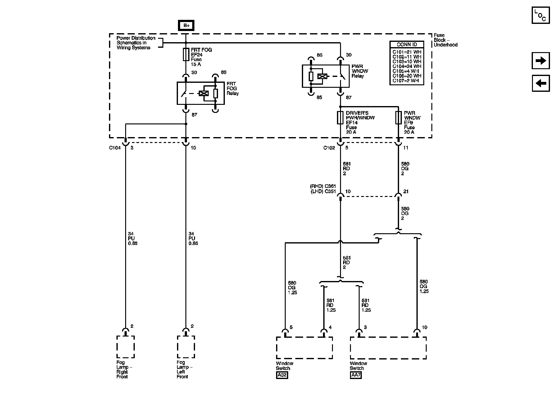
Underhood Fuse Block FRT FOG, DRIVERS PWR W/DW and PWR WNDW Fuses
Underhood Fuse Block HVAC FLWR, ABS and Horn Fuses
Underhood Fuse Block - Battery Feeds 1 of 3

Underhood Fuse Block- FRT FOG, DRIVER'S PWR W/DW and PWR WNDW Fuses





Master Electrical Component List
Underhood Fuse Block HEAD LAMPS FUSE
Underhood Fuse Block IP FUSE, DR/LOCK and STOP LAMP Fuses
Underhood Fuse Block - Battery Feeds 1 of 3

Underhood Fuse Block- HEAD LAMPS FUSE





Master Electrical Component List
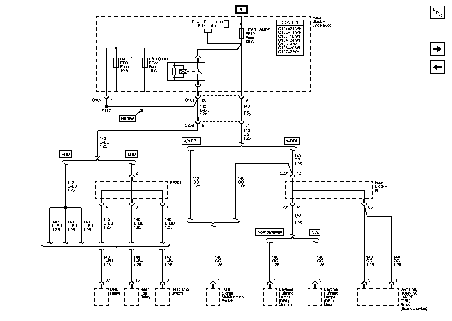
Underhood Fuse Block LOW BEAM LT, LOW BEAM RT, ILLUM LT, ILLUM RT, and HI BEAM Fuses
Underhood Fuse Block FRT FOG, DRIVERS PWR W/DW and PWR WNDW Fuses
Underhood Fuse Block - Battery Feeds 1 of 3

Underhood Fuse Block- LOW BEAM LT, LOW BEAM RT, ILLUM LT, ILLUM RT, and HI BEAM Fuses





Master Electrical Component List
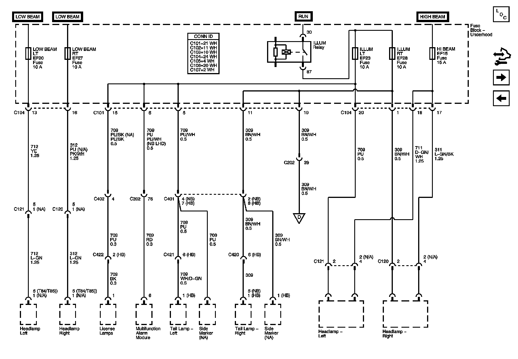
Underhood Fuse Block HI BEAM Fuse w/o Dimming
Underhood Fuse Block HEAD LAMPS FUSE
Underhood Fuse Block HI BEAM Fuse w/o Dimming

Underhood Fuse Block- HI BEAM Fuse w/o Dimming





Master Electrical Component List
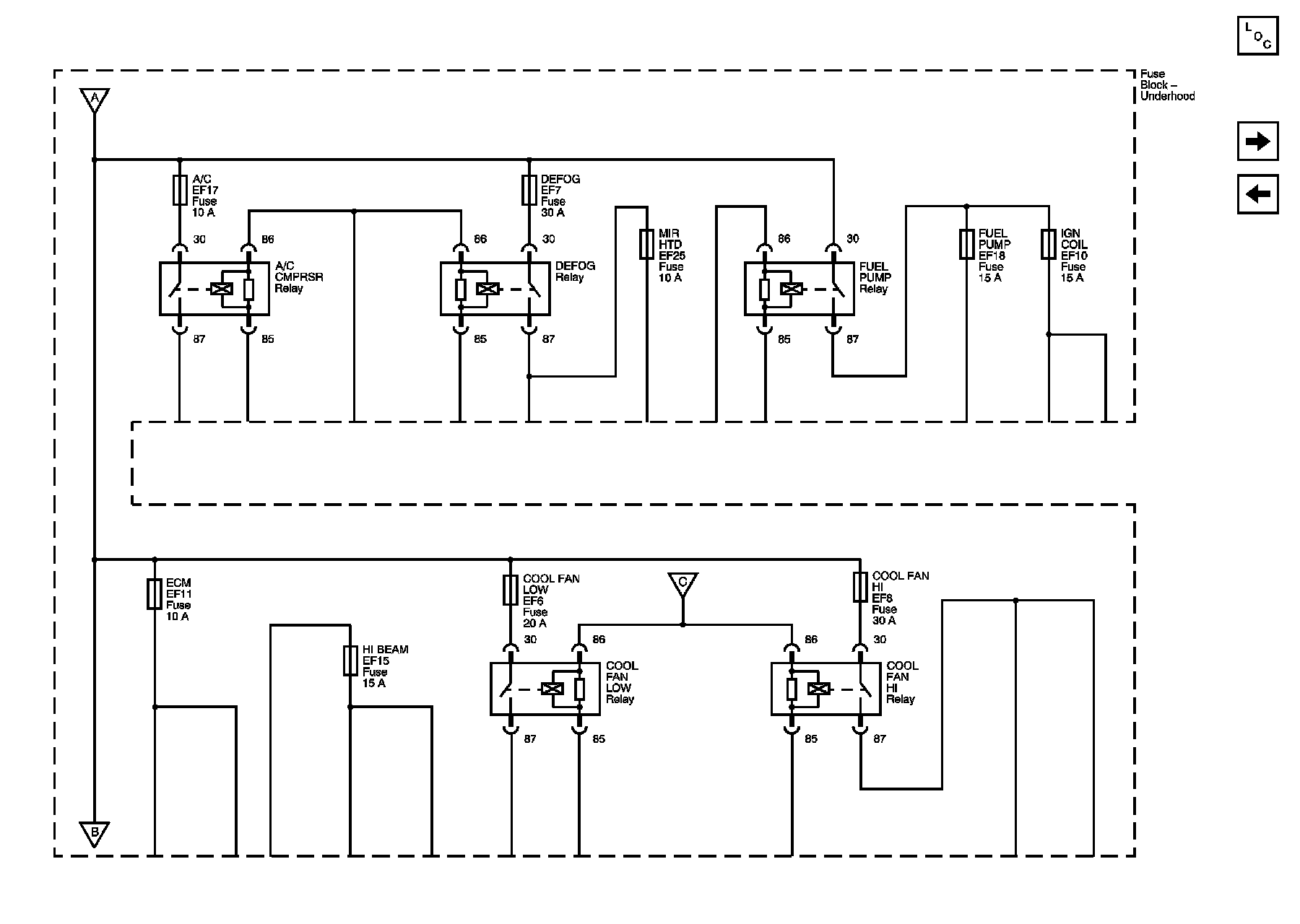
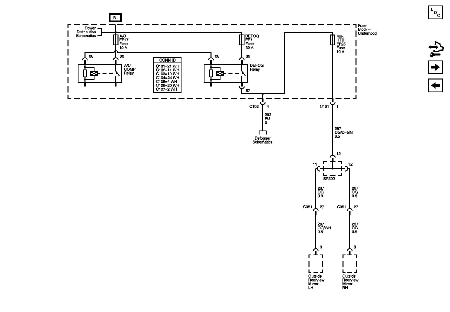
Underhood Fuse Block A/C, DEFOG, and MIR HTD Fuses
Underhood Fuse Block LOW BEAM LT, LOW BEAM RT, ILLUM LT, ILLUM RT, and HI BEAM Fuses
Underhood Fuse Block LOW BEAM LT, LOW BEAM RT, ILLUM LT, ILLUM RT, and HI BEAM Fuses

Underhood Fuse Block- A/C, DEFOG, and MIR HTD Fuses





Master Electrical Component List
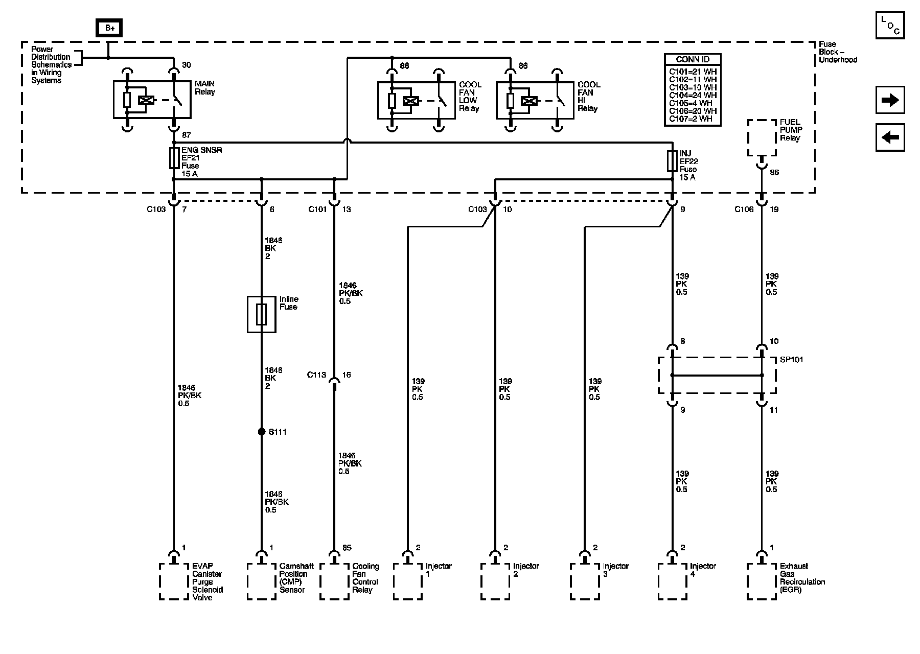
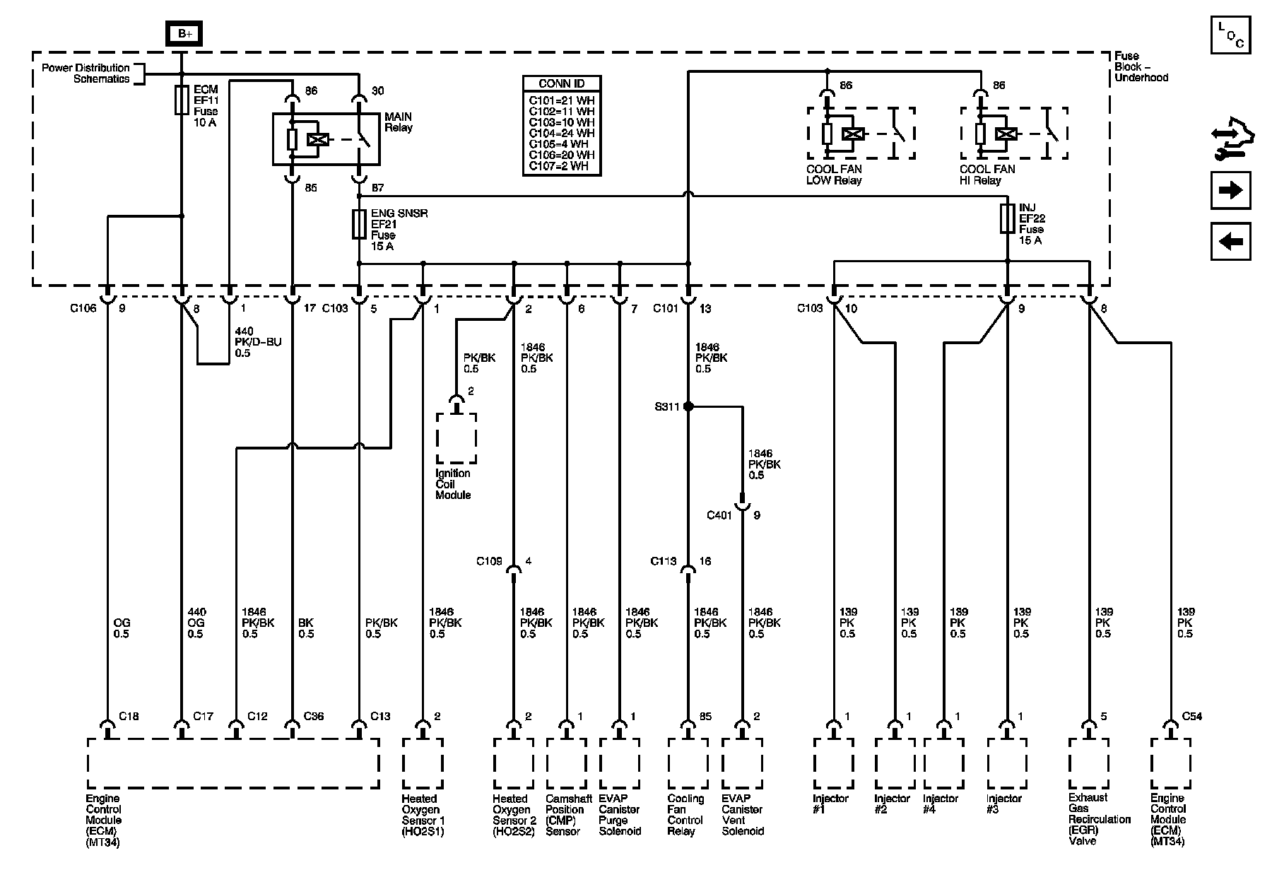
Underhood Fuse Block MAIN Relay and ECM, ENG SNSR, and INJ Fuses 1.2L
Underhood Fuse Block HI BEAM Fuse w/o Dimming
Underhood Fuse Block - Battery Feeds 2 of 3
Radio/Audio Schematics

Underhood Fuse Block- MAIN Relay and ECM, ENG SNSR, and INJ Fuses- 1.2L





Master Electrical Component List
Underhood Fuse Block MAIN Relay and ECM, ENG SNSR, and INJ Fuses MR-140
Underhood Fuse Block A/C, DEFOG, and MIR HTD Fuses
Underhood Fuse Block - Battery Feeds 2 of 3

Underhood Fuse Block- MAIN Relay and ECM, ENG SNSR, and INJ Fuses- MR-140





Master Electrical Component List
Underhood Fuse Block MAIN Relay and ECM, ENG SNSR, and INJ Fuses 1.5L
Underhood Fuse Block MAIN Relay and ECM, ENG SNSR, and INJ Fuses 1.2L
Underhood Fuse Block - Battery Feeds 3 of 3

Underhood Fuse Block- MAIN Relay and ECM, ENG SNSR, and INJ Fuses- 1.5L





Master Electrical Component List
Underhood Fuse Block - MAIN Relay, ECM, ENG SNSR, INJ Fuses - MT34
Underhood Fuse Block MAIN Relay and ECM, ENG SNSR, and INJ Fuses MR-140
Underhood Fuse Block - Battery Feeds 3 of 3

Underhood Fuse Block- MAIN Relay and ECM, ENG SNSR, and INJ Fuses- MT 34





Master Electrical Component List
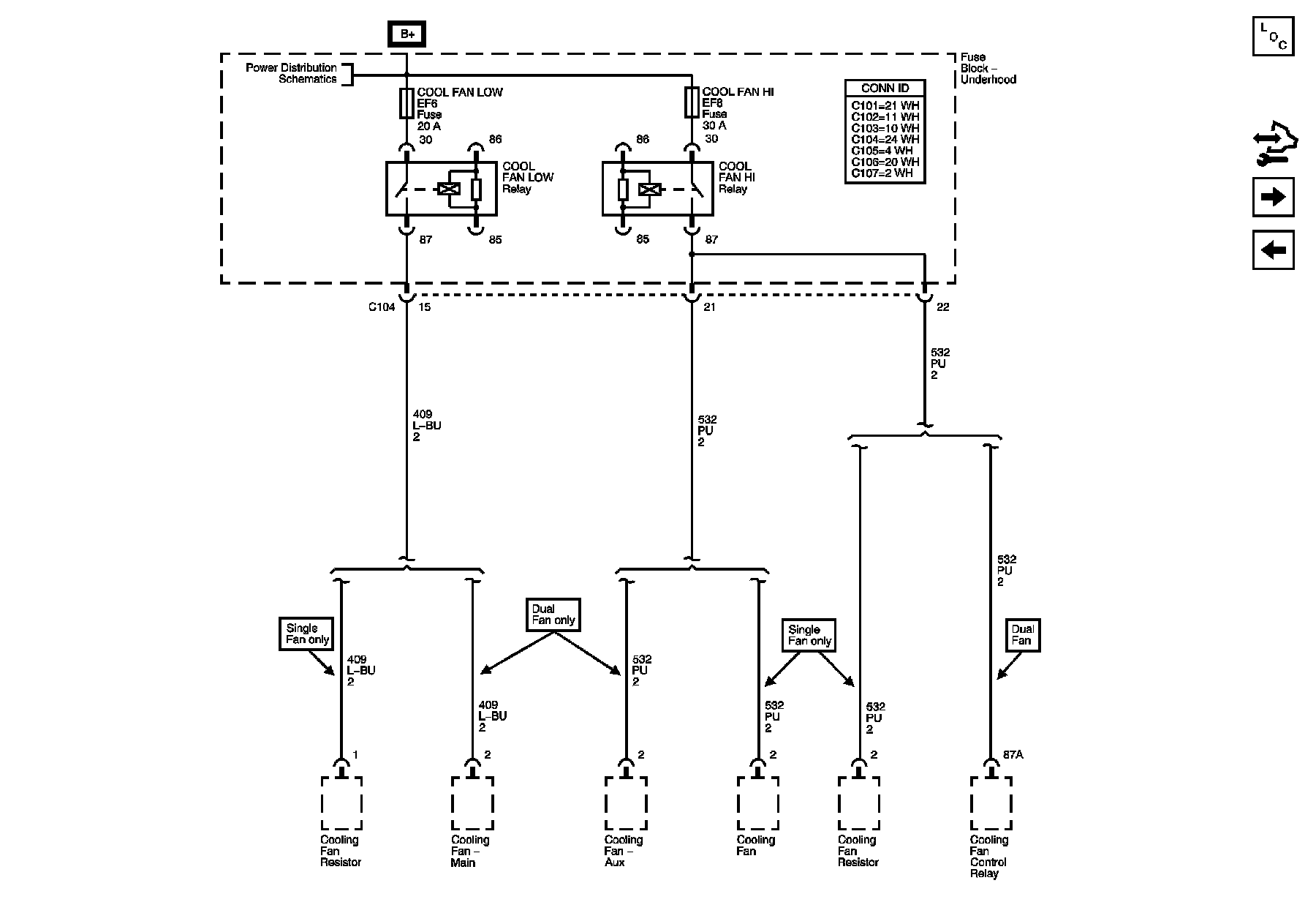
Underhood Fuse Block COOL FAN LOW and COOL FAN HI Fuses
Underhood Fuse Block MAIN Relay and ECM, ENG SNSR, and INJ Fuses 1.5L
Underhood Fuse Block - Battery Feeds 3 of 3

Underhood Fuse Block- COOL FAN LOW and COOL FAN HI Fuses





Master Electrical Component List
Underhood Fuse Block FUEL PUMP Relay and FUEL PUMP and IGN COIL Fuses
Underhood Fuse Block - MAIN Relay, ECM, ENG SNSR, INJ Fuses - MT34
Underhood Fuse Block - Battery Feeds 2 of 3

Underhood Fuse Block- FUEL PUMP Relay and FUEL PUMP and IGN COIL Fuses





Master Electrical Component List
Underhood Fuse Block ECM Fuse
Underhood Fuse Block COOL FAN LOW and COOL FAN HI Fuses
Underhood Fuse Block - Battery Feeds 2 of 3

Underhood Fuse Block- ECM Fuse





Master Electrical Component List
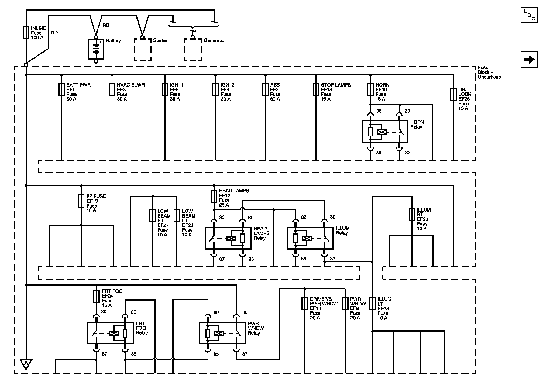
Underhood Fuse Block BATT PWR, IGN 1 and IGN 2 Fuses, Ignition Switch, I/P Fuse Block - RADIO, IMMOBILIZER, DLC, AUTO A/C, HAZARD LAMPS, RKE, TCM, REAR
Underhood Fuse Block FUEL PUMP Relay and FUEL PUMP and IGN COIL Fuses
Underhood Fuse Block MAIN Relay and ECM, ENG SNSR, and INJ Fuses 1.2L

Underhood Fuse Block- BATT PWR, IGN 1 and IGN 2 Fuses, Ignition Switch, I/P Fuse Block- RADIO, IMMOBILIZER, DLC, AUTO A/C, HAZARD LAMPS, RKE, TCM, and REAR FOG/CRUISE Fuses





Master Electrical Component List
I/P Fuse Block CLSTR, AIR BAG, BCK/UP and ENG FUSE BOX DRL Fuses
Underhood Fuse Block ECM Fuse
Underhood Fuse Block - Battery Feeds 1 of 3
I/P Fuse Block CLSTR, AIR BAG, BCK/UP and ENG FUSE BOX DRL Fuses
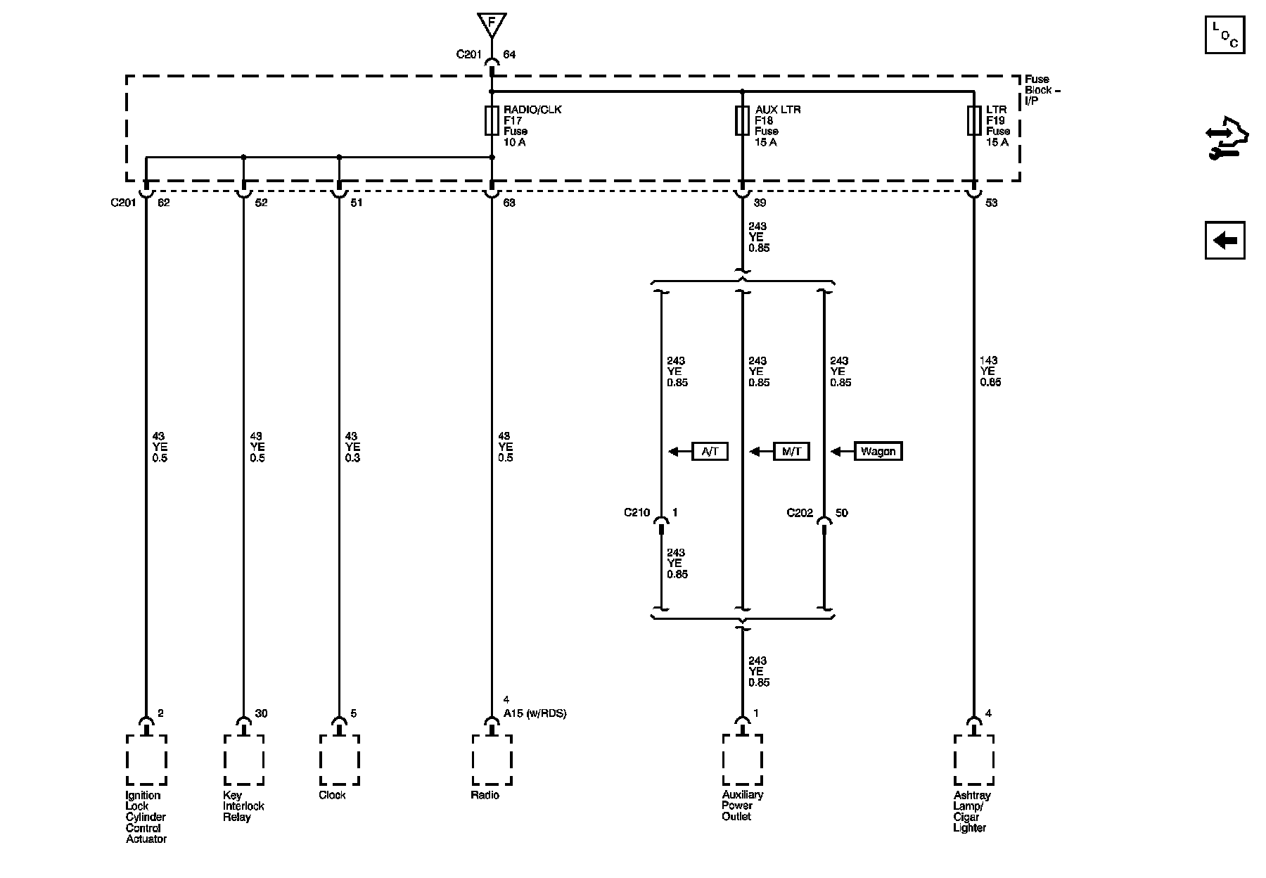
I/P Fuse Block RADIO/CLK, AUX LTR, and LTR Fuses
I/P Fuse Block HVAC and S/ROOF HTD/SEAT Fuses

I/P Fuse Block- CLSTR, AIR BAG, BCK/UP and ENG FUSE BOX DRL Fuses





Master Electrical Component List
I/P Fuse Block ABS IMMOBILIZER, WRP, and TRN SIG LAMPS Fuses
Underhood Fuse Block BATT PWR, IGN 1 and IGN 2 Fuses, Ignition Switch, I/P Fuse Block - RADIO, IMMOBILIZER, DLC, AUTO A/C, HAZARD LAMPS, RKE, TCM, REAR
Underhood Fuse Block BATT PWR, IGN 1 and IGN 2 Fuses, Ignition Switch, I/P Fuse Block - RADIO, IMMOBILIZER, DLC, AUTO A/C, HAZARD LAMPS, RKE, TCM, REAR
I/P Fuse Block ABS IMMOBILIZER, WRP, and TRN SIG LAMPS Fuses

I/P Fuse Block- ABS, IMMOBILIZER, WPR, and TRN SIG LAMPS Fuses





Master Electrical Component List
I/P Fuse Block ECM Fuse
I/P Fuse Block CLSTR, AIR BAG, BCK/UP and ENG FUSE BOX DRL Fuses
I/P Fuse Block CLSTR, AIR BAG, BCK/UP and ENG FUSE BOX DRL Fuses

I/P Fuse Block- ECM Fuse





Master Electrical Component List
I/P Fuse Block HVAC and S/ROOF HTD/SEAT Fuses
I/P Fuse Block ABS IMMOBILIZER, WRP, and TRN SIG LAMPS Fuses
I/P Fuse Block CLSTR, AIR BAG, BCK/UP and ENG FUSE BOX DRL Fuses

I/P Fuse Block- HVAC and S/ROOF HTD/SEAT Fuses





Master Electrical Component List
I/P Fuse Block RADIO/CLK, AUX LTR, and LTR Fuses
I/P Fuse Block ECM Fuse
Underhood Fuse Block BATT PWR, IGN 1 and IGN 2 Fuses, Ignition Switch, I/P Fuse Block - RADIO, IMMOBILIZER, DLC, AUTO A/C, HAZARD LAMPS, RKE, TCM, REAR

I/P Fuse Block- RADIO/CLK, AUX LTR, and LTR Fuses





Master Electrical Component List
I/P Fuse Block HVAC and S/ROOF HTD/SEAT Fuses
Underhood Fuse Block BATT PWR, IGN 1 and IGN 2 Fuses, Ignition Switch, I/P Fuse Block - RADIO, IMMOBILIZER, DLC, AUTO A/C, HAZARD LAMPS, RKE, TCM, REAR