Operation CHARM: Car repair manuals for everyone.
Manuals through 2025 now available!

Our trusted friends have launched a new website named LEMON, which has newer manuals. It also contains all the CHARM manuals.

LEMON is the spiritual successor to CHARM, I recommend you try it!

Link: lemon-manuals.la or lemon-manuals.org.ua

(Some people have issue connecting. LEMON is investigating. For now, use Firefox or change your DNS server)

Or, hide this message: temporarily or permanently

Transmission Replacement

Bulletin No.: 05-07-29-002

Date: April 12, 2005

SERVICE MANUAL UPDATE

Subject:
Revised Transmission Replacement Procedure

Models:
2005 Chevrolet SSR


Transmission Replacement



Removal Procedure

1. Remove the shift lever.

2. Raise the vehicle.

3. Disconnect the negative battery cable.

4. Drain the transmission.

5. Remove the propeller shaft.

6. Disconnect the electrical connectors on the transmission and relocate to the side.

7. Remove the starter.

8. Remove the inspection shield.

9. Remove the catalytic convertors. Refer to Catalytic Converter Replacement in Engine Exhaust.

Important:
When supporting the transmission, always use a safety chain or strap.





10. Remove the bolts from the transmission to the clutch housing.

11. Carefully separate the transmission approximately 1.5 inches (3.8 CM) from the clutch housing.





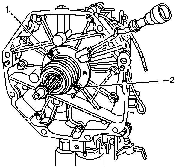
12. Remove the bolts (1, 2) securing the concentric slave cylinder to the transmission.





Graphic shows transmission for clarity. Additional clearance between the transmission and clutch housing may be achieved by continuing to separate the transmission from the clutch housing as the bolts are being removed.

13. Remove the transmission. Ensure the concentric slave cylinder does not bind on the input shaft during removal.



Installation Procedure





1. Partially install the transmission until the concentric slave cylinder bolts can be installed.





Note:
Refer to Fastener Notice.

2. Install the concentric slave cylinder bolts (1, 2).

Graphic shows transmission removed for clarity.


Tighten the concentric slave cylinder bolts to 12 N.m (106 lb in).

3. Install the transmission until flush with the clutch housing.





4. Tighten the transmission to the clutch housing bolts.


Tighten the retaining bolts to 50 N.m (37 lb ft).

5. Remove the transmission jack.

6. Connect the electrical connectors on the transmission.

7. Install the inspection shield.

8. Install the starter.

9. Install the catalytic convertors.

10. Install the propeller shaft.

11. Fill the transmission with fluid.

12. Connect the negative battery cable.

13. Lower the vehicle.

14. Install the shift lever.

15. Connect the hydraulic hose to the clutch actuator cylinder.