Operation CHARM: Car repair manuals for everyone.
Manuals through 2025 now available!

Our trusted friends have launched a new website named LEMON, which has newer manuals. It also contains all the CHARM manuals.

LEMON is the spiritual successor to CHARM, I recommend you try it!

Link: lemon-manuals.la or lemon-manuals.org.ua

(Some people have issue connecting. LEMON is investigating. For now, use Firefox or change your DNS server)

Or, hide this message: temporarily or permanently

Coolant Tank - Starter Generator Control Module Replacement



Coolant Tank - Starter/Generator Control Module Replacement

Removal Procedure





1. Drain the Starter/Generator Control Module (SGCM) cooling system.
2. Raise the hood to the service position, and perform the following steps:
1. Remove the ground strap from the hood.
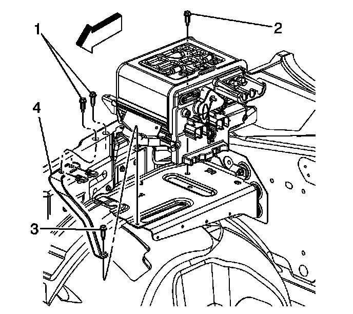
2. Remove the hood hinge bolts (1).
3. Raise the hood until vertical.
4. Install the hood hinge bolts until snug in the service position (2).





3. Reposition the SGCM coolant tank hose clamp (2) from the SGCM coolant tank (3).
4. Remove the SGCM coolant tank hose (1) from the SGCM coolant tank (3).





5. Reposition the SGCM pressure relief hose clamp from the SGCM pressure relief valve.
6. Remove the SGCM pressure relief hose from the SGCM pressure relief valve.





7. Remove the surge tank mounting bolts. Position the surge tank away from the SGCM module.
8. Remove the bolts (1) from the brace.





9. Reposition the SGCM coolant pump inlet hose clamp (1) from the SGCM coolant tank (2).
10. Remove the SGCM coolant pump inlet hose (3) from the SGCM coolant tank (2).
11. Remove the bolts from the SGCM coolant tank.





12. Reposition the SGCM coolant tank in order to access the SGCM rear bolt.
13. Remove the rear bolt (2) from the SGCM.
14. Remove the front bolt (3) from the SGCM.
15. Reposition the SGCM in order to remove the SGCM coolant tank.





16. Remove the SGCM coolant tank (2) from the vehicle.

Installation Procedure





1. Install the SGCM coolant tank (2) to the vehicle.





2. Position the SGCM coolant tank in order to install the SGCM rear bolt.

3. Notice: Refer to Fastener Notice in Service Precautions.

Install the rear bolt (2) to the SGCM.
Tighten the bolt to 20 Nm (15 ft. lbs.).
4. Install the front bolt (3) to the SGCM.
Tighten the bolt to 20 Nm (15 ft. lbs.).
5. Install the bolts to the SGCM coolant tank.
Tighten the bolts to 9 Nm (80 inch lbs.).





6. Install the SGCM coolant pump inlet hose (3) to the SGCM coolant tank (2).
7. Position the SGCM coolant pump inlet hose clamp (1) to the SGCM coolant tank (2).





8. Install the bolts (1) to the brace.
Tighten the bolts to 25 Nm (18 ft. lbs.).
9. Install the surge tank.





10. Install the SGCM pressure relief hose to the SGCM pressure relief valve.
11. Position the SGCM pressure relief hose clamp to the SGCM pressure relief valve.





12. Install the SGCM coolant tank hose (1) to the SGCM coolant tank (3).
13. Position the SGCM coolant tank hose clamp (2) to the SGCM coolant tank (3).





14. Lower the hood from the service position, perform the following:
1. Remove the hood hinge bolts from the service position (2).
2. Lower the hood to the normal position.
3. Install the hood hinge bolts (1).
Tighten the bolt to 25 Nm (18 ft. lbs.).

15. Install the ground strap to the hood.

16. Notice: The procedure below must be followed. Improper coolant level could result in a low or high coolant level condition, causing starter/generator control module damage.

Fill the SGCM cooling system.