Operation CHARM: Car repair manuals for everyone.
Manuals through 2025 now available!

Our trusted friends have launched a new website named LEMON, which has newer manuals. It also contains all the CHARM manuals.

LEMON is the spiritual successor to CHARM, I recommend you try it!

Link: lemon-manuals.la or lemon-manuals.org.ua

(Some people have issue connecting. LEMON is investigating. For now, use Firefox or change your DNS server)

Or, hide this message: temporarily or permanently

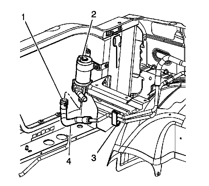
Radiator Hose Outlet - Starter Generator Control Module Replacement



Radiator Hose Outlet - Starter/Generator Control Module Replacement

Removal Procedure





1. Drain the starter/generator control module (SGCM) cooling system.
2. Remove the SGCM radiator outlet hose (5) from the SGCM radiator (2).
3. Remove the SGCM radiator outlet hose (5) from the clip (4).





4. Remove the SGCM radiator outlet hose from the clip (3).





5. Remove the SGCM radiator outlet hose from the clip.
6. Reposition the SGCM radiator outlet hose clamp (2) from the SGCM (3).
7. Remove the SGCM radiator outlet hose (1) from the SGCM (3).
8. Remove the SGCM radiator outlet hose (1) from the vehicle.

Installation Procedure





1. Install the SGCM radiator outlet hose (1) to the vehicle.
2. Install the SGCM radiator outlet hose (1) to the SGCM (3).
3. Position the SGCM radiator outlet hose clamp (2) to the SGCM (3).
4. Install the SGCM radiator outlet hose to the clip.





5. Install the SGCM radiator outlet hose to the clip (3).





6. Install the SGCM radiator outlet hose (5) to the clip (4).
7. Install the SGCM radiator outlet hose (5) to the SGCM radiator (2).

8. Notice: The procedure below must be followed. Improper coolant level could result in a low or high coolant level condition, causing starter/generator control module damage.

Fill the SGCM cooling system.