Operation CHARM: Car repair manuals for everyone.
Manuals through 2025 now available!

Our trusted friends have launched a new website named LEMON, which has newer manuals. It also contains all the CHARM manuals.

LEMON is the spiritual successor to CHARM, I recommend you try it!

Link: lemon-manuals.la or lemon-manuals.org.ua

(Some people have issue connecting. LEMON is investigating. For now, use Firefox or change your DNS server)

Or, hide this message: temporarily or permanently

Starter Generator Control Module (SGCM) Replacement



STARTER/GENERATOR CONTROL MODULE (SGCM) REPLACEMENT

REMOVAL PROCEDURE




1. Disconnect the energy storage box (ESB).
2. Remove the air cleaner assembly.
3. Remove the surge tank.
4. Remove the starter/generator control module (SGCM) coolant tank.
5. Remove the SGCM cover bolts, and cover.
6. Remove the 3-phase cable nuts to the SGCM.
7. Remove the 3-phase cable from the SGCM.




8. Remove the connector position assurance (CPA) retainer on the engine harness electrical connector.
9. Disconnect the engine harness electrical connector.




10. Disconnect the accessory power receptacle electrical connector from the SGCM.




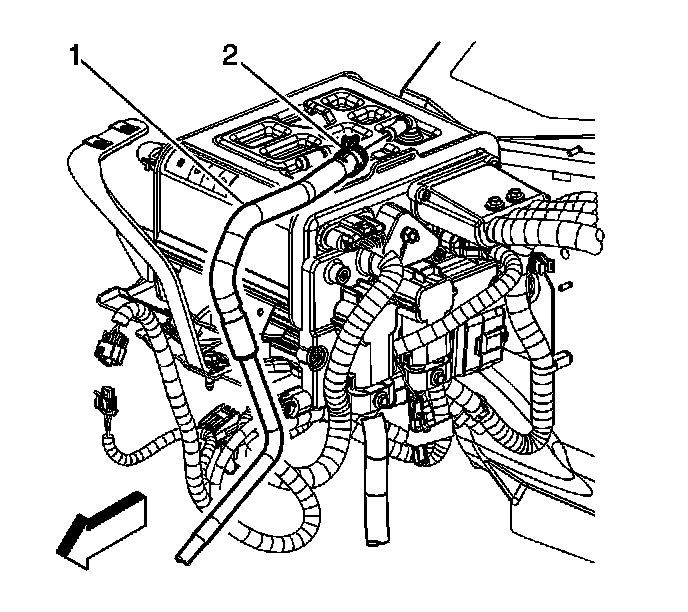
11. Reposition the SGCM coolant outlet hose clamp (2).
12. Remove the SGCM coolant outlet hose (1).




13. Loosen the 14-volt positive/negative battery cable bolt (1).
14. Remove the red connector position assurance (CPA) retainer.
15. Disconnect the 14-volt positive/negative battery cable.




16. Loosen the 42-volt positive/negative battery cable bolt (1).
17. Remove the red CPA retainer.
18. Disconnect the 42-volt positive/negative battery cable.
19. Disconnect the 42-volt jumper ground wire connector (2).




20. Remove the SGCM rear bolt (2).
21. Remove the SGCM front bolt (3).
22. Remove the brace (4).
23. Remove the SGCM.

INSTALLATION PROCEDURE




1. Install the SGCM.
2. Install the brace (4).
3. Install the SGCM front bolt (3).
4. Install the SGCM rear bolt (2).

NOTE: Refer to Fastener Notice in Service Precautions.

Tighten the bolts to 20 N.m (15 lb ft).




5. Connect the 42-volt jumper ground wire connector (2).
6. Connect the 42-volt positive/negative battery cable.
7. Install the red CPA retainer.
8. Tighten the 42-volt positive/negative battery cable bolt (1).

Tighten the bolt to 9 N.m (80 lb in).




9. Connect the 14-volt positive/negative battery cable.
10. Install the red CPA retainer.
11. Tighten the 14-volt positive/negative battery cable bolt (1).

Tighten the bolt to 9 N.m (80 lb in).




12. Install the SGCM coolant outlet hose (1).
13. Position the SGCM coolant outlet hose clamp (2).




14. Connect the accessory power receptacle electrical connector to the SGCM.




15. Connect the engine harness electrical connector.
16. Install the CPA retainer on the engine harness electrical connector.




17. Install the 3-phase cable to the SGCM.
18. Install the 3-phase cable nuts to the SGCM.

Tighten the nuts to 12 N.m (106 lb in).

19. Install the SGCM cover and bolts.

Tighten the bolts to 9 N.m (80 lb in).

20. Install the SGCM coolant tank.
21. Install the surge tank.
22. Install the air cleaner assembly.
23. Connect the ESB.
24. Program the SGCM. Refer to Service Programming System (SPS) in Programming and Setup.