Operation CHARM: Car repair manuals for everyone.
Manuals through 2025 now available!

Our trusted friends have launched a new website named LEMON, which has newer manuals. It also contains all the CHARM manuals.

LEMON is the spiritual successor to CHARM, I recommend you try it!

Link: lemon-manuals.la or lemon-manuals.org.ua

(Some people have issue connecting. LEMON is investigating. For now, use Firefox or change your DNS server)

Or, hide this message: temporarily or permanently

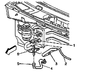
Heater Control Valve: Service and Repair



COOLANT BYPASS VALVE REPLACEMENT

TOOLS REQUIRED
- J 43181 Heater Line Quick Connect Release Tool
- J 38185 Hose Clamp Pliers

REMOVAL PROCEDURE
1. Drain the engine coolant. Refer to Draining and Filling Cooling System (LL8) Draining and Filling Cooling System (LM4) in Cooling System.
2. Remove the coolant recovery reservoir.
3. Using the J 43181, disconnect the inlet heater hose from the heater core.
1. Install the J 43181 to the quick connect on the outlet heater core hose (2).
2. Close the tool around the inlet heater core hose.
3. Firmly pull the tool into the quick connect end of the heater hose.
4. Firmly grasp the heater hose. Pull the heater hose forward in order to disengage the hose from the heater core.




4. Position the hose clamp at the engine outlet using J 38185.
5. Remove the heater inlet hose (4) from the engine block.
6. Remove the nut retaining the coolant bypass valve to the cowl.
7. Remove the vacuum hose from the coolant bypass valve.
8. Remove the coolant bypass valve.
9. Position the clamps at the coolant bypass valve.
10. Remove the heater inlet hoses form the coolant bypass valve.

INSTALLATION PROCEDURE




1. Apply coolant to the end of the heater inlet hoses.
2. Install the heater inlet hose to the inlet hose fitting at the engine block.

IMPORTANT: When installing a new heater inlet hose, place the clamps on the hose before installing the hose to the inlet hose fitting at the engine block.

3. Install the coolant bypass valve (6).
4. Install the nut retaining the coolant bypass valve to the cowl.

Tighten the nut to 10 N.m (89 lb in).

NOTE: Refer to Fastener Notice in Service Precautions.

5. Install the vacuum hose to the coolant bypass valve.
6. Install the inlet heater hose to the engine block.
7. Position the inlet heater hose clamp at the engine block using J 38185.
8. Connect the heater inlet hose to the heater core.
9. Install the coolant recovery reservoir.

IMPORTANT: Firmly push the quick connect onto the heater core pipe until you hear an audible click.

10. Fill the engine cooling system. Refer to Draining and Filling Cooling System (LL8) Draining and Filling Cooling System (LM4) in Cooling System.