Operation CHARM: Car repair manuals for everyone.
Manuals through 2025 now available!

Our trusted friends have launched a new website named LEMON, which has newer manuals. It also contains all the CHARM manuals.

LEMON is the spiritual successor to CHARM, I recommend you try it!

Link: lemon-manuals.la or lemon-manuals.org.ua

(Some people have issue connecting. LEMON is investigating. For now, use Firefox or change your DNS server)

Or, hide this message: temporarily or permanently

Starter Motor: Service and Repair



STARTER MOTOR REPLACEMENT

REMOVAL PROCEDURE
1. Disconnect the battery negative cable.
2. Remove the vacuum brake booster hose.




3. Remove the battery positive lead from the solenoid (1).




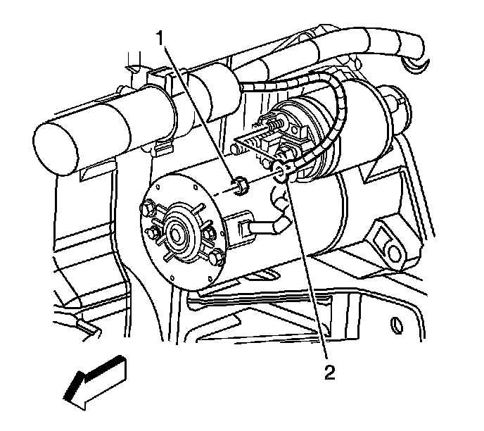
4. Remove the starter solenoid S-terminal lead nut (1) from the solenoid.
5. Remove the starter solenoid S-terminal lead (2) from the solenoid.




6. Remove the starter mount bolt and nut (1, 2).
7. Remove the starter motor.

INSTALLATION PROCEDURE




1. Install the starter motor.
2. Install the starter motor mount bolt (2) and nut (1).

Tighten the starter mount bolt and nut to 50 N.m (37 lb ft).

NOTE: Refer to Fastener Notice in Service Precautions.




3. Connect the positive battery cable to the starter solenoid and secure the cable with a nut (1).

Tighten the positive cable nut to 9 N.m (80 lb in).




4. Install the starter solenoid S-terminal lead (2) to the solenoid and secure the lead with a nut (1).

Tighten the S-terminal nut to 2.3 N.m (20 lb in).

5. Install the vacuum brake booster hose.
6. Connect the battery negative cable.