Operation CHARM: Car repair manuals for everyone.
Manuals through 2025 now available!

Our trusted friends have launched a new website named LEMON, which has newer manuals. It also contains all the CHARM manuals.

LEMON is the spiritual successor to CHARM, I recommend you try it!

Link: lemon-manuals.la or lemon-manuals.org.ua

(Some people have issue connecting. LEMON is investigating. For now, use Firefox or change your DNS server)

Or, hide this message: temporarily or permanently

HVAC Module Assembly Replacement - Auxiliary



HVAC MODULE REPLACEMENT - AUXILIARY

TOOLS REQUIRED
- J 39400-A Halogen Leak Detector
- J 38185 (SA9111E) Hose Clamp Pliers

REMOVAL PROCEDURE

IMPORTANT: Cap or tape the open air conditioning (A/C) components immediately in order to prevent system contamination.




1. Recover the refrigerant. Refer to Refrigerant Recovery and Recharging.
2. Remove the left rear quarter trim panel.
3. Drain the cooling system. Refer to Draining and Filling Cooling System in Cooling System.
4. Raise and support the vehicle. Refer to Vehicle Lifting.
5. Remove the level ride air compressor.
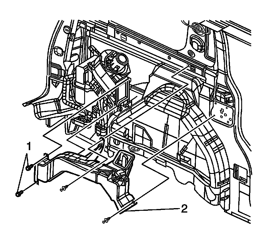
6. Remove the auxiliary A/C line block fitting bolt.
7. Remove the A/C line (1) block fitting.
8. Remove and discard the sealing washers.
9. Cap or tape the A/C lines.
10. Disconnect the auxiliary heater hoses (2) from the heater core pipes using the J 38185 or SA9111E.
11. Lower the vehicle.




12. Remove the auxiliary A/C outlet pillar duct bolts (1).
13. Remove the auxiliary A/C outlet pillar duct (2).




14. Remove the auxiliary A/C outlet duct bolts (1).
15. Remove the auxiliary A/C outlet duct (2).




16. Disconnect the auxiliary blower motor electrical connector.
17. Disconnect the auxiliary blower motor resistor electrical connector.
18. Disconnect the auxiliary temperature actuator electrical connector.
19. Remove the HVAC module assembly bolts and nut.
20. Remove the left power sliding door (PSD) module from the mounting bracket and reposition aside, if equipped.
21. Remove the HVAC module assembly from the vehicle.
22. Remove and discard the HVAC module assembly to body seals.

INSTALLATION PROCEDURE




1. Install new HVAC module assembly to body seals.
2. Install the HVAC module assembly to the vehicle.
3. Install the HVAC module assembly bolts and the nut.

Tighten the bolts/nut to 10 N.m (89 lb in).

NOTE: Refer to Fastener Notice in Service Precautions.

4. Install the left PSD module to the mounting bracket.
5. Connect the auxiliary temperature actuator electrical connector.
6. Connect the electrical connector to the auxiliary blower motor resistor.
7. Connect the auxiliary blower motor electrical connector.




8. Install the auxiliary A/C outlet duct (2).
9. Install the auxiliary A/C outlet duct bolts (1).

Tighten the bolts to 10 N.m (89 lb in).




10. Install the auxiliary A/C outlet pillar duct (2).
11. Install the auxiliary A/C outlet pillar duct bolts (1).

Tighten the bolts to 10 N.m (89 lb in).

12. Raise and suitably support the vehicle.




13. Connect the auxiliary heater hoses (2) to the heater core pipes.
14. Remove the cap or tape from the A/C lines.
15. Install the new sealing washers onto the A/C line.
16. Install the auxiliary A/C line (1) block fitting bolt.

Tighten the bolt to 20 N.m (15 lb ft).

17. Install the level ride air compressor.
18. Lower the vehicle.
19. Fill the cooling system. Refer to Draining and Filling Cooling System in Cooling System.
20. Evacuate and recharge the A/C system. Refer to Refrigerant Recovery and Recharging.
21. Leak test the fittings of the component using J 39400-A.
22. Install the left rear quarter trim panel.