Operation CHARM: Car repair manuals for everyone.
Manuals through 2025 now available!

Our trusted friends have launched a new website named LEMON, which has newer manuals. It also contains all the CHARM manuals.

LEMON is the spiritual successor to CHARM, I recommend you try it!

Link: lemon-manuals.la or lemon-manuals.org.ua

(Some people have issue connecting. LEMON is investigating. For now, use Firefox or change your DNS server)

Or, hide this message: temporarily or permanently

Positive: Service and Repair



BATTERY POSITIVE CABLE REPLACEMENT

REMOVAL PROCEDURE

IMPORTANT: When replacing battery cables, be sure to use replacement cables that are the same type, gage, and length.

1. Disconnect the battery ground (negative) cable from the battery.



2. Disconnect the battery current sensor electrical connector (2).




3. Disconnect the battery positive cable (3) from the battery.
4. Remove the battery ground negative cable nut from the inner fender (4).




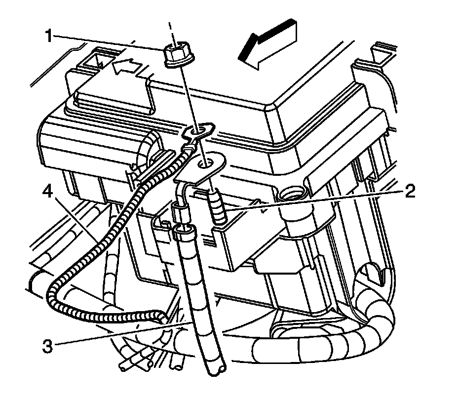
5. Remove the battery positive cable nut (1) and cable (3) from the underhood electrical center.




6. Remove the battery ground negative cable nut and cable from the transaxle stud.
7. Remove the starter motor BAT terminal nut from the starter motor.
8. Remove the battery positive cable from the starter motor BAT terminal.




9. Remove the battery cable conduit retainers from the inner fender (1) and the lower tie bar (2).
10. Remove the battery ground negative and battery positive cables from the vehicle.
11. Separate the battery ground negative and battery positive cables.

INSTALLATION PROCEDURE




1. Install the battery ground (negative) and the battery positive cables to the vehicle.
2. Install the battery cable conduit retainers to the inner fender (1) and the lower tie bar (2).




3. Install the battery positive cable and nut to the starter motor BAT terminal.

Tighten the starter motor BAT terminal nut to 10 N.m (89 lb in).

NOTE: Refer to Fastener Notice in Service Precautions.

4. Install the battery ground (negative) cable and nut to the transaxle stud.

Tighten the battery ground (negative) cable nut to 25 N.m (18 lb ft).




5. Install the battery positive cable (3) and nut (1) to the underhood electrical center.

Tighten the nut to 10 N.m (89 lb in).




6. Install the battery ground negative cable nut to the inner fender (4).

Tighten the nut to 5 N.m (44 lb in).

7. Connect the battery positive cable (3) from the battery.

Tighten the battery terminal bolt to 16 N.m (12 lb ft).




8. Connect the battery current sensor electrical connector (2).
9. Install the battery ground (negative) cable to the battery.