Operation CHARM: Car repair manuals for everyone.
Manuals through 2025 now available!

Our trusted friends have launched a new website named LEMON, which has newer manuals. It also contains all the CHARM manuals.

LEMON is the spiritual successor to CHARM, I recommend you try it!

Link: lemon-manuals.la or lemon-manuals.org.ua

(Some people have issue connecting. LEMON is investigating. For now, use Firefox or change your DNS server)

Or, hide this message: temporarily or permanently

Battery Replacement



BATTERY REPLACEMENT

REMOVAL PROCEDURE

CAUTION:
- Refer to Battery Disconnect Caution in Service Precautions.
- Batteries generate hydrogen gas, which is extremely flammable and may explode violently if ignited by a spark or a flame. Battery acid is extremely corrosive and causes severe personal injury if the acid comes into contact with the skin, and blindness if the acid comes into contact with the eyes. In order to avoid severe personal injury, use extreme caution when servicing the battery or battery-related components.


1. Remove and reposition the underhood electrical center.
2. Remove the front end sheet metal diagonal brace.




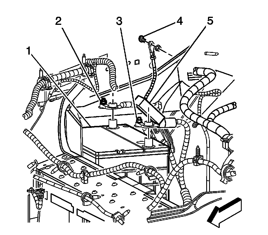
3. Remove the battery ground (negative) cable (2) from the battery.
4. Remove the battery positive cable (3) from the battery.




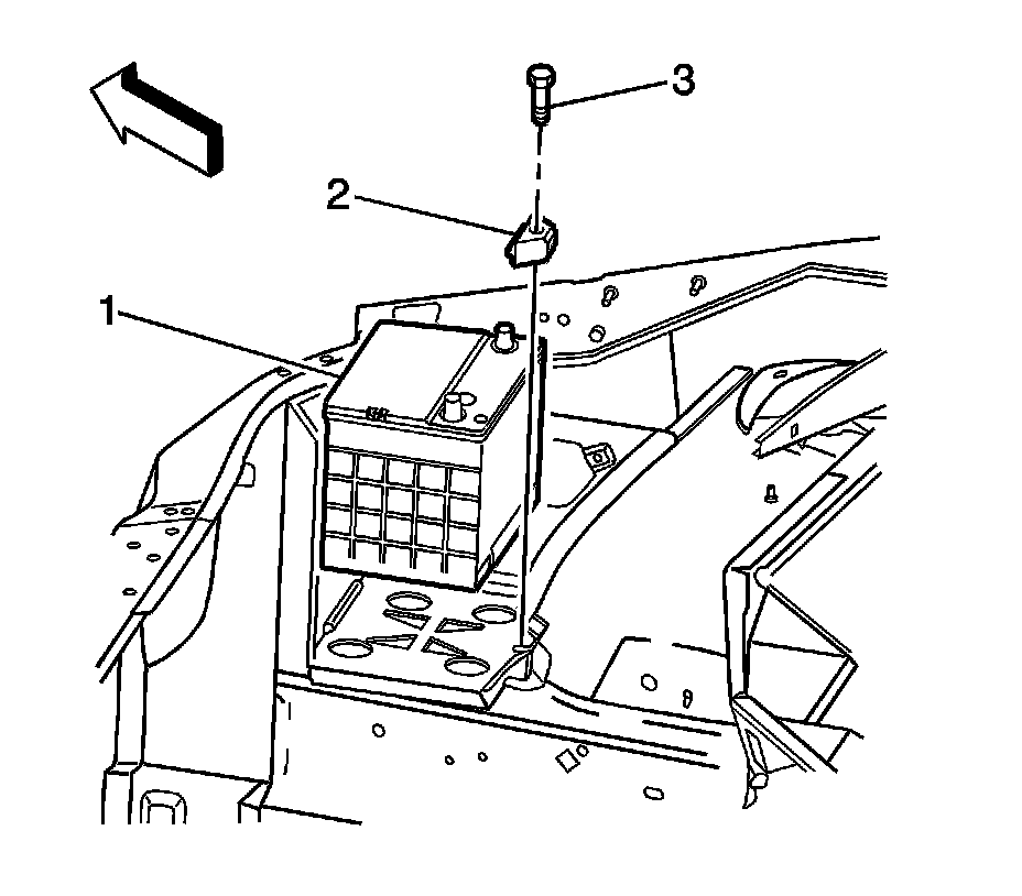
5. Remove the battery hold down retainer bolt (3).
6. Remove the battery hold down retainer (2).
7. Remove the battery (1).

IMPORTANT: Do not tip the battery more than 40 degrees.

INSTALLATION PROCEDURE




1. Install the battery (1) and ensure that the battery is positioned properly in the battery tray.

IMPORTANT: Do not tip the battery more than 40 degrees.

2. Install the battery hold down retainer (2).
3. Install the battery hold down retainer bolt (3).

Tighten the bolt to 17 N.m (13 lb ft).

NOTE: Refer to Fastener Notice in Service Precautions.




4. Install the battery positive cable (3) to the battery.

Tighten the bolt to 16 N.m (12 lb ft).

5. Install the battery ground (negative) cable (2) to the battery.
6. Install the front end sheet metal diagonal brace.
7. Install the underhood electrical center.