Operation CHARM: Car repair manuals for everyone.
Manuals through 2025 now available!

Our trusted friends have launched a new website named LEMON, which has newer manuals. It also contains all the CHARM manuals.

LEMON is the spiritual successor to CHARM, I recommend you try it!

Link: lemon-manuals.la or lemon-manuals.org.ua

(Some people have issue connecting. LEMON is investigating. For now, use Firefox or change your DNS server)

Or, hide this message: temporarily or permanently

Wiper Motor Module Replacement



WIPER MOTOR MODULE REPLACEMENT

REMOVAL PROCEDURE
1. Open and support the hood.




2. Remove the driver side wiper arm (2).




3. Remove the passenger side wiper arm (3).
4. Remove the air inlet grille panel.
5. Lower the washer container into the engine compartment. Refer to Washer Solvent Container Replacement.




6. Disconnect the electrical connector (2) from the wiper motor (1).




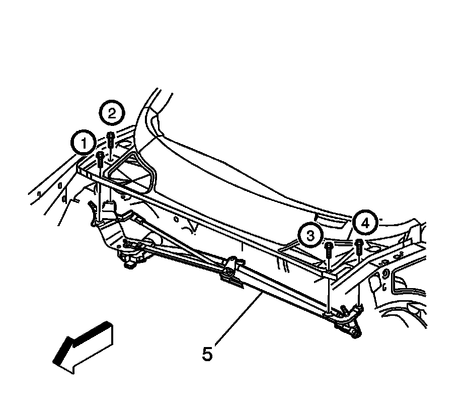
7. Remove the 4 bolts, as shown, from the wiper module (5).




8. Carefully guide the passenger side module out first from the opening in the front plenum.
9. Pull the module from the drive side fender flange opening.
10. Remove the module from the vehicle.

INSTALLATION PROCEDURE




1. Position the wiper module (5) to the lower plenum in the driver side fender flange opening first.




2. Rotate the module (5) into the opening at the passenger side plenum.
3. Ensure the rear center mount is secure into the sheet metal flange at the rear of the module.
4. Install the wiper module bolts.

NOTE: Refer to Fastener Notice in Service Precautions.

Tighten the bolts in sequence, as shown, to 10 N.m (89 lb in).




5. Connect the electrical connector (2) to the motor (1).
6. Install the air inlet grille panel.




7. Install the driver side wiper arm (2).




8. Install the passenger side wiper arm (3).
9. Secure the washer container. Refer to Washer Solvent Container Replacement.
10. Close the hood.
11. Inspect the wiper system for proper operation.