Operation CHARM: Car repair manuals for everyone.
Manuals through 2025 now available!

Our trusted friends have launched a new website named LEMON, which has newer manuals. It also contains all the CHARM manuals.

LEMON is the spiritual successor to CHARM, I recommend you try it!

Link: lemon-manuals.la or lemon-manuals.org.ua

(Some people have issue connecting. LEMON is investigating. For now, use Firefox or change your DNS server)

Or, hide this message: temporarily or permanently

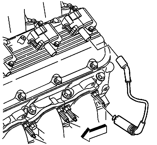
Ignition Coil: Service and Repair



IGNITION COIL(S) REPLACEMENT

REMOVAL PROCEDURE




1. Disconnect the spark plug wire from the ignition coil.
- Twist the spark plug boot 1/2 turn.
- Pull only on the boot in order to remove the wire from the ignition coil.
2. Disconnect the ignition coil electrical connector.




3. Remove the ignition coil bolts.
4. Remove the ignition coil.

INSTALLATION PROCEDURE

NOTE: This component is initially installed using a self-tapping bolt(s). Care should be taken when removing and/or installing the self-tapping bolt(s). Failure to use care when removing and/or installing the self-tapping bolt(s) can lead to damage and unnecessary replacement of the self-tapping bolt(s) and/or the component the self-tapping bolt(s) is threaded into.





1. Install ignition coil.

NOTE: Refer to Fastener Notice in Service Precautions.

2. Install the ignition coil bolts.

Tighten the bolts to 12 N.m (106 lb in).

3. Connect the ignition coil electrical connector.




4. Connect the spark plug wire to the ignition coil.
5. Inspect the wire for proper installation:
1. Push sideways on the boot in order to inspect the seating.
2. Reinstall any loose boot.