Operation CHARM: Car repair manuals for everyone.
Manuals through 2025 now available!

Our trusted friends have launched a new website named LEMON, which has newer manuals. It also contains all the CHARM manuals.

LEMON is the spiritual successor to CHARM, I recommend you try it!

Link: lemon-manuals.la or lemon-manuals.org.ua

(Some people have issue connecting. LEMON is investigating. For now, use Firefox or change your DNS server)

Or, hide this message: temporarily or permanently

Valve Body



Automatic Transmission Components

Valve Body:





1 - Manual Valve
2 - Upper Valve Body
3 - Valve Body Plate
4 - Pressure Control Solenoid Valve
5 - Lower Valve Body
6 - Lock-Up Solenoid Valve
7 - Timing Solenoid Valve
8 - O-Ring
9 - O-Ring
10 - O-Ring
11 - No. 2 Solenoid Valve
12 - No. 1 Solenoid Valve

Valve Body:





1 - Cover
2 - Gasket
3 - Cover Plate
4 - Gasket
5 - Check Ball
6 - Spring
7 - Check Valve
8 - Ball
9 - Spring
10 - Pressure Relief Valve Spring Seat

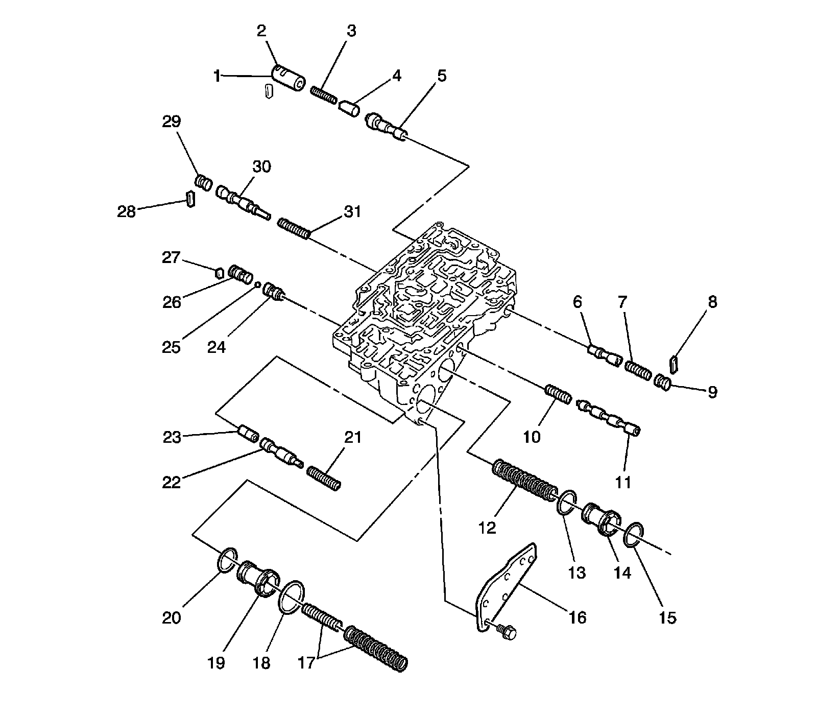
Valve Body:





1 - Key
2 - Sleeve
3 - Spring
4 - Plunger
5 - Lock-Up Control Valve
6 - Reverse Control Valve
7 - Spring
8 - Key
9 - Plug
10 - Spring
11 - 3-4 Shift Valve
12 - Spring
13 - O-Ring
14 - Reverse Clutch Accumulator Piston
15 - O-Ring
16 - Upper Valve Body Cover
17 - Spring
18 - O-Ring
19 - Second Brake Accumulator Piston
20 - O-Ring
21 - Spring
22 - 3-4 Shift Timing Valve
23 - Plunger
24 - No. 1 Check Valve
25 - Ball
26 - No. 2 Check Valve
27 - Key
28 - Key
29 - Plug
30 - Secondary Regulator Valve
31 - Spring

During reassembly, please refer to the spring specifications below to help you to discriminate between the different springs.

Upper Valve Body Spring:







Upper Valve Body Key:







Upper Valve Body Check Ball:







Lower Valve Body:





1 - Key
2 - Spring
3 - 4-3 Shift Timing Valve
4 - Key
5 - Plug
6 - 2-3 Shift Valve
7 - Spring
8 - Key
9 - Plug
10 - 1-2 Shift Valve
11 - Spring
12 - Key
13 - Sleeve
14 - Plunger
15 - Spring
16 - Primary Regulator Valve
17 - Key
18 - Sleeve
19 - Plunger
20 - Spring
21 - Lock-Up Relay Valve
22 - Key
23 - Spring
24 - Solenoid Modulator Valve
25 - Solenoid Oil Strainer
26 - Lower Modulator Valve
27 - Spring
28 - Key

Lower Valve Body Spring:







Lower Valve Body Key: