Operation CHARM: Car repair manuals for everyone.
Manuals through 2025 now available!

Our trusted friends have launched a new website named LEMON, which has newer manuals. It also contains all the CHARM manuals.

LEMON is the spiritual successor to CHARM, I recommend you try it!

Link: lemon-manuals.la or lemon-manuals.org.ua

(Some people have issue connecting. LEMON is investigating. For now, use Firefox or change your DNS server)

Or, hide this message: temporarily or permanently

Frame: Service and Repair

Bulletin No:06-08-61-001

SERVICE MANUAL UPDATE

Subject: Addition of Aluminum Frame Thread Repair Procedure


Models: 2006 Chevrolet Corvette Z06



Aluminum Frame Thread Repair

Tools Required

CH 48106 Suspension Thread Repair Kit


The suspension thread repair Procedure involves a solid, thin-walled, key-locking, stainless steel key insert. Use the key insert when the parent material of the original threaded insert is damaged.

Caution: Refer to Safety Glasses Caution.






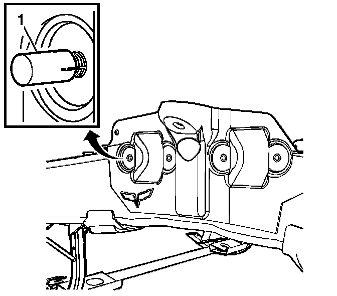
1. Install the CH-48106-1 extracting tool (1) into the damaged wire insert.
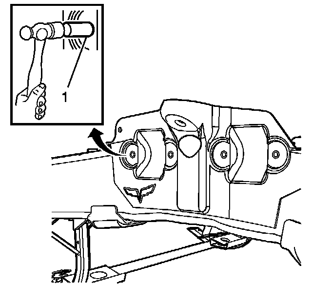
2. Set the extracting tool by lightly tapping the tool with a mallet.
3. Remove the wire insert by turning the tool counter-clockwise, while applying light forward pressure on the tool.






4. Use the CH-48106-2 12.8 mm drill bit to drill out the threads of the damaged hole. Drill to a minimum depth of 14.5 mm (3/8 in)






5. Use compressed air to clean out any chips.
6. Use a CH 48106-3 chamfering tool or an oversize drill bit of 14.25 mm (3/8 in) to countersink the drilled-out hole.






Important: The key insert will install more easily if you countersink the hole.

7. Use compressed air (1) to clean out any chips.
8. Use CH-48106-8 cuffing oil to lubricate the threads of the tap.
9. Install the CH-48106-6 tap socket or equivalent tool to the CH-48106-4 tap.






10. Use the CH-48106-4 M14-1 .5 6H Tap to tap new threads in the drilled hole. Tap the threads to a minimum depth of 13.5 mm (5/16 in).






11. Use compressed air to clean out any chips.





12. Install the CH-48106-7 key insert into the slotted sections of the CH-48106-5 installation tool (1).





13. Use the CH-48106-5 installation tool to install the key insert in the tap hole slightly below the bottom of the countersunk surface (1).
14. Remove the CH-48106-5 installation tool from the keys. Rotate the tool so that the keys are aligned on the flat surface of the tool.

Important:The keys mechanically lock the key insert to the threaded parent material.





15. Use a mallet to strike the top of the CH-48106-5 installation tool as necessary to drive the keys into the threaded parent material until the keys are even or slightly below the surface.






16. Inspect the key insert (1) for proper installation into the hole.

Important: If necessary, add shims or washers to the suspension bolt to check the torque and flushness of the bolt.

17. Install the suspension bolt. Tighten the bolt.
^Tighten the suspension bolt to 91 N.m(67 lb ft).
18. Verify that the suspension bolt is seated flush to the surface.