Operation CHARM: Car repair manuals for everyone.
Manuals through 2025 now available!

Our trusted friends have launched a new website named LEMON, which has newer manuals. It also contains all the CHARM manuals.

LEMON is the spiritual successor to CHARM, I recommend you try it!

Link: lemon-manuals.la or lemon-manuals.org.ua

(Some people have issue connecting. LEMON is investigating. For now, use Firefox or change your DNS server)

Or, hide this message: temporarily or permanently

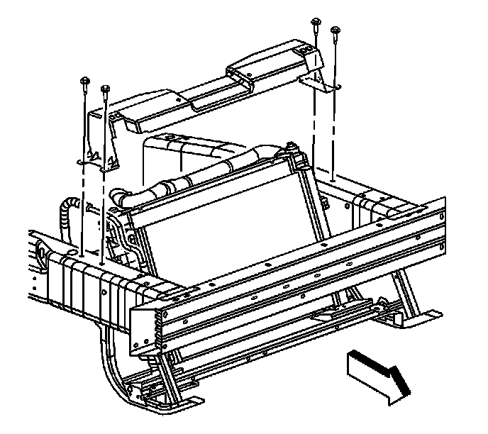
Radiator Support: Service and Repair



Radiator Support Replacement
Removal Procedure
1. Remove the air cleaner assembly.





2. Disconnect the surge tank inlet hose assembly from the radiator support tabs.





3. Remove the radiator support bolts.





4. Important: Note the position of the radiator support in relationship to the fan shroud. This must be reassembled correctly in order to retain the fan shroud.

Remove the radiator support.

Installation Procedure





1. Important: Position the radiator support in the correct relationship to the fan shroud.

Install the radiator support.





2. Notice: Refer to Fastener Notice in Service Precautions.

Install the radiator support bolts.
^ Tighten the bolts to 9 Nm (80 inch lbs.).





3. Connect the surge tank inlet hose assembly to the radiator support tabs.
4. Install the air cleaner assembly.