Operation CHARM: Car repair manuals for everyone.
Manuals through 2025 now available!

Our trusted friends have launched a new website named LEMON, which has newer manuals. It also contains all the CHARM manuals.

LEMON is the spiritual successor to CHARM, I recommend you try it!

Link: lemon-manuals.la or lemon-manuals.org.ua

(Some people have issue connecting. LEMON is investigating. For now, use Firefox or change your DNS server)

Or, hide this message: temporarily or permanently

Body Control System Diagrams



Body Control System Schematics

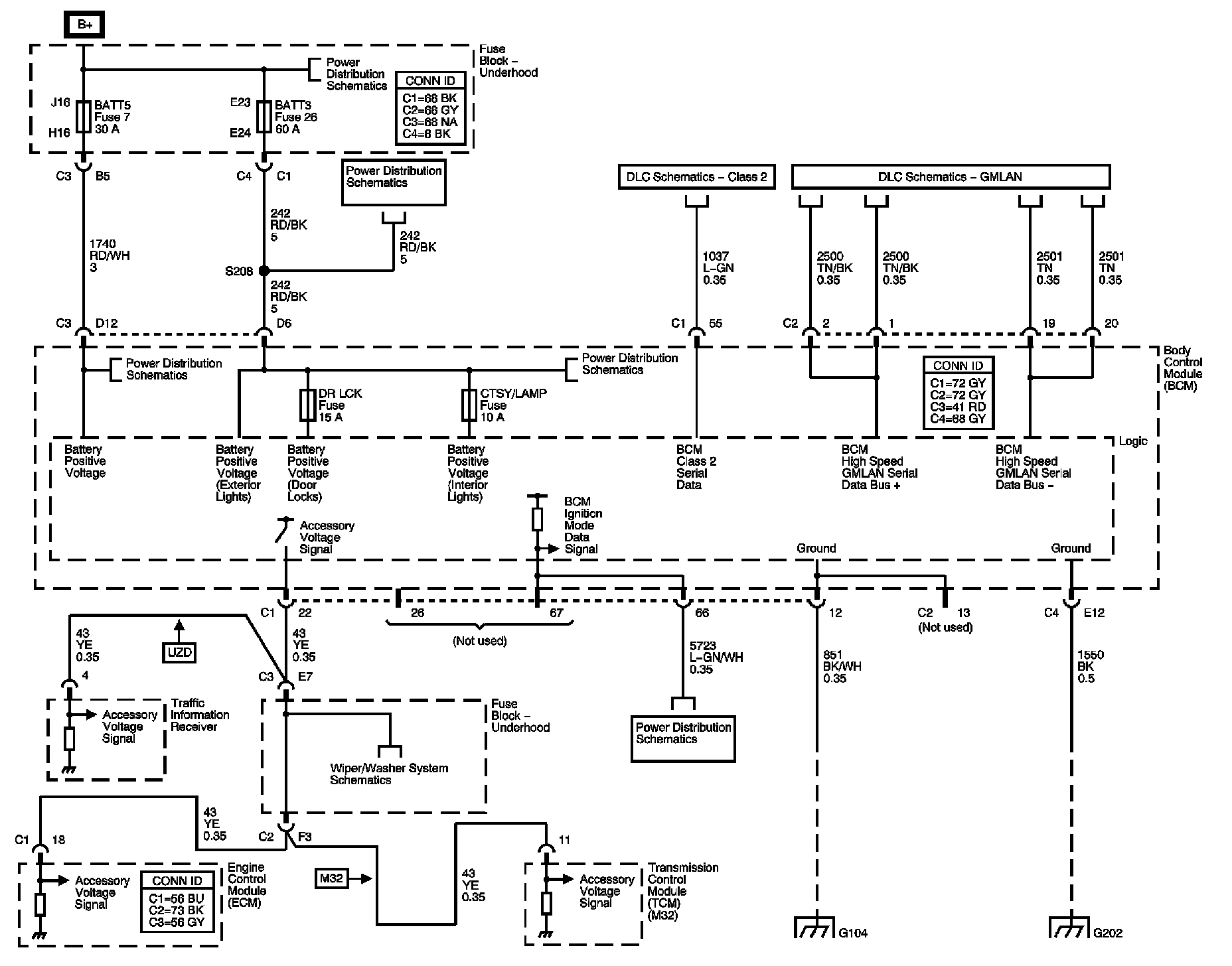
Body Control System Schematics (Part 1):




DLC, Ground and Power

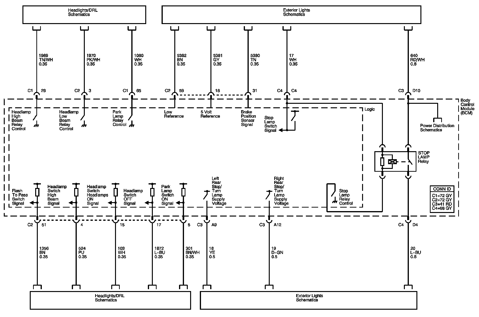
Body Control System Schematics (Part 2):




Lighting References - 1 of 2

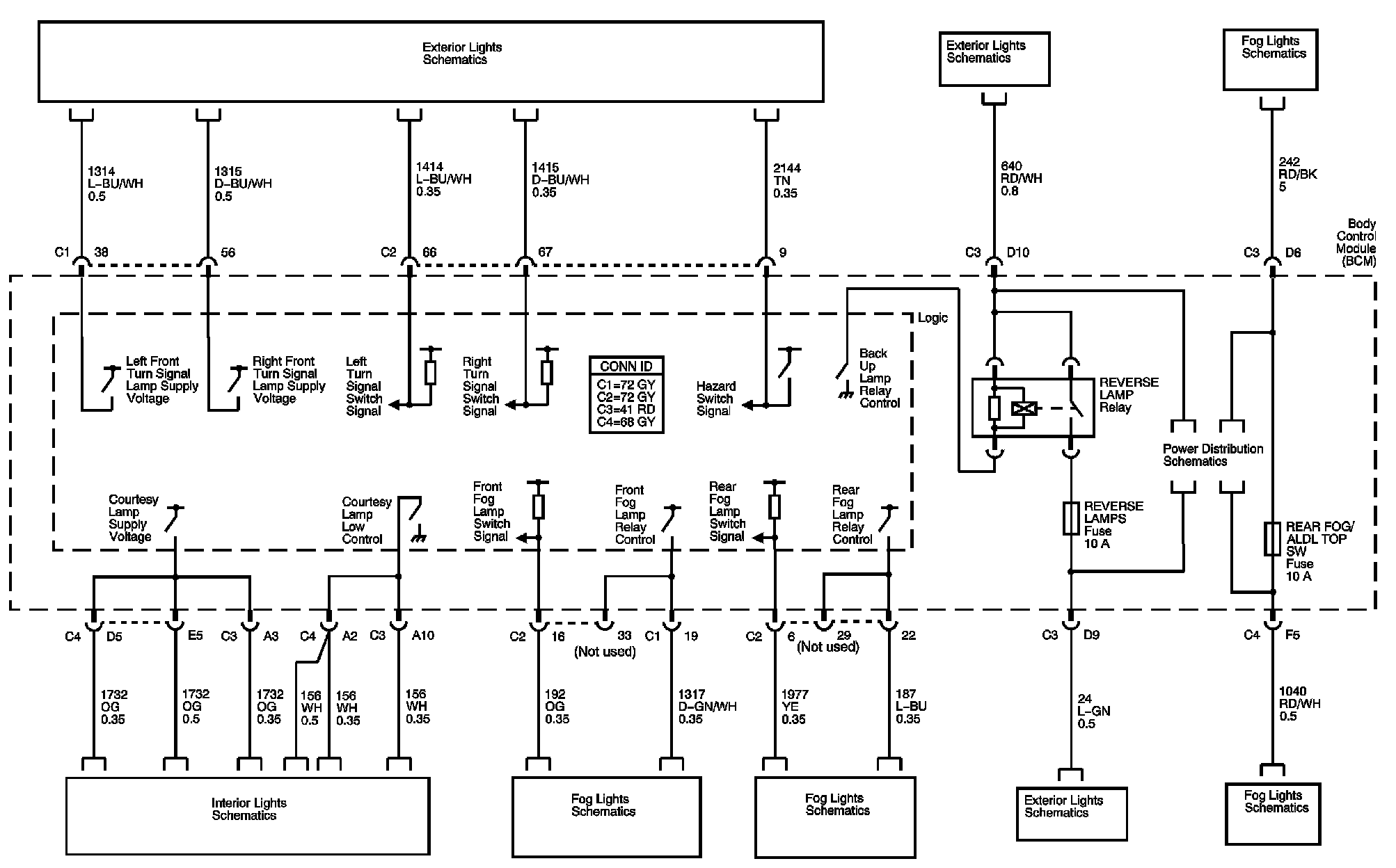
Body Control System Schematics (Part 3):




Lighting References - 2 of 2

Body Control System Schematics (Part 4):




Subsystem References - 1 of 2

Body Control System Schematics (Part 5):




Subsystem References - 2 of 2