Operation CHARM: Car repair manuals for everyone.
Manuals through 2025 now available!

Our trusted friends have launched a new website named LEMON, which has newer manuals. It also contains all the CHARM manuals.

LEMON is the spiritual successor to CHARM, I recommend you try it!

Link: lemon-manuals.la or lemon-manuals.org.ua

(Some people have issue connecting. LEMON is investigating. For now, use Firefox or change your DNS server)

Or, hide this message: temporarily or permanently

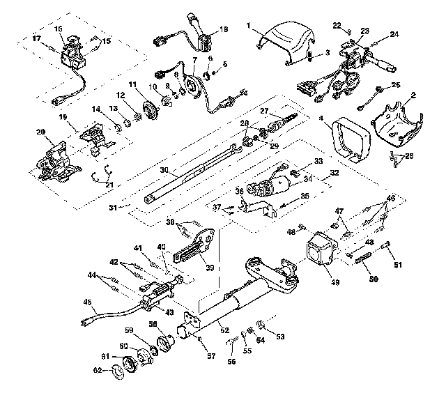
Steering Column Disassembled View (Telescoping)



Steering Column Disassembled View (Telescoping)

Y-Car Telescoping





1 - Upper Trim Cover
2 - Lower Trim Cover
3 - TORX Head Screw
4 - Steering Column Close Out Trim Cover
5 - Flanged Prevailing Torque Nut
6 - Retaining Ring
7 - SIR Coil
8 - Wave Washer
9 - Bearing Retainer
10 - Cam Orientation Plate
11 - Turn Signal Cancel Cam Assembly
12 - Upper Bearing Spring
13 - Upper Bearing Inner Race Seat
14 - Inner Race
15 - Pan Head Tapping Screws
16 - Steering Wheel Theft Deterrent Lock
17 - Pan Head Tapping Screw
18 - Windshield Wiper and Washer Switch Assembly
19 - Wiper/Washer Switch Bracket
20 - Steering Column Tilt Head Housing
21 - Wire Harness Straps
22 - Pan Head Tapping Screw
23 - Turn Signal and Multifunction Switch Assembly
24 - Pan Head Tapping Screw
25 - Telescoping Switch Assembly
26 - Pan Head Tapping Screws
27 - Race and Upper Shaft Assembly
28 - Centering Sphere
29 - Joint Preload Spring
30 - Lower Steering Shaft
31 - Steering Shaft Assembly
32 - Telescope Motor and Bracket Assembly
33 - Connector Clip
34 - Telescope Drive Motor Assembly
35 - Pan Head Tapping Screw
36 - Telescope Drive Bracket
37 - Pan Head Tapping Screws
38 - Flat Head 6-Lobed Soc Tap Screws
39 - Telescope Adapter Assembly
40 - Telescope Drive Ball
41 - Telescope Drive Bolt
42 - TORX Head Screws
43 - Telescope Actuator Assembly
44 - TORX Head Screws
45 - Cable Assembly
46 - Support Screws
47 - Tilt Bumpers
48 - Pivot Pins
49 - Steering Column Support Assembly
50 - Tilt Spring
51 - Spring Guide
52 - Jacket Assembly
53 - Housing Support Guide
54 - Compression Spring
55 - Retaining Ring
56 - Shoulder Bolt
57 - Jacket Hole Plug
58 - Adapter and Bearing Assembly
59 - Lower Spring Retainer
60 - Steering Wheel Position Sensor Assembly
61 - Sensor Retainer
62 - Steering Shaft Seal