Operation CHARM: Car repair manuals for everyone.
Manuals through 2025 now available!

Our trusted friends have launched a new website named LEMON, which has newer manuals. It also contains all the CHARM manuals.

LEMON is the spiritual successor to CHARM, I recommend you try it!

Link: lemon-manuals.la or lemon-manuals.org.ua

(Some people have issue connecting. LEMON is investigating. For now, use Firefox or change your DNS server)

Or, hide this message: temporarily or permanently

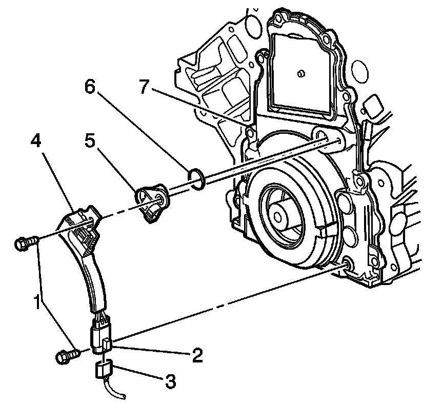
Camshaft Position Sensor: Service and Repair



CAMSHAFT POSITION (CMP) SENSOR REPLACEMENT

REMOVAL PROCEDURE




1. Remove the generator bracket assembly.
2. Remove the camshaft position sensor mounting bolts (1).
3. Disconnect the camshaft position sensor jumper harness (2) and the engine harness (3) electrical connectors.
4. Remove the camshaft sensor assembly (4, 5, 6).
5. Disconnect camshaft position sensor (5) from the jumper harness (4).

INSTALLATION PROCEDURE




1. Install the O-ring (6) on the camshaft sensor assembly (4, 5).
2. Install the camshaft position sensor assembly (4, 5, 6) in the front cover (7).

IMPORTANT: Before installing the camshaft sensor assembly, apply a small amount of clean motor oil to the O-ring (6).

3. Install the camshaft position sensor mounting bolts.

NOTE: Refer to Fastener Notice.

Tighten the camshaft position mounting bolts 25 N.m (18 lb ft).

4. Reconnect the camshaft position sensor assembly (4, 5, 6) and the engine harness connector (3).
5. Install the generator assembly.