Operation CHARM: Car repair manuals for everyone.
Manuals through 2025 now available!

Our trusted friends have launched a new website named LEMON, which has newer manuals. It also contains all the CHARM manuals.

LEMON is the spiritual successor to CHARM, I recommend you try it!

Link: lemon-manuals.la or lemon-manuals.org.ua

(Some people have issue connecting. LEMON is investigating. For now, use Firefox or change your DNS server)

Or, hide this message: temporarily or permanently

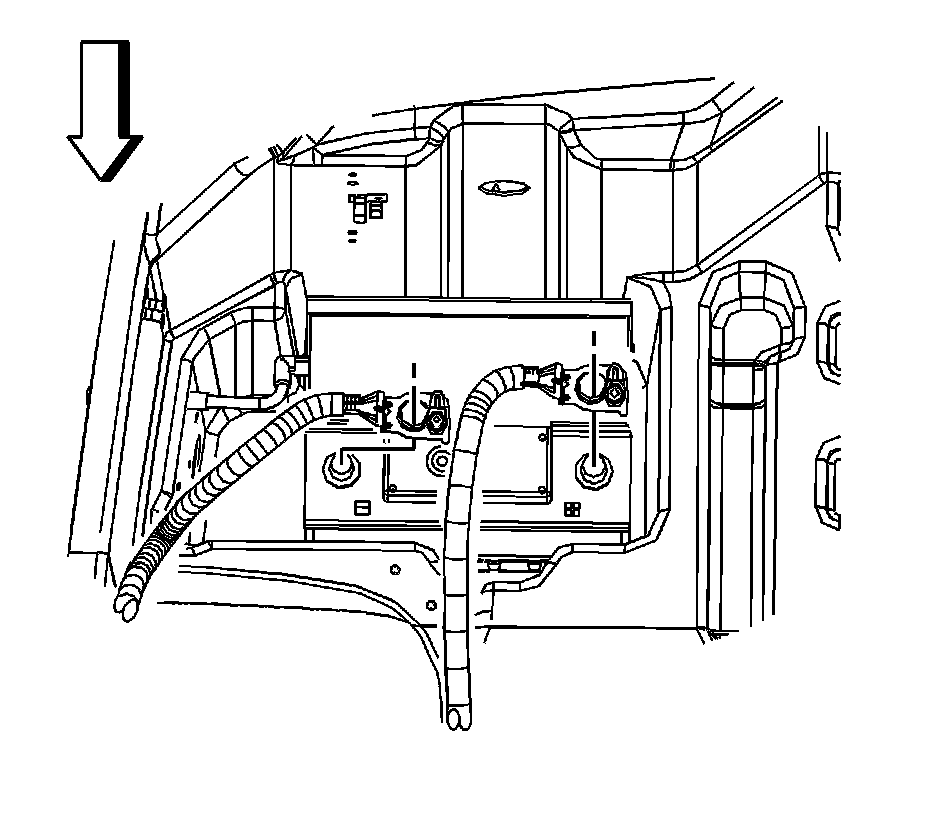
Generator Replacement



GENERATOR REPLACEMENT

REMOVAL PROCEDURE




1. Remove the drive belt.

CAUTION: Refer to Battery Disconnect Caution.

2. Disconnect the negative battery cable.




3. Disconnect the generator electrical connector (1 and 2).
4. Remove the battery feed terminal nut (3) from the generator.
5. Remove the battery feed cable.




6. Remove the generator mounting bolts.
7. Remove the generator.

INSTALLATION PROCEDURE
1. Position the generator on the mounting bracket.
2. Install the generator bolts.

NOTE: Refer to Fastener Notice.

Tighten the generator bolts to 50 N.m (37 lb ft).




3. Connect the generator electrical connector (1 and 2).
4. Install the battery feed cable.
5. Install the battery feed terminal nut (3).

Tighten the battery feed cable nut to 13 N.m (10 lb ft).




6. Install the drive belt.

CAUTION: Refer to Battery Disconnect Caution.

7. Connect the negative battery cable.