Operation CHARM: Car repair manuals for everyone.
Manuals through 2025 now available!

Our trusted friends have launched a new website named LEMON, which has newer manuals. It also contains all the CHARM manuals.

LEMON is the spiritual successor to CHARM, I recommend you try it!

Link: lemon-manuals.la or lemon-manuals.org.ua

(Some people have issue connecting. LEMON is investigating. For now, use Firefox or change your DNS server)

Or, hide this message: temporarily or permanently

Positive: Service and Repair



BATTERY POSITIVE AND NEGATIVE CABLE REPLACEMENT

REMOVAL PROCEDURE

IMPORTANT: When replacing battery cables be sure to use replacement cables that are the same type, gage, and length.




1. Disconnect the negative battery cable.
2. Open the positive battery cable terminal cover (7).
3. Loosen the positive battery cable terminal nut.
4. Remove the positive battery cable terminal (1) from the battery.
5. Remove the ground wire bolt (2) and wire (3) from the upper tie bar.
6. Disconnect the instrument panel (I/P) harness electrical connector (1) from the battery current sensor.




7. Disconnect the battery cable connector from the I/P harness connector.




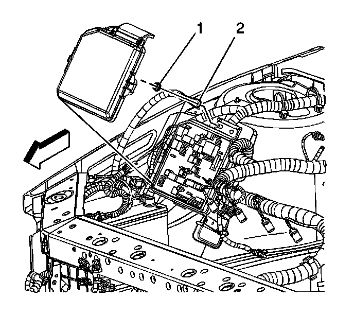
8. Remove the bussed electrical center (BEC) cover.
9. Remove the positive battery cable junction block lead nut (1).
10. Remove the positive battery cable (2) from the BEC.
11. Raise and support the vehicle. Refer to Vehicle Lifting.
12. Remove the front lower air deflector.




13. Remove the starter solenoid BAT terminal nut (3) from the starter.
14. Remove the positive battery cable (2) from the starter motor.
15. Lower the vehicle.




16. Remove the transaxle stud nut (2).
17. Remove the battery cable ground (1) from the transaxle stud.




18. Remove the positive and negative battery cable retainers (5) from the right hand rail.
19. Remove the positive and negative battery cable retainers (6) from the cradle.
20. Remove the positive and negative battery cable assembly from the vehicle.




21. If replacing the cable assembly, perform the following:
1. Cut the tie straps and electrical tape attaching the battery current sensor to the battery cable.
2. Squeeze the cable branches together.
3. Slide the battery current sensor (1) off of the battery cable.

IMPORTANT: Note the position of the battery current sensor prior to removal.

INSTALLATION PROCEDURE




1. If the cable assembly was replaced, perform the following:
1. Slide the battery current sensor (1) onto the battery cable.
2. Using NEW tie straps and electrical tape, attach the battery current sensor to the battery cable.

IMPORTANT: Ensure that the tape tab is pointing towards the positive cable terminal.




2. Install the positive and negative battery cable assembly to the vehicle.
3. Install the positive and negative battery cable retainers (6) to the cradle.
4. Install the positive and negative battery cable retainers (5) to the right hand rail.




5. Install the battery cable ground (1) to the transaxle stud.
6. Install the transaxle stud nut (2).

NOTE: Refer to Fastener Notice.

Tighten the nut to 30 N.m (22 lb ft).

7. Raise and support the vehicle.




8. Install the positive battery cable (2) to the starter motor.
9. Install the starter solenoid BAT terminal nut (3) to the starter.

Tighten the nut to 10 N.m (89 lb in).

10. Install the front lower air deflector.
11. Lower the vehicle.




12. Install the positive battery cable (2) to the BEC.
13. Install the positive battery cable junction block lead nut (1).

Tighten the nut to 10 N.m (89 lb in).

14. Install the BEC cover.




15. Connect the battery cable connector to the I/P harness connector.




16. Connect the I/P harness electrical connector (1) to the battery current sensor.
17. Install the ground wire (3) and bolt (2) to the upper tie bar.

Tighten the bolt to 10 N.m (89 lb in).

18. Install the positive battery cable terminal (1) to the battery.
19. Tighten the positive battery cable terminal nut.

Tighten the bolt to 15 N.m (11 lb ft).

20. Snap closed the positive battery cable terminal cover (7).
21. Connect the negative battery cable.